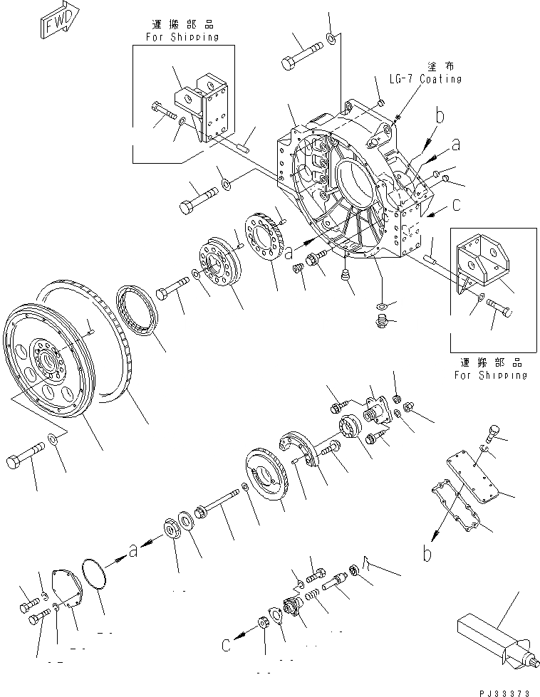
Запчасти Komatsu SA8V170-1C МАХОВИК И КАРТЕР МАХОВИКА(№-) БЛОК ЦИЛИНДРОВ

Схема запчастей Komatsu SA8V170-1C - МАХОВИК И КАРТЕР МАХОВИКА(№-) БЛОК ЦИЛИНДРОВ
1
2
3
4
5
6
7
8
8
9
10
11
12
13
14
15
16
17
18
19
20
21
22
23
24
25
26
27
28
29
30
31
32
32
33
34
35
36
37
38
39
40
41
42
42
42
43
44
45
46
47
48
49
50
51
52
53
54
55
56
56
57
57
58
58
59
59
60
1
2
3
4
5
6
7
8
8
9
10
11
12
13
14
15
16
17
18
19
20
21
22
23
24
25
26
27
28
29
30
31
32
32
33
34
35
36
37
38
39
40
41
42
42
42
43
44
45
46
47
48
49
50
51
52
53
54
55
56
56
57
57
58
58
59
59
60
FIT
1:1
100%

Артикул

Название

Примечание

Количество

1

6164-21-4161

HOUSING,FLYWHEEL

SN: 10253-UP

1шт.

2

07046-41410

PLUG

SN: 10040-UP

2шт.

3

07046-22010

PLUG

SN: 10040-UP

1шт.

4

07046-21210

PLUG

SN: 10040-UP

1шт.

5

6164-21-4440

BOLT

SN: 10040-UP

2шт.

6

01011-32055

BOLT

SN: 10040-UP

9шт.

7

01010-32065

BOLT

SN: 10040-UP

2шт.

8

01643-32060

WASHER

SN: 10040-UP

11шт.

9

07043-01222

PLUG

SN: 10040-UP

1шт.

10

07043-00415

PLUG

SN: 10040-UP

1шт.

11

6136-51-4140

PLUG

SN: 10040-UP

2шт.

12

07005-02216

GASKET (K2)

SN: 10040-UP

2шт.

|$12

6164-31-7200

GEAR ASS'Y

SN: 10040-UP

1шт.

13

0

GEAR

SN: 10040-UP

1шт.

14

0

WEIGHT

SN: 10040-UP

1шт.

15

04020-01024

PIN,DOWEL

SN: 10040-UP

2шт.

16

01435-01230

BOLT

SN: 10040-UP

4шт.

17

6164-31-6920

SHAFT

SN: 10040-UP

1шт.

18

6164-31-6930

BEARING

SN: 10040-UP

1шт.

19

6164-21-2760

NUT

SN: 10040-UP

1шт.

20

6164-21-2750

WASHER

SN: 10040-UP

1шт.

21

6164-21-2590

GROMMET (K2)

SN: 10040-UP

1шт.

22

6164-31-6960

BOLT

SN: 10040-UP

1шт.

23

01643-31645

WASHER

SN: 10040-UP

1шт.

24

6164-21-2880

BOLT

SN: 10369-UP

3шт.

24

0

BOLT

SN: 10040-10368

3шт.

25

6164-21-2790

BOLT

SN: 10040-UP

1шт.

26

6164-21-2770

NUT

SN: 10040-UP

1шт.

27

07005-01412

GASKET (K2)

SN: 10040-UP

1шт.

28

6164-21-4430

COVER

SN: 10040-UP

1шт.

29

07000-65160

O-RING (K2)

SN: 10040-UP

1шт.

30

01010-30820

BOLT

SN: 10040-UP

5шт.

31

01010-30825

BOLT

SN: 10040-UP

1шт.

32

01602-00825

WASHER,SPRING

SN: 10040-UP

6шт.

33

6164-21-4412

COVER

SN: 10137-UP

1шт.

34

6164-21-4421

GASKET (K2)

SN: 10040-UP

1шт.

35

01010-30820

BOLT

SN: 10516-UP

10шт.

35

01010-30820

BOLT

SN: 10040-10515

9шт.

36

01602-00825

WASHER,SPRING

SN: 10516-UP

10шт.

36

01602-00825

WASHER,SPRING

SN: 10040-10515

9шт.

|$40

6164-31-4200

FLYWHEEL ASS'Y

SN: 10040-UP

1шт.

37

0

FLYWHEEL

SN: 10040-UP

1шт.

38

6164-31-1340

GEAR,RING

SN: 10040-UP

1шт.

39

6164-21-4261

SEAL, REAR (K2)

SN: 10516-UP

1шт.

39

0

SEAL, REAR (K2)

SN: 10040-10515

1шт.

40

6164-31-1571

SHAFT

SN: 10040-UP

1шт.

41

6164-31-1420

GEAR

SN: 10040-UP

1шт.

42

04020-01228

PIN,DOWEL

SN: 10040-UP

3шт.

43

01010-31685

BOLT

SN: 10040-UP

1шт.

44

01643-31645

WASHER

SN: 10040-UP

1шт.

45

01051-32250

BOLT

SN: 10040-UP

12шт.

46

6162-13-1620

WASHER

SN: 10040-UP

12шт.

|$52

6162-23-4501

BARING DIVICE ASS'Y

SN: 10040-UP

1шт.

47

0

CASE

SN: 10040-UP

1шт.

48

0

SHAFT

SN: 10040-UP

1шт.

49

0

SPRING

SN: 10040-UP

1шт.

50

0

GEAR

SN: 10040-UP

1шт.

51

0

SEAL

SN: 10040-UP

1шт.

52

6162-23-4531

PIN

SN: 10040-UP

1шт.

53

6150-21-4740

GASKET (K2)

SN: 10040-UP

1шт.

54

01010-31030

BOLT

SN: 10040-UP

3шт.

55

01602-01030

WASHER,SPRING

SN: 10040-UP

3шт.

56

6164-21-4330

BRACKET,(FOR SHIPPING)

SN: 10040-UP

2шт.

57

04020-01434

PIN,DOWEL

SN: 10040-UP

4шт.

58

01010-32050

BOLT,(FOR SHIPPING)

SN: 10040-UP

12шт.

59

01643-32060

WASHER,(FOR SHIPPING)

SN: 10040-UP

12шт.

60

09920-00150

LIQUID GASKET,LG-7, 150G

SN: 10253-UP

-2шт.

1

6164-21-4161

HOUSING,FLYWHEEL

SN: 10253-UP

1шт.

2

07046-41410

PLUG

SN: 10040-UP

2шт.

3

07046-22010

PLUG

SN: 10040-UP

1шт.

4

07046-21210

PLUG

SN: 10040-UP

1шт.

5

6164-21-4440

BOLT

SN: 10040-UP

2шт.

6

01011-32055

BOLT

SN: 10040-UP

9шт.

7

01010-32065

BOLT

SN: 10040-UP

2шт.

8

01643-32060

WASHER

SN: 10040-UP

11шт.

9

07043-01222

PLUG

SN: 10040-UP

1шт.

10

07043-00415

PLUG

SN: 10040-UP

1шт.

11

6136-51-4140

PLUG

SN: 10040-UP

2шт.

12

07005-02216

GASKET (K2)

SN: 10040-UP

2шт.

|$12

6164-31-7200

GEAR ASS'Y

SN: 10040-UP

1шт.

13

0

GEAR

SN: 10040-UP

1шт.

14

0

WEIGHT

SN: 10040-UP

1шт.

15

04020-01024

PIN,DOWEL

SN: 10040-UP

2шт.

16

01435-01230

BOLT

SN: 10040-UP

4шт.

17

6164-31-6920

SHAFT

SN: 10040-UP

1шт.

18

6164-31-6930

BEARING

SN: 10040-UP

1шт.

19

6164-21-2760

NUT

SN: 10040-UP

1шт.

20

6164-21-2750

WASHER

SN: 10040-UP

1шт.

21

6164-21-2590

GROMMET (K2)

SN: 10040-UP

1шт.

22

6164-31-6960

BOLT

SN: 10040-UP

1шт.

23

01643-31645

WASHER

SN: 10040-UP

1шт.

24

6164-21-2880

BOLT

SN: 10369-UP

3шт.

24

0

BOLT

SN: 10040-10368

3шт.

25

6164-21-2790

BOLT

SN: 10040-UP

1шт.

26

6164-21-2770

NUT

SN: 10040-UP

1шт.

27

07005-01412

GASKET (K2)

SN: 10040-UP

1шт.

28

6164-21-4430

COVER

SN: 10040-UP

1шт.

29

07000-65160

O-RING (K2)

SN: 10040-UP

1шт.

30

01010-30820

BOLT

SN: 10040-UP

5шт.

31

01010-30825

BOLT

SN: 10040-UP

1шт.

32

01602-00825

WASHER,SPRING

SN: 10040-UP

6шт.

33

6164-21-4412

COVER

SN: 10137-UP

1шт.

34

6164-21-4421

GASKET (K2)

SN: 10040-UP

1шт.

35

01010-30820

BOLT

SN: 10516-UP

10шт.

35

01010-30820

BOLT

SN: 10040-10515

9шт.

36

01602-00825

WASHER,SPRING

SN: 10516-UP

10шт.

36

01602-00825

WASHER,SPRING

SN: 10040-10515

9шт.

|$40

6164-31-4200

FLYWHEEL ASS'Y

SN: 10040-UP

1шт.

37

0

FLYWHEEL

SN: 10040-UP

1шт.

38

6164-31-1340

GEAR,RING

SN: 10040-UP

1шт.

39

6164-21-4261

SEAL, REAR (K2)

SN: 10516-UP

1шт.

39

0

SEAL, REAR (K2)

SN: 10040-10515

1шт.

40

6164-31-1571

SHAFT

SN: 10040-UP

1шт.

41

6164-31-1420

GEAR

SN: 10040-UP

1шт.

42

04020-01228

PIN,DOWEL

SN: 10040-UP

3шт.

43

01010-31685

BOLT

SN: 10040-UP

1шт.

44

01643-31645

WASHER

SN: 10040-UP

1шт.

45

01051-32250

BOLT

SN: 10040-UP

12шт.

46

6162-13-1620

WASHER

SN: 10040-UP

12шт.

|$52

6162-23-4501

BARING DIVICE ASS'Y

SN: 10040-UP

1шт.

47

0

CASE

SN: 10040-UP

1шт.

48

0

SHAFT

SN: 10040-UP

1шт.

49

0

SPRING

SN: 10040-UP

1шт.

50

0

GEAR

SN: 10040-UP

1шт.

51

0

SEAL

SN: 10040-UP

1шт.

52

6162-23-4531

PIN

SN: 10040-UP

1шт.

53

6150-21-4740

GASKET (K2)

SN: 10040-UP

1шт.

54

01010-31030

BOLT

SN: 10040-UP

3шт.

55

01602-01030

WASHER,SPRING

SN: 10040-UP

3шт.

56

6164-21-4330

BRACKET,(FOR SHIPPING)

SN: 10040-UP

2шт.

57

04020-01434

PIN,DOWEL

SN: 10040-UP

4шт.

58

01010-32050

BOLT,(FOR SHIPPING)

SN: 10040-UP

12шт.

59

01643-32060

WASHER,(FOR SHIPPING)

SN: 10040-UP

12шт.

60

09920-00150

LIQUID GASKET,LG-7, 150G

SN: 10253-UP

-2шт.

Выбрано товаров: 134