Запчасти Komatsu SA8V170-1C ТОПЛ. НАСОС (РЕГУЛЯТОР) (/)(№-) ТОПЛИВН. СИСТЕМА

Схема запчастей Komatsu SA8V170-1C - ТОПЛ. НАСОС (РЕГУЛЯТОР) (/)(№-) ТОПЛИВН. СИСТЕМА
1
2
3
4
5
6
6
7
7
8
9
10
11
12
13
14
15
16
17
18
19
20
21
22
23
24
25
26
27
28
29
30
31
32
33
34
35
36
37
37
37
38
38
38
39
40
41
42
43
44
45
46
47
48
49
50
51
52
53
54
1
2
3
4
5
6
6
7
7
8
9
10
11
12
13
14
15
16
17
18
19
20
21
22
23
24
25
26
27
28
29
30
31
32
33
34
35
36
37
37
37
38
38
38
39
40
41
42
43
44
45
46
47
48
49
50
51
52
53
54
FIT
1:1
100%

Артикул

Название

Примечание

Количество

|$0

6164-71-1411

INJECTION PUMP ASS'Y

SN: 10040-@

1шт.

|$1

0

INJECTION PUMP ASS'Y

SN: 10040-10515

1шт.

|$$3

THIS ASSEMBLY CONSISTS OF ALL PARTS SHOWN IN FIGS.0451 TO 0462.

-1шт.

|$$4

THE ZEXEL PART NUMBER IS THAT DK IS REMOVED FROM KOMATSU PART NUMBER LISTED BELOW.

-1шт.

|$4

DK105445-0640

GOVERNOR ASS'Y

SN: 10040-10515

1шт.

|$$6

THIS ASSEMBLY CONSISTS OF ALL PARTS SHOWN IN FIGS.0461 AND 0462.

-1шт.

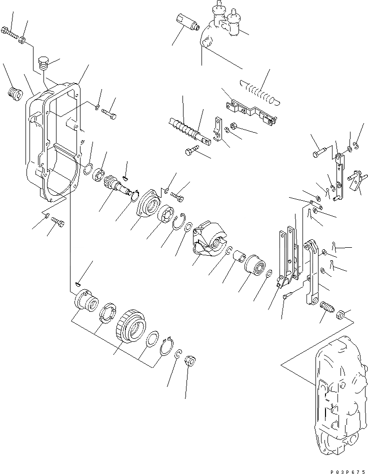
1

DK154003-1520

HOUSING

SN: 10040-10515

1шт.

2

DK154007-1400

PLUG

SN: 10040-10515

1шт.

3

DK154007-0500

ADAPTER

SN: 10040-10515

1шт.

4

DK010038-1840

BOLT

SN: 10040-10515

1шт.

5

DK014110-8440

WASHER,SPRING

SN: 10040-10515

1шт.

6

DK010038-2840

BOLT

SN: 10040-10515

10шт.

7

DK014110-8440

WASHER,SPRING

SN: 10040-10515

10шт.

8

DK154034-2100

BOLT

SN: 10040-10515

1шт.

9

DK029241-0020

NUT

SN: 10040-10515

1шт.

10

DK154050-1620

LIMITER

SN: 10040-10515

1шт.

11

DK154102-2420

FLYWEIGHT ASS'Y

SN: 10040-10515

1шт.

12

DK025804-1610

KEY

SN: 10040-10515

1шт.

13

DK029321-4010

WASHER,SPRING

SN: 10040-10515

1шт.

14

DK131325-2600

NUT

SN: 10040-10515

1шт.

15

DK154120-0200

WASHER

SN: 10040-10515

1шт.

16

DK016020-2510

RING,SNAP

SN: 10040-10515

1шт.

17

DK154121-0900

GEAR

SN: 10040-10515

1шт.

18

DK016630-2640

BEARING

SN: 10040-10515

1шт.

19

DK028102-5010

BEARING

SN: 10040-10515

1шт.

20

DK029313-2010

SHIM

SN: 10040-10515

1шт.

20

DK029313-2020

SHIM

SN: 10040-10515

1шт.

21

DK154122-0200

COVER

SN: 10040-10515

1шт.

22

DK016110-5210

RING,SNAP

SN: 10040-10515

1шт.

23

DK025805-1910

KEY

SN: 10040-10515

1шт.

24

DK023641-8410

WASHER,SPRING

SN: 10040-10515

1шт.

25

DK154011-2400

NUT

SN: 10040-10515

1шт.

26

DK154123-1820

SLEEVE

SN: 10040-10515

1шт.

27

DK029311-5020

SHIM, 0.05MM

SN: 10040-10515

-2шт.

27

DK029311-5030

SHIM, 0.1MM

SN: 10040-10515

-2шт.

27

DK029311-5050

SHIM, 0.2MM

SN: 10040-10515

-2шт.

27

DK029311-5120

SHIM, 0.3MM

SN: 10040-10515

-2шт.

27

DK029311-5060

SHIM, 0.4MM

SN: 10040-10515

-2шт.

27

DK029311-5080

SHIM, 0.5MM

SN: 10040-10515

-2шт.

28

DK154130-2320

GEAR ASS'Y

SN: 10040-10515

1шт.

29

DK154356-6000

PIN

SN: 10040-10515

1шт.

30

DK154154-2300

SPRING

SN: 10040-10515

1шт.

31

DK154187-0821

CAPSULE,SPRING

SN: 10040-10515

1шт.

32

DK139220-0400

NUT

SN: 10040-10515

1шт.

33

DK154217-0821

GUIDE LEVER ASS'Y

SN: 10040-10515

1шт.

34

DK154224-5320

LEVER,FLOATING

SN: 10040-10515

1шт.

35

DK153305-1700

SHIM

SN: 10040-10515

1шт.

36

DK015325-1590

PIN,SPLIT

SN: 10040-10515

1шт.

37

DK029310-6040

SHIM

SN: 10040-10515

3шт.

38

DK015325-1590

PIN,SPLIT

SN: 10040-10515

3шт.

39

DK154234-0920

LINK

SN: 10040-10515

1шт.

40

DK154232-0100

CONNECTOR

SN: 10040-10515

1шт.

41

DK010006-1840

BOLT

SN: 10040-10515

1шт.

42

DK013020-6040

NUT

SN: 10040-10515

1шт.

43

DK154233-0100

WASHER,LOCK

SN: 10040-10515

2шт.

44

DK153400-0200

SEAT,SPRING

SN: 10040-10515

1шт.

45

DK153401-0300

SPRING

SN: 10040-10515

1шт.

46

DK154236-8100

LEVER,TENSION

SN: 10040-10515

1шт.

47

DK153550-3100

GASKET

SN: 10040-10515

1шт.

48

DK154401-3920

LEVER

SN: 10040-10515

1шт.

49

DK154401-4320

LINK

SN: 10040-10515

1шт.

50

DK154222-8200

PIN

SN: 10040-10515

1шт.

51

DK029310-5280

SHIM

SN: 10040-10515

1шт.

52

DK026110-0510

RING,SNAP

SN: 10040-10515

1шт.

53

DK154326-6820

LEVER

SN: 10040-10515

1шт.

54

DK016010-0840

RING,SNAP

SN: 10040-10515

1шт.

|$0

6164-71-1411

INJECTION PUMP ASS'Y

SN: 10040-@

1шт.

|$1

0

INJECTION PUMP ASS'Y

SN: 10040-10515

1шт.

|$$3

THIS ASSEMBLY CONSISTS OF ALL PARTS SHOWN IN FIGS.0451 TO 0462.

-1шт.

|$$4

THE ZEXEL PART NUMBER IS THAT DK IS REMOVED FROM KOMATSU PART NUMBER LISTED BELOW.

-1шт.

|$4

DK105445-0640

GOVERNOR ASS'Y

SN: 10040-10515

1шт.

|$$6

THIS ASSEMBLY CONSISTS OF ALL PARTS SHOWN IN FIGS.0461 AND 0462.

-1шт.

1

DK154003-1520

HOUSING

SN: 10040-10515

1шт.

2

DK154007-1400

PLUG

SN: 10040-10515

1шт.

3

DK154007-0500

ADAPTER

SN: 10040-10515

1шт.

4

DK010038-1840

BOLT

SN: 10040-10515

1шт.

5

DK014110-8440

WASHER,SPRING

SN: 10040-10515

1шт.

6

DK010038-2840

BOLT

SN: 10040-10515

10шт.

7

DK014110-8440

WASHER,SPRING

SN: 10040-10515

10шт.

8

DK154034-2100

BOLT

SN: 10040-10515

1шт.

9

DK029241-0020

NUT

SN: 10040-10515

1шт.

10

DK154050-1620

LIMITER

SN: 10040-10515

1шт.

11

DK154102-2420

FLYWEIGHT ASS'Y

SN: 10040-10515

1шт.

12

DK025804-1610

KEY

SN: 10040-10515

1шт.

13

DK029321-4010

WASHER,SPRING

SN: 10040-10515

1шт.

14

DK131325-2600

NUT

SN: 10040-10515

1шт.

15

DK154120-0200

WASHER

SN: 10040-10515

1шт.

16

DK016020-2510

RING,SNAP

SN: 10040-10515

1шт.

17

DK154121-0900

GEAR

SN: 10040-10515

1шт.

18

DK016630-2640

BEARING

SN: 10040-10515

1шт.

19

DK028102-5010

BEARING

SN: 10040-10515

1шт.

20

DK029313-2010

SHIM

SN: 10040-10515

1шт.

20

DK029313-2020

SHIM

SN: 10040-10515

1шт.

21

DK154122-0200

COVER

SN: 10040-10515

1шт.

22

DK016110-5210

RING,SNAP

SN: 10040-10515

1шт.

23

DK025805-1910

KEY

SN: 10040-10515

1шт.

24

DK023641-8410

WASHER,SPRING

SN: 10040-10515

1шт.

25

DK154011-2400

NUT

SN: 10040-10515

1шт.

26

DK154123-1820

SLEEVE

SN: 10040-10515

1шт.

27

DK029311-5020

SHIM, 0.05MM

SN: 10040-10515

-2шт.

27

DK029311-5030

SHIM, 0.1MM

SN: 10040-10515

-2шт.

27

DK029311-5050

SHIM, 0.2MM

SN: 10040-10515

-2шт.

27

DK029311-5120

SHIM, 0.3MM

SN: 10040-10515

-2шт.

27

DK029311-5060

SHIM, 0.4MM

SN: 10040-10515

-2шт.

27

DK029311-5080

SHIM, 0.5MM

SN: 10040-10515

-2шт.

28

DK154130-2320

GEAR ASS'Y

SN: 10040-10515

1шт.

29

DK154356-6000

PIN

SN: 10040-10515

1шт.

30

DK154154-2300

SPRING

SN: 10040-10515

1шт.

31

DK154187-0821

CAPSULE,SPRING

SN: 10040-10515

1шт.

32

DK139220-0400

NUT

SN: 10040-10515

1шт.

33

DK154217-0821

GUIDE LEVER ASS'Y

SN: 10040-10515

1шт.

34

DK154224-5320

LEVER,FLOATING

SN: 10040-10515

1шт.

35

DK153305-1700

SHIM

SN: 10040-10515

1шт.

36

DK015325-1590

PIN,SPLIT

SN: 10040-10515

1шт.

37

DK029310-6040

SHIM

SN: 10040-10515

3шт.

38

DK015325-1590

PIN,SPLIT

SN: 10040-10515

3шт.

39

DK154234-0920

LINK

SN: 10040-10515

1шт.

40

DK154232-0100

CONNECTOR

SN: 10040-10515

1шт.

41

DK010006-1840

BOLT

SN: 10040-10515

1шт.

42

DK013020-6040

NUT

SN: 10040-10515

1шт.

43

DK154233-0100

WASHER,LOCK

SN: 10040-10515

2шт.

44

DK153400-0200

SEAT,SPRING

SN: 10040-10515

1шт.

45

DK153401-0300

SPRING

SN: 10040-10515

1шт.

46

DK154236-8100

LEVER,TENSION

SN: 10040-10515

1шт.

47

DK153550-3100

GASKET

SN: 10040-10515

1шт.

48

DK154401-3920

LEVER

SN: 10040-10515

1шт.

49

DK154401-4320

LINK

SN: 10040-10515

1шт.

50

DK154222-8200

PIN

SN: 10040-10515

1шт.

51

DK029310-5280

SHIM

SN: 10040-10515

1шт.

52

DK026110-0510

RING,SNAP

SN: 10040-10515

1шт.

53

DK154326-6820

LEVER

SN: 10040-10515

1шт.

54

DK016010-0840

RING,SNAP

SN: 10040-10515

1шт.

Выбрано товаров: 132