Запчасти Komatsu SA8V170-1C ТОПЛ. НАСОС (РЕГУЛЯТОР) (/)(№-) ТОПЛИВН. СИСТЕМА

Схема запчастей Komatsu SA8V170-1C - ТОПЛ. НАСОС (РЕГУЛЯТОР) (/)(№-) ТОПЛИВН. СИСТЕМА
1
2
3
4
5
6
7
7
8
9
10
11
12
12
12
13
14
15
16
17
18
19
19
20
21
22
23
23
24
24
25
26
27
28
29
30
31
32
33
34
35
35
36
37
38
39
40
41
42
43
44
45
46
47
48
49
50
51
52
53
54
55
56
57
58
59
60
1
2
3
4
5
6
7
7
8
9
10
11
12
12
12
13
14
15
16
17
18
19
19
20
21
22
23
23
24
24
25
26
27
28
29
30
31
32
33
34
35
35
36
37
38
39
40
41
42
43
44
45
46
47
48
49
50
51
52
53
54
55
56
57
58
59
60
FIT
1:1
100%

Артикул

Название

Примечание

Количество

|$0

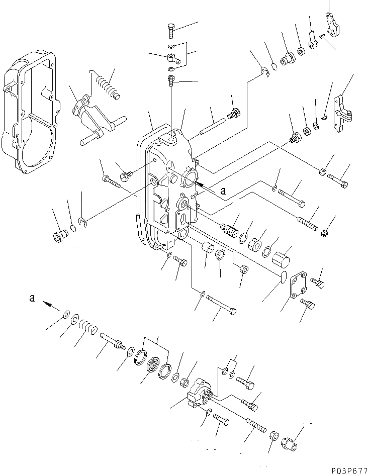
6164-71-1411

INJECTION PUMP ASS'Y

SN: 10040-@

1шт.

|$1

0

INJECTION PUMP ASS'Y

SN: 10040-10515

1шт.

|$$3

THIS ASSEMBLY CONSISTS OF ALL PARTS SHOWN IN FIGS.0451 TO 0462.

-1шт.

|$$4

THE ZEXEL PART NUMBER IS THAT DK IS REMOVED FROM KOMATSU PART NUMBER LISTED BELOW.

-1шт.

|$4

DK105445-0640

GOVERNOR ASS'Y

SN: 10040-10515

1шт.

|$$6

THIS ASSEMBLY CONSISTS OF ALL PARTS SHOWN IN FIGS.0461 AND 0462.

-1шт.

1

DK029241-0020

NUT

SN: 10040-10515

1шт.

2

DK154522-1120

COVER

SN: 10040-10515

1шт.

3

DK154204-2800

BUSHING

SN: 10040-10515

1шт.

4

DK029621-0080

SEAL,OIL

SN: 10040-10515

1шт.

5

DK154031-3900

SCREW

SN: 10040-10515

1шт.

6

DK029201-0160

NUT

SN: 10040-10515

1шт.

7

DK154036-0400

PLUG

SN: 10040-10515

2шт.

8

DK010038-9140

BOLT

SN: 10040-10515

4шт.

9

DK139008-0500

BOLT

SN: 10040-10515

2шт.

10

DK154034-2100

BOLT

SN: 10040-10515

1шт.

11

DK010038-2840

BOLT

SN: 10040-10515

2шт.

12

DK014110-8410

WASHER,SPRING

SN: 10040-10515

8шт.

13

DK154060-4200

COVER

SN: 10040-10515

1шт.

14

DK029020-6210

BOLT

SN: 10040-10515

2шт.

15

DK020006-1640

BOLT

SN: 10040-10515

2шт.

16

DK154150-9520

SPRING

SN: 10040-10515

1шт.

17

DK154158-2620

CAPSULE,SPRING

SN: 10040-10515

1шт.

18

DK139226-0000

NUT

SN: 10040-10515

1шт.

19

DK029332-6030

GASKET

SN: 10040-10515

2шт.

20

DK154159-1600

NUT,CAP

SN: 10040-10515

1шт.

21

DK154200-6120

LEVER,SWIVEL

SN: 10040-10515

1шт.

22

DK154204-2500

BUSHING

SN: 10040-10515

1шт.

23

DK029631-8020

O-RING

SN: 10040-10515

2шт.

24

DK016010-2010

RING,SNAP

SN: 10040-10515

2шт.

25

DK139614-0100

SEAL,OIL

SN: 10040-10515

1шт.

26

DK029311-4080

SHIM, 0.1MM

SN: 10040-10515

-2шт.

26

DK029311-4040

SHIM, 0.3MM

SN: 10040-10515

-2шт.

26

DK029311-4050

SHIM, 0.4MM

SN: 10040-10515

-2шт.

26

DK029311-4060

SHIM, 0.5MM

SN: 10040-10515

-2шт.

27

DK154204-2600

BUSHING

SN: 10040-10515

1шт.

28

DK025803-1310

KEY, 13MM

SN: 10040-10515

1шт.

29

DK154237-0300

PIN

SN: 10040-10515

1шт.

30

DK154347-8020

LEVER

SN: 10040-10515

1шт.

31

DK154350-2000

GASKET

SN: 10040-10515

1шт.

32

DK029635-5010

O-RING

SN: 10040-10515

1шт.

33

DK154400-7420

DIAPHRAGM

SN: 10040-10515

1шт.

34

DK154401-3800

ROD,PUSH

SN: 10040-10515

1шт.

35

DK029330-8050

GASKET

SN: 10040-10515

2шт.

36

DK023040-6040

NUT

SN: 10040-10515

1шт.

37

DK154402-9400

SPRING

SN: 10040-10515

1шт.

38

DK154404-3900

COVER

SN: 10040-10515

1шт.

39

DK020106-2240

BOLT

SN: 10040-10515

2шт.

40

DK154404-1100

SCREW

SN: 10040-10515

1шт.

41

DK023040-6040

NUT

SN: 10040-10515

1шт.

42

DK029731-0120

BOLT,EYE

SN: 10040-10515

1шт.

43

DK029341-0110

GASKET

SN: 10040-10515

2шт.

44

DK029312-0210

SHIM, 0.2MM

SN: 10040-10515

-2шт.

44

DK029312-0180

SHIM, 0.5MM

SN: 10040-10515

-2шт.

45

DK154035-0320

NUT,CAP

SN: 10040-10515

1шт.

46

DK029320-6010

WASHER,SPRING

SN: 10040-10515

1шт.

47

DK154352-0700

GASKET

SN: 10040-10515

2шт.

48

DK029010-6310

BOLT

SN: 10040-10515

1шт.

49

DK154159-1700

NUT

SN: 10040-10515

1шт.

50

DK154356-6100

PLUG

SN: 10040-10515

1шт.

51

DK131002-3800

ADAPTER

SN: 10040-10515

1шт.

52

DK029341-2140

GASKET

SN: 10040-10515

2шт.

53

DK029711-2350

EYE

SN: 10040-10515

1шт.

54

DK029731-2240

BOLT,EYE

SN: 10040-10515

1шт.

55

DK029311-0470

SHIM

SN: 10040-10515

6шт.

56

DK029311-0650

SHIM, 0.20MM

SN: 10040-10515

-2шт.

56

DK029311-0660

SHIM, 0.25MM

SN: 10040-10515

-2шт.

56

DK029311-0670

SHIM, 0.30MM

SN: 10040-10515

-2шт.

56

DK029311-0680

SHIM, 0.35MM

SN: 10040-10515

-2шт.

56

DK029311-0690

SHIM, 0.40MM

SN: 10040-10515

-2шт.

56

DK029311-0700

SHIM, 0.50MM

SN: 10040-10515

-2шт.

56

DK139410-1400

SHIM, 0.70MM

SN: 10040-10515

-2шт.

56

DK139410-1600

SHIM, 0.80MM

SN: 10040-10515

-2шт.

56

DK139410-1500

SHIM, 0.90MM

SN: 10040-10515

-2шт.

56

DK029311-0640

SHIM, 0.95MM

SN: 10040-10515

-2шт.

57

DK154366-4120

LEVER

SN: 10040-10515

1шт.

58

DK154010-2300

SCREW

SN: 10040-10515

2шт.

59

DK029240-8000

NUT

SN: 10040-10515

2шт.

60

DK025802-1010

KEY

SN: 10040-10515

1шт.

|$0

6164-71-1411

INJECTION PUMP ASS'Y

SN: 10040-@

1шт.

|$1

0

INJECTION PUMP ASS'Y

SN: 10040-10515

1шт.

|$$3

THIS ASSEMBLY CONSISTS OF ALL PARTS SHOWN IN FIGS.0451 TO 0462.

-1шт.

|$$4

THE ZEXEL PART NUMBER IS THAT DK IS REMOVED FROM KOMATSU PART NUMBER LISTED BELOW.

-1шт.

|$4

DK105445-0640

GOVERNOR ASS'Y

SN: 10040-10515

1шт.

|$$6

THIS ASSEMBLY CONSISTS OF ALL PARTS SHOWN IN FIGS.0461 AND 0462.

-1шт.

1

DK029241-0020

NUT

SN: 10040-10515

1шт.

2

DK154522-1120

COVER

SN: 10040-10515

1шт.

3

DK154204-2800

BUSHING

SN: 10040-10515

1шт.

4

DK029621-0080

SEAL,OIL

SN: 10040-10515

1шт.

5

DK154031-3900

SCREW

SN: 10040-10515

1шт.

6

DK029201-0160

NUT

SN: 10040-10515

1шт.

7

DK154036-0400

PLUG

SN: 10040-10515

2шт.

8

DK010038-9140

BOLT

SN: 10040-10515

4шт.

9

DK139008-0500

BOLT

SN: 10040-10515

2шт.

10

DK154034-2100

BOLT

SN: 10040-10515

1шт.

11

DK010038-2840

BOLT

SN: 10040-10515

2шт.

12

DK014110-8410

WASHER,SPRING

SN: 10040-10515

8шт.

13

DK154060-4200

COVER

SN: 10040-10515

1шт.

14

DK029020-6210

BOLT

SN: 10040-10515

2шт.

15

DK020006-1640

BOLT

SN: 10040-10515

2шт.

16

DK154150-9520

SPRING

SN: 10040-10515

1шт.

17

DK154158-2620

CAPSULE,SPRING

SN: 10040-10515

1шт.

18

DK139226-0000

NUT

SN: 10040-10515

1шт.

19

DK029332-6030

GASKET

SN: 10040-10515

2шт.

20

DK154159-1600

NUT,CAP

SN: 10040-10515

1шт.

21

DK154200-6120

LEVER,SWIVEL

SN: 10040-10515

1шт.

22

DK154204-2500

BUSHING

SN: 10040-10515

1шт.

23

DK029631-8020

O-RING

SN: 10040-10515

2шт.

24

DK016010-2010

RING,SNAP

SN: 10040-10515

2шт.

25

DK139614-0100

SEAL,OIL

SN: 10040-10515

1шт.

26

DK029311-4080

SHIM, 0.1MM

SN: 10040-10515

-2шт.

26

DK029311-4040

SHIM, 0.3MM

SN: 10040-10515

-2шт.

26

DK029311-4050

SHIM, 0.4MM

SN: 10040-10515

-2шт.

26

DK029311-4060

SHIM, 0.5MM

SN: 10040-10515

-2шт.

27

DK154204-2600

BUSHING

SN: 10040-10515

1шт.

28

DK025803-1310

KEY, 13MM

SN: 10040-10515

1шт.

29

DK154237-0300

PIN

SN: 10040-10515

1шт.

30

DK154347-8020

LEVER

SN: 10040-10515

1шт.

31

DK154350-2000

GASKET

SN: 10040-10515

1шт.

32

DK029635-5010

O-RING

SN: 10040-10515

1шт.

33

DK154400-7420

DIAPHRAGM

SN: 10040-10515

1шт.

34

DK154401-3800

ROD,PUSH

SN: 10040-10515

1шт.

35

DK029330-8050

GASKET

SN: 10040-10515

2шт.

36

DK023040-6040

NUT

SN: 10040-10515

1шт.

37

DK154402-9400

SPRING

SN: 10040-10515

1шт.

38

DK154404-3900

COVER

SN: 10040-10515

1шт.

39

DK020106-2240

BOLT

SN: 10040-10515

2шт.

40

DK154404-1100

SCREW

SN: 10040-10515

1шт.

41

DK023040-6040

NUT

SN: 10040-10515

1шт.

42

DK029731-0120

BOLT,EYE

SN: 10040-10515

1шт.

43

DK029341-0110

GASKET

SN: 10040-10515

2шт.

44

DK029312-0210

SHIM, 0.2MM

SN: 10040-10515

-2шт.

44

DK029312-0180

SHIM, 0.5MM

SN: 10040-10515

-2шт.

45

DK154035-0320

NUT,CAP

SN: 10040-10515

1шт.

46

DK029320-6010

WASHER,SPRING

SN: 10040-10515

1шт.

47

DK154352-0700

GASKET

SN: 10040-10515

2шт.

48

DK029010-6310

BOLT

SN: 10040-10515

1шт.

49

DK154159-1700

NUT

SN: 10040-10515

1шт.

50

DK154356-6100

PLUG

SN: 10040-10515

1шт.

51

DK131002-3800

ADAPTER

SN: 10040-10515

1шт.

52

DK029341-2140

GASKET

SN: 10040-10515

2шт.

53

DK029711-2350

EYE

SN: 10040-10515

1шт.

54

DK029731-2240

BOLT,EYE

SN: 10040-10515

1шт.

55

DK029311-0470

SHIM

SN: 10040-10515

6шт.

56

DK029311-0650

SHIM, 0.20MM

SN: 10040-10515

-2шт.

56

DK029311-0660

SHIM, 0.25MM

SN: 10040-10515

-2шт.

56

DK029311-0670

SHIM, 0.30MM

SN: 10040-10515

-2шт.

56

DK029311-0680

SHIM, 0.35MM

SN: 10040-10515

-2шт.

56

DK029311-0690

SHIM, 0.40MM

SN: 10040-10515

-2шт.

56

DK029311-0700

SHIM, 0.50MM

SN: 10040-10515

-2шт.

56

DK139410-1400

SHIM, 0.70MM

SN: 10040-10515

-2шт.

56

DK139410-1600

SHIM, 0.80MM

SN: 10040-10515

-2шт.

56

DK139410-1500

SHIM, 0.90MM

SN: 10040-10515

-2шт.

56

DK029311-0640

SHIM, 0.95MM

SN: 10040-10515

-2шт.

57

DK154366-4120

LEVER

SN: 10040-10515

1шт.

58

DK154010-2300

SCREW

SN: 10040-10515

2шт.

59

DK029240-8000

NUT

SN: 10040-10515

2шт.

60

DK025802-1010

KEY

SN: 10040-10515

1шт.

Выбрано товаров: 158