Запчасти Komatsu SA8V170-1C НАТЯЖНОЙ РОЛИК И КРЕПЛЕНИЕ СИСТЕМА ОХЛАЖДЕНИЯ

Схема запчастей Komatsu SA8V170-1C - НАТЯЖНОЙ РОЛИК И КРЕПЛЕНИЕ СИСТЕМА ОХЛАЖДЕНИЯ
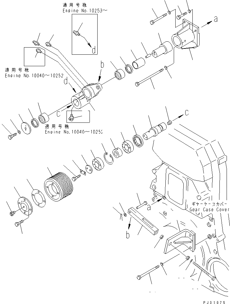
1
2
3
4
5
6
7
7
8
8
9
10
11
11
12
12
13
14
15
16
17
17
18
19
20
21
22
23
24
25
26
27
28
29
30
30
31
32
33
34
35
36
37
38
39
40
41
42
43
1
2
3
4
5
6
7
7
8
8
9
10
11
11
12
12
13
14
15
16
17
17
18
19
20
21
22
23
24
25
26
27
28
29
30
30
31
32
33
34
35
36
37
38
39
40
41
42
43
FIT
1:1
100%

Артикул

Название

Примечание

Количество

|$0

6164-61-3800

TENSION ASS'Y

SN: 10040-UP

1шт.

|$1

6164-61-3880

BRACKET ASS'Y

SN: 10040-UP

1шт.

1

6164-61-3830

BRACKET

SN: 10040-UP

1шт.

2

6715-61-3720

SHAFT

SN: 10040-UP

1шт.

3

04020-00514

PIN,DOWEL

SN: 10040-UP

1шт.

|$5

6164-61-3870

LEVER ASS'Y

SN: 10040-UP

1шт.

4

6164-61-3820

LEVER

SN: 10040-UP

1шт.

5

6715-61-3840

SHAFT

SN: 10040-UP

1шт.

6

07043-00108

PLUG

SN: 10040-UP

1шт.

7

07020-00000

FITTING,GREASE

SN: 10253-UP

2шт.

7

07020-00000

FITTING,GREASE

SN: 10040-10252

1шт.

8

07029-00000

VALVE

SN: 10253-UP

1шт.

8

07029-00000

VALVE

SN: 10040-10252

2шт.

9

07020-00900

FITTING,GREASE

SN: 10040-10252

1шт.

10

6715-61-3920

RACE

SN: 10040-UP

1шт.

11

06120-05025

BEARING

SN: 10040-UP

2шт.

12

06122-05004

SEAL,BEARING (K2)

SN: 10040-UP

2шт.

13

6162-62-3780

PLATE

SN: 10040-UP

1шт.

14

01050-31020

BOLT

SN: 10040-UP

1шт.

15

01653-21012

WASHER,LOCK (K2)

SN: 10040-UP

1шт.

16

6162-62-3750

SPACER

SN: 10040-UP

1шт.

17

06000-06208

BEARING

SN: 10040-UP

2шт.

18

04065-08025

RING,SNAP

SN: 10040-UP

1шт.

19

07012-00058

SEAL,OIL (K2)

SN: 10040-UP

1шт.

20

6162-62-3830

COVER

SN: 10040-UP

1шт.

21

01010-30820

BOLT

SN: 10040-UP

2шт.

22

6162-62-3790

PLATE,LOCK (K2)

SN: 10040-UP

1шт.

23

6164-61-3810

PULLEY

SN: 10040-UP

1шт.

24

6166-61-2730

COVER

SN: 10040-UP

1шт.

25

07029-00000

VALVE

SN: 10040-UP

1шт.

26

6162-62-3740

GASKET (K2)

SN: 10040-UP

1шт.

27

6127-41-1150

BOLT

SN: 10040-UP

4шт.

28

01010-31240

BOLT

SN: 10040-UP

1шт.

29

01011-31245

BOLT

SN: 10040-UP

1шт.

30

01602-01236

WASHER,SPRING

SN: 10040-UP

2шт.

31

6164-61-3850

BOLT

SN: 10040-UP

1шт.

32

01602-01442

WASHER,SPRING

SN: 10040-UP

1шт.

33

6164-61-3760

BRACKET

SN: 10040-UP

1шт.

34

01011-31490

BOLT

SN: 10351-UP

2шт.

34

01011-31495

BOLT

SN: 10040-10350

2шт.

35

01602-01442

WASHER,SPRING

SN: 10040-10350

2шт.

36

6164-61-3750

YOKE

SN: 10040-UP

1шт.

37

01582-01815

NUT

SN: 10040-UP

1шт.

38

6164-61-3770

BOLT

SN: 10040-UP

1шт.

39

01643-21845

WASHER

SN: 10040-UP

1шт.

40

6164-61-3780

WASHER

SN: 10040-UP

1шт.

41

04205-11448

PIN

SN: 10351-UP

1шт.

41

0

PIN

SN: 10040-10350

1шт.

42

01641-21423

WASHER

SN: 10040-UP

1шт.

43

04050-24028

PIN,COTTER

SN: 10040-UP

1шт.

|$0

6164-61-3800

TENSION ASS'Y

SN: 10040-UP

1шт.

|$1

6164-61-3880

BRACKET ASS'Y

SN: 10040-UP

1шт.

1

6164-61-3830

BRACKET

SN: 10040-UP

1шт.

2

6715-61-3720

SHAFT

SN: 10040-UP

1шт.

3

04020-00514

PIN,DOWEL

SN: 10040-UP

1шт.

|$5

6164-61-3870

LEVER ASS'Y

SN: 10040-UP

1шт.

4

6164-61-3820

LEVER

SN: 10040-UP

1шт.

5

6715-61-3840

SHAFT

SN: 10040-UP

1шт.

6

07043-00108

PLUG

SN: 10040-UP

1шт.

7

07020-00000

FITTING,GREASE

SN: 10253-UP

2шт.

7

07020-00000

FITTING,GREASE

SN: 10040-10252

1шт.

8

07029-00000

VALVE

SN: 10253-UP

1шт.

8

07029-00000

VALVE

SN: 10040-10252

2шт.

9

07020-00900

FITTING,GREASE

SN: 10040-10252

1шт.

10

6715-61-3920

RACE

SN: 10040-UP

1шт.

11

06120-05025

BEARING

SN: 10040-UP

2шт.

12

06122-05004

SEAL,BEARING (K2)

SN: 10040-UP

2шт.

13

6162-62-3780

PLATE

SN: 10040-UP

1шт.

14

01050-31020

BOLT

SN: 10040-UP

1шт.

15

01653-21012

WASHER,LOCK (K2)

SN: 10040-UP

1шт.

16

6162-62-3750

SPACER

SN: 10040-UP

1шт.

17

06000-06208

BEARING

SN: 10040-UP

2шт.

18

04065-08025

RING,SNAP

SN: 10040-UP

1шт.

19

07012-00058

SEAL,OIL (K2)

SN: 10040-UP

1шт.

20

6162-62-3830

COVER

SN: 10040-UP

1шт.

21

01010-30820

BOLT

SN: 10040-UP

2шт.

22

6162-62-3790

PLATE,LOCK (K2)

SN: 10040-UP

1шт.

23

6164-61-3810

PULLEY

SN: 10040-UP

1шт.

24

6166-61-2730

COVER

SN: 10040-UP

1шт.

25

07029-00000

VALVE

SN: 10040-UP

1шт.

26

6162-62-3740

GASKET (K2)

SN: 10040-UP

1шт.

27

6127-41-1150

BOLT

SN: 10040-UP

4шт.

28

01010-31240

BOLT

SN: 10040-UP

1шт.

29

01011-31245

BOLT

SN: 10040-UP

1шт.

30

01602-01236

WASHER,SPRING

SN: 10040-UP

2шт.

31

6164-61-3850

BOLT

SN: 10040-UP

1шт.

32

01602-01442

WASHER,SPRING

SN: 10040-UP

1шт.

33

6164-61-3760

BRACKET

SN: 10040-UP

1шт.

34

01011-31490

BOLT

SN: 10351-UP

2шт.

34

01011-31495

BOLT

SN: 10040-10350

2шт.

35

01602-01442

WASHER,SPRING

SN: 10040-10350

2шт.

36

6164-61-3750

YOKE

SN: 10040-UP

1шт.

37

01582-01815

NUT

SN: 10040-UP

1шт.

38

6164-61-3770

BOLT

SN: 10040-UP

1шт.

39

01643-21845

WASHER

SN: 10040-UP

1шт.

40

6164-61-3780

WASHER

SN: 10040-UP

1шт.

41

04205-11448

PIN

SN: 10351-UP

1шт.

41

0

PIN

SN: 10040-10350

1шт.

42

01641-21423

WASHER

SN: 10040-UP

1шт.

43

04050-24028

PIN,COTTER

SN: 10040-UP

1шт.

Выбрано товаров: 100