Запчасти Komatsu SA8V170-1C КОМПРЕССОР И КРЕПЛЕНИЕ АКСЕССУАРЫ

Схема запчастей Komatsu SA8V170-1C - КОМПРЕССОР И КРЕПЛЕНИЕ АКСЕССУАРЫ
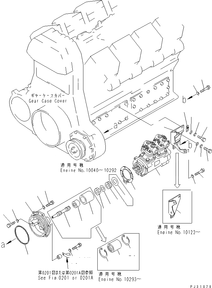
1
2
3
4
5
6
7
8
9
10
11
12
13
14
14A
15
15
16
16
17
18
19
20
20
21
21
22
22
23
23
24
25
25
1
2
3
4
5
6
7
8
9
10
11
12
13
14
14A
15
15
16
16
17
18
19
20
20
21
21
22
22
23
23
24
25
25
FIT
1:1
100%

Артикул

Название

Примечание

Количество

1

6165-91-1005

AIR COMPRESSOR ASS'Y,(SEE FIG.0711B)

SN: 10293-UP

1шт.

|1

0

AIR COMPRESSOR ASS'Y,(SEE FIG.0711A)

SN: (10293-10436)

1шт.

|1

0

AIR COMPRESSOR ASS'Y,(SEE FIG.0711)

SN: 10246-10292

1шт.

|1

0

AIR COMPRESSOR ASS'Y,(SEE FIG.0711)

SN: 10040-10245

1шт.

2

6164-81-6110

CASE

SN: 10040-UP

1шт.

3

6710-91-2222

GASKET (K8)

SN: 10040-UP

1шт.

4

01010-31235

BOLT

SN: 10040-UP

4шт.

5

01602-01230

WASHER,SPRING

SN: 10040-UP

4шт.

6

6164-91-1640

COUPLING

SN: 10040-UP

1шт.

7

6164-91-1630

WASHER

SN: 10040-10292

1шт.

8

232-64-12160

NUT

SN: 10040-UP

1шт.

9

6164-91-1650

WASHER

SN: 10293-UP

1шт.

|9

135-94-51530

WASHER

SN: 10040-10292

1шт.

|10

6164-91-1600

COUPLING ASS'Y

SN: 10040-10292

1шт.

10

0

COUPLING

SN: 10040-10292

1шт.

11

0

COUPLING

SN: 10040-10292

1шт.

12

6164-91-1670

SHAFT

SN: 10040-10292

1шт.

13

6164-21-3831

O-RING (K8)

SN: 10253-UP

1шт.

|13

6164-21-3830

O-RING (K8)

SN: 10040-10252

1шт.

14

01010-31030

BOLT

SN: 10040-UP

5шт.

14A

01010-31035

BOLT

SN: 10040-UP

1шт.

15

01602-01030

WASHER,SPRING

SN: 10040-UP

6шт.

16

6166-21-9512

BRACKET

SN: 10437-UP

1шт.

|16

0

BRACKET

SN: 10122-10436

1шт.

|16

0

BRACKET

SN: 10040-10121

1шт.

17

426-06-11570

BRACKET

SN: 10117-UP

1шт.

18

01010-31035

BOLT

SN: 10117-UP

1шт.

|18

01010-31030

BOLT

SN: 10040-10116

1шт.

19

01010-31030

BOLT

SN: 10040-UP

2шт.

20

01602-01030

WASHER,SPRING

SN: 10040-UP

3шт.

21

01643-31032

WASHER

SN: 10040-UP

3шт.

22

01010-31240

BOLT

SN: 10122-UP

2шт.

|22

01010-31240

BOLT

SN: 10040-10121

3шт.

23

01602-01236

WASHER,SPRING

SN: 10122-UP

2шт.

|23

01602-01236

WASHER,SPRING

SN: 10040-10121

3шт.

24

6164-91-1612

COUPLING

SN: 10293-UP

1шт.

25

04065-05020

RING,SNAP

SN: 10293-UP

2шт.

1

6165-91-1005

AIR COMPRESSOR ASS'Y,(SEE FIG.0711B)

SN: 10293-UP

1шт.

|1

0

AIR COMPRESSOR ASS'Y,(SEE FIG.0711A)

SN: (10293-10436)

1шт.

|1

0

AIR COMPRESSOR ASS'Y,(SEE FIG.0711)

SN: 10246-10292

1шт.

|1

0

AIR COMPRESSOR ASS'Y,(SEE FIG.0711)

SN: 10040-10245

1шт.

2

6164-81-6110

CASE

SN: 10040-UP

1шт.

3

6710-91-2222

GASKET (K8)

SN: 10040-UP

1шт.

4

01010-31235

BOLT

SN: 10040-UP

4шт.

5

01602-01230

WASHER,SPRING

SN: 10040-UP

4шт.

6

6164-91-1640

COUPLING

SN: 10040-UP

1шт.

7

6164-91-1630

WASHER

SN: 10040-10292

1шт.

8

232-64-12160

NUT

SN: 10040-UP

1шт.

9

6164-91-1650

WASHER

SN: 10293-UP

1шт.

|9

135-94-51530

WASHER

SN: 10040-10292

1шт.

|10

6164-91-1600

COUPLING ASS'Y

SN: 10040-10292

1шт.

10

0

COUPLING

SN: 10040-10292

1шт.

11

0

COUPLING

SN: 10040-10292

1шт.

12

6164-91-1670

SHAFT

SN: 10040-10292

1шт.

13

6164-21-3831

O-RING (K8)

SN: 10253-UP

1шт.

|13

6164-21-3830

O-RING (K8)

SN: 10040-10252

1шт.

14

01010-31030

BOLT

SN: 10040-UP

5шт.

14A

01010-31035

BOLT

SN: 10040-UP

1шт.

15

01602-01030

WASHER,SPRING

SN: 10040-UP

6шт.

16

6166-21-9512

BRACKET

SN: 10437-UP

1шт.

|16

0

BRACKET

SN: 10122-10436

1шт.

|16

0

BRACKET

SN: 10040-10121

1шт.

17

426-06-11570

BRACKET

SN: 10117-UP

1шт.

18

01010-31035

BOLT

SN: 10117-UP

1шт.

|18

01010-31030

BOLT

SN: 10040-10116

1шт.

19

01010-31030

BOLT

SN: 10040-UP

2шт.

20

01602-01030

WASHER,SPRING

SN: 10040-UP

3шт.

21

01643-31032

WASHER

SN: 10040-UP

3шт.

22

01010-31240

BOLT

SN: 10122-UP

2шт.

|22

01010-31240

BOLT

SN: 10040-10121

3шт.

23

01602-01236

WASHER,SPRING

SN: 10122-UP

2шт.

|23

01602-01236

WASHER,SPRING

SN: 10040-10121

3шт.

24

6164-91-1612

COUPLING

SN: 10293-UP

1шт.

25

04065-05020

RING,SNAP

SN: 10293-UP

2шт.

Выбрано товаров: 74