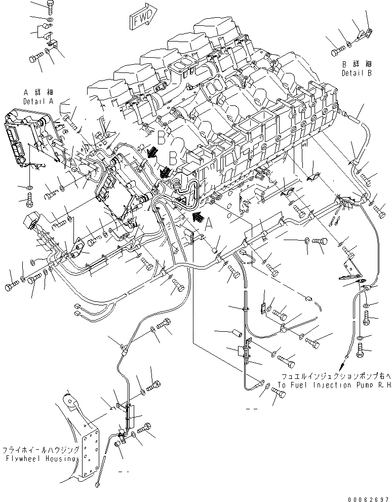
Запчасти Komatsu SAA12V140E-3B-02 ЭЛЕКТР. ЭЛЕКТРОПРОВОДКА (/) (ОСНОВН. Э/ПРОВОДКА ГРУППА)(№-) ДВИГАТЕЛЬ

Схема запчастей Komatsu SAA12V140E-3B-02 - ЭЛЕКТР. ЭЛЕКТРОПРОВОДКА (/) (ОСНОВН. Э/ПРОВОДКА ГРУППА)(№-) ДВИГАТЕЛЬ
1
2
3
4
5
6
7
8
8
8
9
10
11
12
12
12
12
13
14
14
14
14
14
14
15
16
16
16
16
17
17
18
18
18
18
18
18
19
19
19
19
19
19
20
20
20
20
20
20
20
20
20
21
21
21
21
21
22
22
22
22
22
22
22
22
22
22
22
22
22
23
24
25
26
26
26
27
28
28
29
29
30
30
31
32
33
34
35
36
37
38
38
39
39
39
40
40
41
42
43
44
FIT
1:1
100%

Артикул

Название

Примечание

Количество

1

6219-81-8421

WIRING HARNESS

SN: 500172-UP

1шт.

1

6219-81-8420

WIRING HARNESS

SN: 500013-500171

1шт.

2

6219-81-8490

BRACKET

SN: 500013-UP

1шт.

3

01010-80820

BOLT

SN: 500013-UP

2шт.

4

01643-30823

WASHER

SN: 500013-UP

2шт.

5

6219-81-8470

BRACKET

SN: 500013-UP

1шт.

6

01010-81030

BOLT

SN: 500013-UP

1шт.

7

01643-31032

WASHER

SN: 500013-UP

1шт.

8

6218-81-8480

BAND

SN: 500013-UP

10шт.

9

6934-71-5860

BRACKET

SN: 500013-UP

1шт.

10

01010-81035

BOLT

SN: 500013-UP

1шт.

11

01643-31032

WASHER

SN: 500013-UP

1шт.

12

600-051-2060

CLIP

SN: 500013-UP

4шт.

13

600-051-2080

CLIP

SN: 500013-UP

2шт.

14

600-051-2100

CLIP

SN: 500013-UP

9шт.

15

600-051-2160

CLIP

SN: 500013-UP

1шт.

16

600-051-2120

CLIP

SN: 501131-UP

7шт.

16

600-051-2120

CLIP

SN: 500013-501130

8шт.

17

600-051-2180

CLIP

SN: 500013-UP

2шт.

18

01010-81025

BOLT

SN: 500013-UP

6шт.

19

01643-31032

WASHER

SN: 500013-UP

6шт.

20

01010-81020

BOLT

SN: 500013-UP

13шт.

21

01010-81016

BOLT

SN: 500013-UP

7шт.

22

01643-31032

WASHER

SN: 500013-UP

19шт.

23

6142-22-4640

SPACER

SN: 500013-UP

1шт.

24

01010-81055

BOLT

SN: 500013-UP

1шт.

25

01643-31032

WASHER

SN: 500013-UP

1шт.

26

6218-81-8480

BAND

SN: 500013-UP

6шт.

27

6219-81-7860

BRACKET

SN: 500013-UP

1шт.

28

6152-11-4970

SPACER

SN: 500013-UP

2шт.

29

01010-81045

BOLT

SN: 500013-UP

2шт.

30

01643-31032

WASHER

SN: 500013-UP

2шт.

31

6210-11-5820

SPACER

SN: 500013-UP

1шт.

32

01010-81045

BOLT

SN: 500013-UP

1шт.

33

01643-31032

WASHER

SN: 500013-UP

1шт.

34

6219-81-7920

BRACKET

SN: 500013-UP

1шт.

35

01010-81035

BOLT

SN: 500172-UP

1шт.

35

01010-81070

BOLT

SN: 500013-500171

1шт.

36

6131-12-5920

SPACER

SN: 500172-UP

1шт.

36

6152-51-5520

SPACER

SN: 500013-500171

1шт.

37

01643-31032

WASHER

SN: 500013-UP

1шт.

38

6218-81-8480

BAND

SN: 500013-UP

5шт.

39

6212-85-2440

BRACKET

SN: 500013-UP

4шт.

40

6219-81-7851

BRACKET

SN: 500722-UP

2шт.

40

0

BRACKET

SN: 500013-500721

2шт.

41

01643-31032

WASHER

SN: 500013-UP

2шт.

42

01010-81030

BOLT

SN: 500013-UP

2шт.

43

01643-31032

WASHER

SN: 500013-UP

2шт.

44

08193-30010

CLIP

SN: 500013-UP

1шт.

Выбрано товаров: 49