Запчасти Komatsu SAA12V140E-3B-02 PRE СМАЗЫВАЮЩ. ЛИНИЯ(№8-) ДВИГАТЕЛЬ

Схема запчастей Komatsu SAA12V140E-3B-02 - PRE СМАЗЫВАЮЩ. ЛИНИЯ(№8-) ДВИГАТЕЛЬ
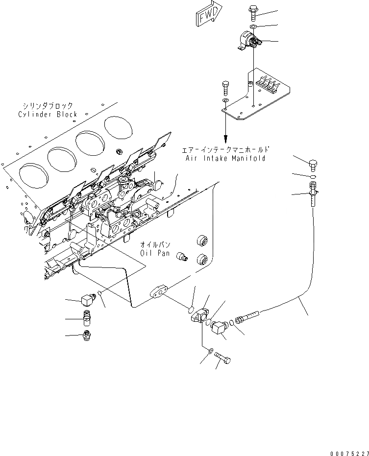
1
2
3
4
5
6
7
8
8
9
10
11
12
13
14
15
16
17
FIT
1:1
100%

Артикул

Название

Примечание

Количество

1

6219-51-2250

CONNECTOR

SN: 500801-UP

1шт.

2

01010-81035

BOLT

SN: 500801-UP

2шт.

3

01643-31032

WASHER

SN: 500801-UP

2шт.

4

07000-73028

O-RING

SN: 500801-UP

1шт.

5

569-43-84720

ELBOW

SN: 500801-UP

1шт.

6

07000-E3029

O-RING

SN: 500801-UP

1шт.

7

561-95-82360

HOSE

SN: 500801-UP

1шт.

8

6743-51-9950

O-RING

SN: 500801-UP

2шт.

9

21W-62-99895

PLUG

SN: 500801-UP

1шт.

10

08034-20536

BAND

SN: 500801-UP

1шт.

11

6215-51-5160

ELBOW

SN: 500801-UP

1шт.

12

07002-22034

O-RING

SN: 500801-UP

1шт.

13

6215-51-3200

VALVE

SN: 500801-UP

1шт.

14

561-95-82370

JOINT

SN: 500908-UP

1шт.

14

6215-51-5120

NIPPLE

SN: 500801-500907

1шт.

15

600-815-7510

SWITCH

SN: 500801-UP

1шт.

16

01010-80816

BOLT

SN: 501131-UP

2шт.

16

01435-00814

BOLT

SN: 500801-501130

2шт.

17

01643-30823

WASHER

SN: 500801-UP

2шт.

Выбрано товаров: 19