Запчасти Komatsu SAA12V140E-3B-02 ГОРНЫЙ ТОРМОЗ (БЕЗ ГОРНЫЙ ТОРМОЗ СПЕЦ-Я.)(№-) ДВИГАТЕЛЬ

Схема запчастей Komatsu SAA12V140E-3B-02 - ГОРНЫЙ ТОРМОЗ (БЕЗ ГОРНЫЙ ТОРМОЗ СПЕЦ-Я.)(№-) ДВИГАТЕЛЬ
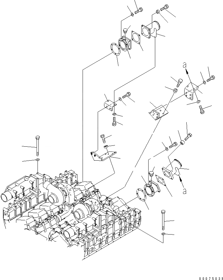
1
2
3
4
5
6
7
7
8
8
8
9
9
10
10
10
10
10
10
11
12
13
13
14
14
15
15
16
16
17
17
18
18
19
20
20
21
21
FIT
1:1
100%

Артикул

Название

Примечание

Количество

1

6219-11-5130

BRACKET

SN: 500013-UP

1шт.

2

6219-11-5160

BRACKET

SN: 500013-UP

1шт.

3

6219-11-5140

BRACKET

SN: 500013-UP

1шт.

4

6219-11-5150

BRACKET

SN: 500013-UP

1шт.

5

01010-E1045

BOLT

SN: 500013-UP

4шт.

6

01010-E1050

BOLT

SN: 500013-UP

4шт.

7

01020-11025

BOLT

SN: 500013-UP

12шт.

8

01010-E1035

BOLT

SN: 500013-UP

8шт.

9

6631-11-5630

SPACER

SN: 500013-UP

8шт.

10

01643-31032

WASHER

SN: 500013-UP

22шт.

11

6219-11-5110

CONNECTOR

SN: 500013-UP

1шт.

12

6219-11-5120

CONNECTOR

SN: 500013-UP

1шт.

13

6151-11-5751

GASKET (K1)

SN: 500051-UP

2шт.

13

6151-11-5751

GASKET (K1)

SN: 500013-500050

4шт.

14

6215-11-5920

PLUG

SN: 500013-UP

2шт.

15

01010-E1265

BOLT

SN: 500051-UP

8шт.

15

01010-E1260

BOLT

SN: 500013-500050

8шт.

16

6144-85-6550

SPACER

SN: 500013-UP

8шт.

17

6212-11-5940

GASKET (K1)

SN: 500013-UP

2шт.

18

6219-11-5241

TUBE

SN: 502204-UP

2шт.

18

0

TUBE

SN: 500013-502203

2шт.

19

01010-E1025

BOLT

SN: 500013-UP

2шт.

20

6165-71-6180

BOLT

SN: 500013-UP

4шт.

21

01643-31032

WASHER

SN: 500013-UP

4шт.

Выбрано товаров: 24