Запчасти Komatsu SAA12V140E-3B-02 КОРПУС ШЕСТЕРЕНН. ПЕРЕДАЧИ И ЭЛЕМЕНТЫ ПЕРЕДН. КРЫШКИ(№-) ДВИГАТЕЛЬ

Схема запчастей Komatsu SAA12V140E-3B-02 - КОРПУС ШЕСТЕРЕНН. ПЕРЕДАЧИ И ЭЛЕМЕНТЫ ПЕРЕДН. КРЫШКИ(№-) ДВИГАТЕЛЬ
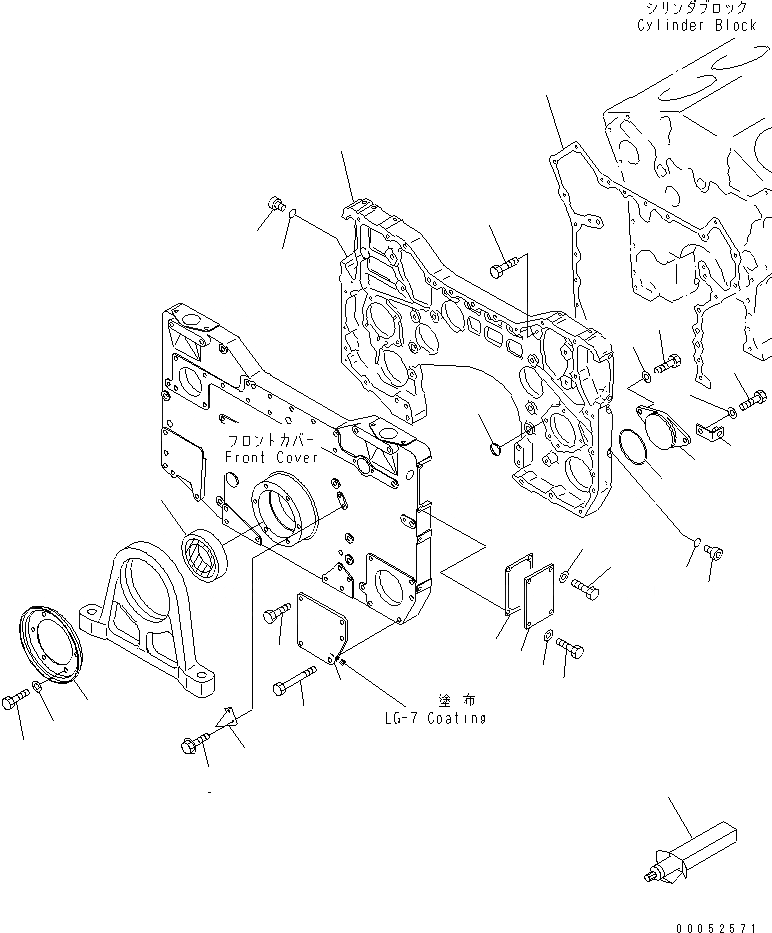
1
2
3
3
4
4
5
6
7
8
9
10
11
12
13
14
15
16
17
18
19
19
20
21
22
23
24
24
25
25
26
FIT
1:1
100%

Артикул

Название

Примечание

Количество

1

6215-71-3711

COVER

SN: 500013-UP

1шт.

2

6215-81-6190

GASKET (K2)

SN: 500013-UP

1шт.

3

01010-81025

BOLT

SN: 500013-UP

3шт.

4

01643-31032

WASHER

SN: 500013-UP

3шт.

5

6215-21-3350

POINTER

SN: 500013-UP

1шт.

6

01435-00610

BOLT

SN: 500013-UP

2шт.

7

6245-21-3121

SEAL, FRONT (K2)

SN: 500184-UP

1шт.

7

6245-21-3120

SEAL, FRONT (K2)

SN: 500013-500183

1шт.

8

6219-21-3510

COVER

SN: 500013-UP

1шт.

9

01010-81220

BOLT

SN: 500013-UP

6шт.

10

01643-31232

WASHER

SN: 500013-UP

6шт.

11

6215-21-1850

COVER

SN: 500013-UP

1шт.

12

6219-21-1810

COVER

SN: 500013-UP

1шт.

13

01010-81285

BOLT

SN: 500496-UP

4шт.

13

01010-81280

BOLT

SN: 500013-500495

4шт.

14

01010-81225

BOLT

SN: 500496-UP

1шт.

14

01010-81220

BOLT

SN: 500013-500495

1шт.

15

07000-72100

O-RING (K2)

SN: 500013-UP

1шт.

16

6215-51-5870

BRACKET

SN: 500013-UP

1шт.

17

01010-81235

BOLT

SN: 500013-UP

1шт.

18

01010-81230

BOLT

SN: 500013-UP

1шт.

19

01643-31232

WASHER

SN: 500013-UP

2шт.

20

6219-21-3110

CASE,GEAR

SN: 500013-UP

1шт.

21

07046-11816

PLUG

SN: 500013-UP

10шт.

22

6215-21-3821

GASKET

SN: 500345-UP

1шт.

22

0

GASKET (K2)

SN: 500013-500344

1шт.

23

01010-81230

BOLT

SN: 500013-UP

13шт.

24

6215-81-9510

PLUG

SN: 500013-UP

4шт.

25

6215-81-9710

O-RING (K2)

SN: 500013-UP

4шт.

26

09920-00150

LIQUID GASKET,LG-7, 150G

SN: 500013-UP

-2шт.

Выбрано товаров: 30