Запчасти Komatsu SAA12V140E-3B-02 ПРЕДПУСК. ПОДОГРЕВ ПЕРЕКЛЮЧАТЕЛЬ (PRE-LUB СПЕЦ-Я.)(№8-) ДВИГАТЕЛЬ

Схема запчастей Komatsu SAA12V140E-3B-02 - ПРЕДПУСК. ПОДОГРЕВ ПЕРЕКЛЮЧАТЕЛЬ (PRE-LUB СПЕЦ-Я.)(№8-) ДВИГАТЕЛЬ
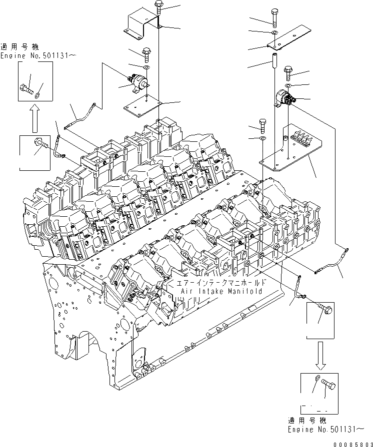
1
2
3
4
5
6
7
8
9
10
11
12
13
14
15
16
17
18
19
19
20
20
20
20
21
21
FIT
1:1
100%

Артикул

Название

Примечание

Количество

1

600-815-2690

SWITCH,HEATER

SN: 500801-UP

1шт.

2

01010-80812

BOLT

SN: 501131-UP

2шт.

2

01435-00812

BOLT

SN: 500801-501130

2шт.

3

01643-30823

WASHER

SN: 500801-UP

2шт.

4

6219-81-8610

PLATE

SN: 500801-UP

1шт.

5

6219-81-6670

COVER

SN: 500801-UP

1шт.

6

01435-01025

BOLT

SN: 500801-UP

4шт.

7

6219-81-8140

WIRE, 260MM

SN: 500801-UP

1шт.

8

600-815-2690

SWITCH,HEATER

SN: 500801-UP

1шт.

9

01010-80816

BOLT

SN: 501131-UP

2шт.

9

01435-00814

BOLT

SN: 500801-501130

2шт.

10

01643-30823

WASHER

SN: 500801-UP

2шт.

11

6219-81-6390

BRACKET

SN: 500801-UP

1шт.

12

01010-81030

BOLT

SN: 500801-UP

3шт.

13

01643-31032

WASHER

SN: 500801-UP

3шт.

14

6219-81-6370

COVER

SN: 500801-UP

1шт.

15

6150-71-7130

COLLAR

SN: 500801-UP

2шт.

16

01011-81015

BOLT

SN: 500801-UP

2шт.

17

01643-31032

WASHER

SN: 500801-UP

2шт.

18

6219-81-8140

WIRE, 260MM

SN: 500801-UP

1шт.

19

6219-81-8180

WIRE

SN: 500801-UP

2шт.

20

01010-81020

BOLT

SN: 501131-UP

2шт.

20

01435-01016

BOLT

SN: 500801-501130

2шт.

21

01643-31032

WASHER

SN: 501131-UP

2шт.

Выбрано товаров: 24