Запчасти Komatsu SAA12V140E-3B ТЕРМОЗАЩИТА(№-) ДВИГАТЕЛЬ

Схема запчастей Komatsu SAA12V140E-3B - ТЕРМОЗАЩИТА(№-) ДВИГАТЕЛЬ
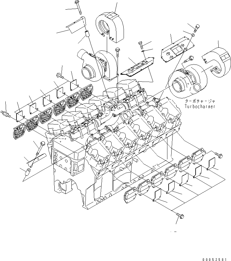
1
1
2
2
3
3
4
5
6
6
7
7
8
8
8
9
9
9
9
9
9
9
9
10
10
11
12
12
FIT
1:1
100%

Артикул

Название

Примечание

Количество

1

6219-11-5780

COVER

SN: 500013-UP

2шт.

2

01010-E1040

BOLT

SN: 500013-UP

8шт.

3

01643-31032

WASHER

SN: 500013-UP

8шт.

4

6261-11-8280

COVER,TURBINE¤ R.H.

SN: 500013-UP

1шт.

5

6219-11-8240

COVER,TURBINE¤ L.H.

SN: 500013-UP

1шт.

6

6219-11-5790

PLATE

SN: 500013-UP

2шт.

7

6137-71-3750

SPACER

SN: 500013-UP

4шт.

8

01435-00895

BOLT

SN: 500013-UP

4шт.

9

6219-21-6410

PLATE

SN: 500013-UP

8шт.

10

6219-21-6420

PLATE

SN: 500013-UP

2шт.

11

6219-21-6450

BOLT

SN: 500013-UP

1шт.

12

01435-01025

BOLT

SN: 500013-UP

19шт.

Выбрано товаров: 12