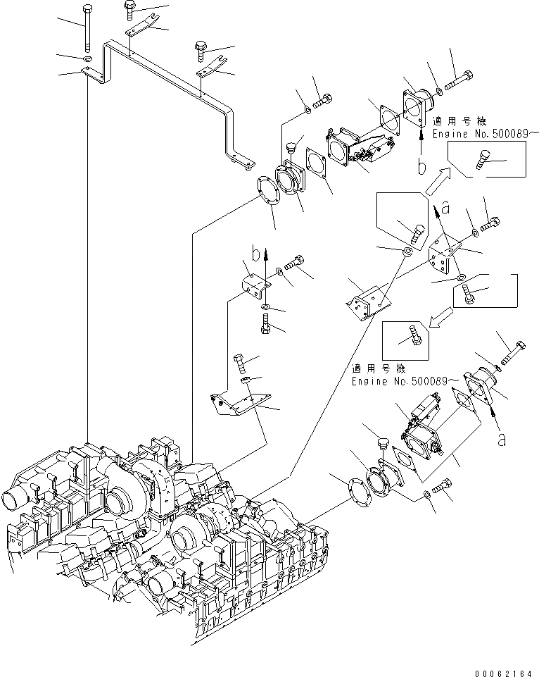
Запчасти Komatsu SAA12V140E-3B ГОРНЫЙ ТОРМОЗ И КРЕПЛЕНИЕ(№-) ДВИГАТЕЛЬ

Схема запчастей Komatsu SAA12V140E-3B - ГОРНЫЙ ТОРМОЗ И КРЕПЛЕНИЕ(№-) ДВИГАТЕЛЬ
1
1
2
3
4
5
6
6
7
8
8
8
8
9
10
10
11
12
12
12
12
12
12
13
14
15
15
15
16
16
17
17
18
18
19
19
20
20
21
22
23
24
25
25
26
27
FIT
1:1
100%

Артикул

Название

Примечание

Количество

1

6218-11-8103

EXHAUST BRAKE ASS'Y,(SEE FIG.A1650-B7A3)

SN: 500760-UP

2шт.

|$2

0

EXHAUST BRAKE ASS'Y,(SEE FIG.A1650-B7A3)

SN: 500013-500759

2шт.

2

6219-11-5130

BRACKET

SN: 500013-UP

1шт.

3

6219-11-5160

BRACKET

SN: 500013-UP

1шт.

4

6219-11-5140

BRACKET

SN: 500013-UP

1шт.

5

6219-11-5150

BRACKET

SN: 500013-UP

1шт.

6

01010-E1045

BOLT

SN: 500089-UP

4шт.

|$8

01010-E1045

BOLT

SN: 500013-500088

8шт.

7

01010-E1050

BOLT

SN: 500089-UP

4шт.

8

01020-11025

BOLT

SN: 500013-UP

12шт.

9

01010-E1035

BOLT

SN: 500089-UP

8шт.

|$12

01010-E1035

BOLT

SN: 500013-500088

6шт.

10

6631-11-5630

SPACER

SN: 500013-UP

8шт.

11

01010-E1030

BOLT

SN: 500013-500088

2шт.

12

01643-31032

WASHER

SN: 500013-UP

22шт.

13

6219-11-5110

CONNECTOR

SN: 500013-UP

1шт.

14

6219-11-5120

CONNECTOR

SN: 500013-UP

1шт.

15

6151-11-5751

GASKET (K1)

SN: 500013-UP

4шт.

16

6215-11-5920

PLUG

SN: 500013-UP

2шт.

17

6218-11-5140

CONNECTOR

SN: 500013-UP

2шт.

18

01011-E1245

BOLT

SN: 500013-UP

8шт.

19

01643-31232

WASHER

SN: 500013-UP

8шт.

20

6212-11-5940

GASKET (K1)

SN: 500013-UP

2шт.

21

01010-E1025

BOLT

SN: 500013-UP

2шт.

22

6219-11-9120

BRACKET

SN: 500013-UP

1шт.

23

6219-11-9130

BRACKET

SN: 500013-UP

1шт.

24

6219-11-9140

BRACKET

SN: 500013-UP

1шт.

25

01435-00825

BOLT

SN: 500013-UP

4шт.

26

6162-13-6530

BOLT

SN: 500013-UP

4шт.

27

01643-31032

WASHER

SN: 500013-UP

4шт.

Выбрано товаров: 30