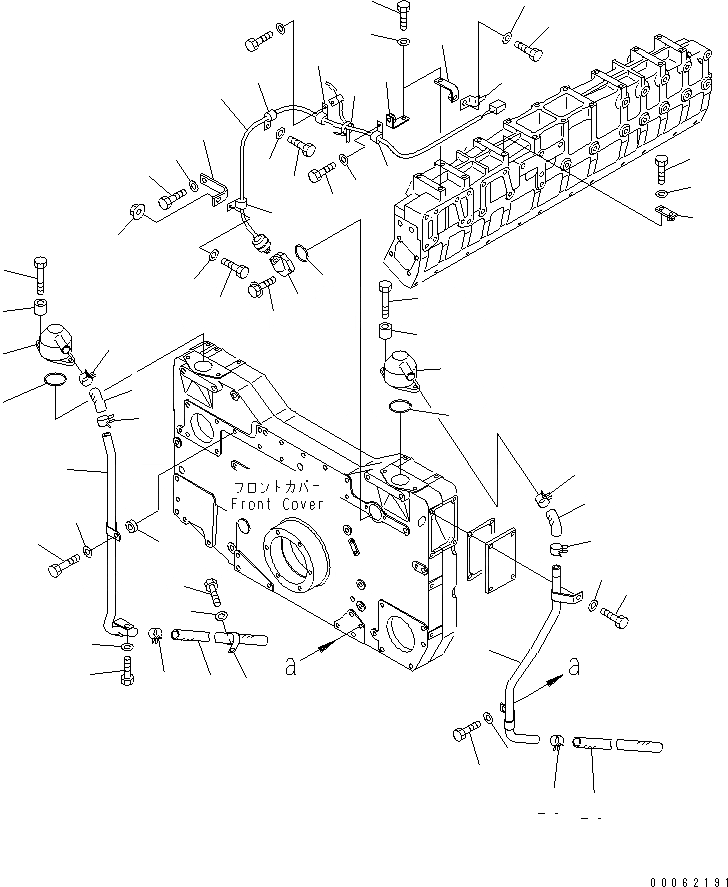
Запчасти Komatsu SAA12V140E-3B САПУН И ДАТЧИК ПРОРЫВА ГАЗОВ ЭЛЕКТРОПРОВОДКА(№-) ДВИГАТЕЛЬ

Схема запчастей Komatsu SAA12V140E-3B - САПУН И ДАТЧИК ПРОРЫВА ГАЗОВ ЭЛЕКТРОПРОВОДКА(№-) ДВИГАТЕЛЬ
1
2
3
4
5
6
6
7
8
9
10
11
12
12
13
14
15
16
17
18
19
20
21
22
22
23
24
25
26
27
28
29
30
31
32
33
34
35
36
37
38
39
40
41
42
43
44
45
46
47
47
48
48
49
50
51
52
53
53
54
54
FIT
1:1
100%

Артикул

Название

Примечание

Количество

1

6210-21-8711

BREATHER

SN: 500013-UP

1шт.

2

6631-11-5630

SPACER

SN: 500013-UP

2шт.

3

01010-81040

BOLT

SN: 500013-UP

2шт.

4

07000-72060

O-RING (K2)

SN: 500013-UP

1шт.

5

6130-61-6611

HOSE

SN: 500013-UP

1шт.

6

07285-00260

CLIP

SN: 500013-UP

2шт.

7

6219-21-8790

TUBE,R.H.

SN: 500013-UP

1шт.

8

07285-00220

CLIP

SN: 500047-UP

1шт.

|$11

07281-00359

CLAMP

SN: 500013-500046

1шт.

9

07287-01910

HOSE

SN: 500047-UP

1шт.

|$13

07260-22090

HOSE

SN: 500013-500046

1шт.

10

01010-81220

BOLT

SN: 500013-UP

2шт.

11

01010-81255

BOLT

SN: 500013-UP

1шт.

12

01643-31232

WASHER

SN: 500013-UP

1шт.

13

6127-11-5180

SPACER

SN: 500013-UP

1шт.

14

04434-52310

CLIP

SN: 500047-UP

1шт.

15

01010-81016

BOLT

SN: 500047-UP

1шт.

16

01643-31032

WASHER

SN: 500047-UP

1шт.

17

6210-21-8711

BREATHER

SN: 500013-UP

1шт.

18

6631-11-5630

SPACER

SN: 500013-UP

2шт.

19

01010-81040

BOLT

SN: 500013-UP

2шт.

20

07000-72060

O-RING (K2)

SN: 500013-UP

1шт.

21

6130-61-6611

HOSE

SN: 500013-UP

1шт.

22

07285-00260

CLIP

SN: 500013-UP

2шт.

23

01010-81220

BOLT

SN: 500013-UP

1шт.

24

01643-31232

WASHER

SN: 500013-UP

1шт.

25

07287-01910

HOSE

SN: 500013-UP

1шт.

26

07285-00220

CLIP

SN: 500013-UP

1шт.

27

6219-21-8780

TUBE,L.H.

SN: 500013-UP

1шт.

28

01010-81030

BOLT

SN: 500013-UP

1шт.

29

01643-31032

WASHER

SN: 500013-UP

1шт.

30

6218-81-4111

SENSOR ASS'Y,BLOWBY

SN: 500013-UP

1шт.

31

6215-11-6320

CONNECTOR

SN: 500013-UP

1шт.

32

07000-03050

O-RING (K2)

SN: 500013-UP

1шт.

33

01435-00620

BOLT

SN: 500013-UP

2шт.

34

6164-71-6491

BRACKET

SN: 500013-UP

1шт.

35

01010-81255

BOLT

SN: 500013-UP

1шт.

36

01643-31232

WASHER

SN: 500013-UP

1шт.

37

600-051-2100

CLIP

SN: 500091-UP

1шт.

|$49

600-051-2080

CLIP

SN: 500013-500090

1шт.

38

01010-81025

BOLT

SN: 500013-UP

1шт.

39

01643-31032

WASHER

SN: 500013-UP

1шт.

40

01584-01008

NUT

SN: 500013-UP

1шт.

41

600-051-2100

CLIP

SN: 500091-UP

1шт.

|$55

600-051-2080

CLIP

SN: 500013-500090

1шт.

42

01010-81030

BOLT

SN: 500013-UP

1шт.

43

01643-31032

WASHER

SN: 500013-UP

1шт.

44

600-051-2100

CLIP

SN: 500091-UP

1шт.

|$60

600-051-2080

CLIP

SN: 500013-500090

1шт.

45

6218-81-8480

BAND

SN: 500013-UP

1шт.

46

01010-81020

BOLT

SN: 500091-UP

1шт.

|$64

01010-81020

BOLT

SN: 500013-500090

2шт.

47

01643-31032

WASHER

SN: 500091-UP

3шт.

|$67

01643-31032

WASHER

SN: 500013-500090

5шт.

48

6204-23-5910

STAY

SN: 500091-UP

2шт.

|$70

6204-23-5910

STAY

SN: 500013-500090

3шт.

49

01010-81035

BOLT

SN: 500091-UP

2шт.

|$73

01010-81035

BOLT

SN: 500013-500090

3шт.

50

08193-20010

CLIP

SN: 500013-UP

1шт.

51

600-051-2100

CLIP

SN: 500091-UP

1шт.

|$76

600-051-2080

CLIP

SN: 500013-500090

2шт.

52

6212-85-2440

BRACKET

SN: 500013-UP

1шт.

53

01643-31032

WASHER

SN: 500013-UP

2шт.

54

01010-81025

BOLT

SN: 500013-UP

2шт.

Выбрано товаров: 64