Запчасти Komatsu SAA12V140E-3B УПРАВЛЕНИЕ ПОДАЧ. ТОПЛИВА(№-) ДВИГАТЕЛЬ

Схема запчастей Komatsu SAA12V140E-3B - УПРАВЛЕНИЕ ПОДАЧ. ТОПЛИВА(№-) ДВИГАТЕЛЬ
1
2
3
3
4
4
5
5
5
5
6
6
7
7
8
9
9
10
10
10
10
11
11
11
11
12
13
13
14
15
15
16
16
17
18
19
19
20
20
21
22
23
24
25
26
26
FIT
1:1
100%

Артикул

Название

Примечание

Количество

1

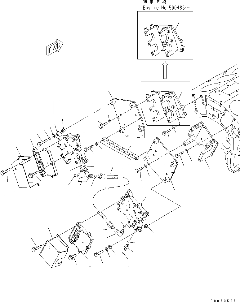
600-464-1201

CONTROLLER ASS'Y,L.H.

SN: 500262-UP

1шт.

|$3

600-464-1200

CONTROLLER ASS'Y,L.H.

SN: 500013-500261

1шт.

2

600-464-1270

CONTROLLER ASS'Y,R.H.

SN: 500013-UP

1шт.

3

01435-00845

BOLT

SN: 500013-UP

2шт.

4

6219-81-7100

COOLER,FUEL

SN: 500013-UP

2шт.

|$8

0

COVER

SN: 500013-UP

1шт.

|$9

0

CASE

SN: 500013-UP

1шт.

|$10

0

O-RING

SN: 500013-UP

1шт.

|$11

0

BOLT

SN: 500013-UP

21шт.

5

6251-81-7210

CUSHION

SN: 500013-UP

16шт.

6

01010-81050

BOLT

SN: 500013-UP

8шт.

7

01643-31032

WASHER

SN: 500013-UP

8шт.

8

6219-71-6280

UNION

SN: 500013-UP

1шт.

9

6219-71-6290

ELBOW

SN: 500013-UP

3шт.

10

07002-11823

O-RING (K2)

SN: 500176-UP

4шт.

|$19

07002-21823

O-RING (K2)

SN: 500013-500175

4шт.

11

02896-11018

O-RING (K2)

SN: 500176-UP

4шт.

|$21

02896-21018

O-RING (K2)

SN: 500013-500175

4шт.

12

02762-006A4

HOSE

SN: 500013-UP

1шт.

13

6219-81-6950

BRACKET,L.H.

SN: 500486-UP

1шт.

|$25

6219-81-6910

BRACKET,L.H.

SN: 500013-500485

1шт.

14

6219-81-6920

BRACKET,R.H.

SN: 500013-UP

1шт.

15

01010-81260

BOLT

SN: 500013-UP

10шт.

16

01643-31232

WASHER

SN: 500013-UP

10шт.

17

6219-81-6930

BRACKET,L.H.

SN: 500013-UP

1шт.

18

6219-81-6940

BRACKET,R.H.

SN: 500013-UP

1шт.

19

01010-81230

BOLT

SN: 500013-UP

12шт.

20

01643-31232

WASHER

SN: 500013-UP

12шт.

21

6219-81-6850

BAR

SN: 500013-UP

1шт.

22

01010-81050

BOLT

SN: 500013-UP

2шт.

23

01643-31032

WASHER

SN: 500013-UP

2шт.

24

6219-81-8560

COVER,L.H.

SN: 500013-UP

1шт.

25

6219-81-8570

COVER,R.H.

SN: 500013-UP

1шт.

26

01435-00845

BOLT

SN: 500013-UP

8шт.

Выбрано товаров: 34