Запчасти Komatsu SAA12V140E-3B ТОПЛИВН. НАСОС КОРПУС (№-) ТОПЛИВН. НАСОС КОРПУС

Схема запчастей Komatsu SAA12V140E-3B - ТОПЛИВН. НАСОС КОРПУС (№-) ТОПЛИВН. НАСОС КОРПУС
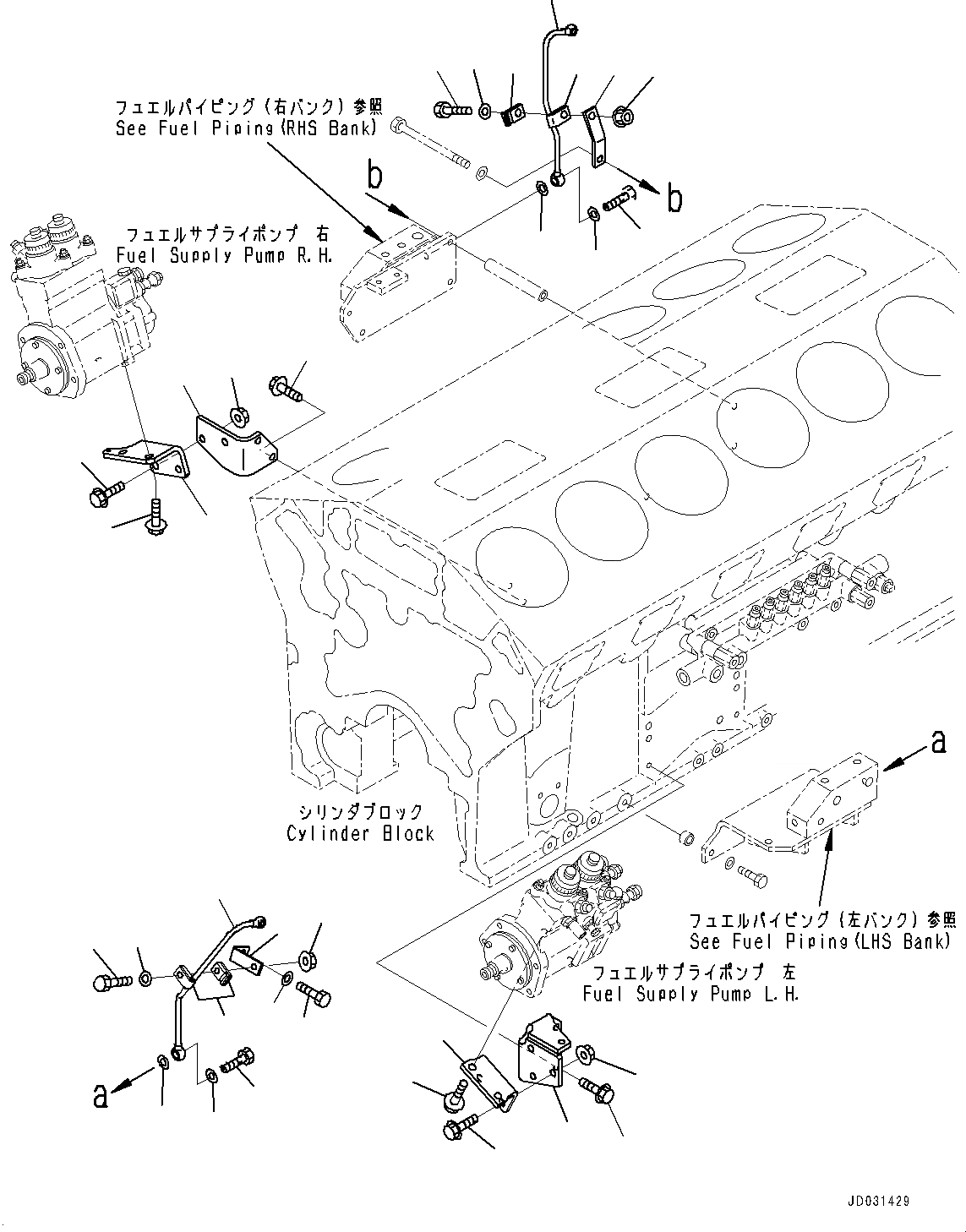
21
19
20
23
22
24
25
28
29
26
27
30
6
8
7
2
5
3
4
1
9
10
10
11
14
15
13
13
16
12
18
18
17
FIT
1:1
100%

Артикул

Название

Примечание

Количество

1

6219-71-5570

Tube, Fuel Return L.H.

SN: 502254-UP

1шт.

2

6934-72-5660

Clamp

SN: 502254-UP

2шт.

3

01010-81045

Bolt

SN: 502254-UP

1шт.

4

01643-31032

Washer

SN: 502254-UP

1шт.

5

01584-01008

Nut

SN: 502254-UP

1шт.

6

6219-71-5680

Bracket

SN: 502254-UP

1шт.

7

01010-81025

Bolt

SN: 502254-UP

1шт.

8

01643-31032

Washer

SN: 502254-UP

1шт.

9

07206-31014

Bolt, Joint

SN: 502254-UP

1шт.

10

07005-01412

Seal, Washer

SN: 502254-UP

2шт.

11

6219-71-5640

Tube, Fuel Return R.H.

SN: 502254-UP

1шт.

12

6219-71-5660

Bracket

SN: 502254-UP

1шт.

13

6934-72-5660

Clamp

SN: 502254-UP

2шт.

14

01010-81045

Bolt

SN: 502254-UP

1шт.

15

01643-31032

Washer

SN: 502254-UP

1шт.

16

01584-01008

Nut

SN: 502254-UP

1шт.

17

07206-31014

Bolt, Joint

SN: 502254-UP

1шт.

18

07005-01412

Seal, Washer

SN: 502254-UP

2шт.

19

6219-71-4380

Bracket

SN: 502254-UP

1шт.

20

6219-71-4390

Bracket

SN: 502254-UP

1шт.

21

01435-01030

Bolt

SN: 502254-UP

2шт.

22

01435-01025

Bolt

SN: 502254-UP

2шт.

23

01584-01008

Nut

SN: 502254-UP

2шт.

24

01435-01220

Bolt

SN: 502254-UP

2шт.

25

6219-71-4480

Bracket

SN: 502254-UP

1шт.

26

6219-71-4491

Bracket

SN: 502254-UP

1шт.

27

01435-01025

Bolt

SN: 502254-UP

2шт.

28

01435-01030

Bolt

SN: 502254-UP

2шт.

29

01584-01008

Nut

SN: 502254-UP

2шт.

30

01435-01220

Bolt

SN: 502254-UP

2шт.

Выбрано товаров: 30