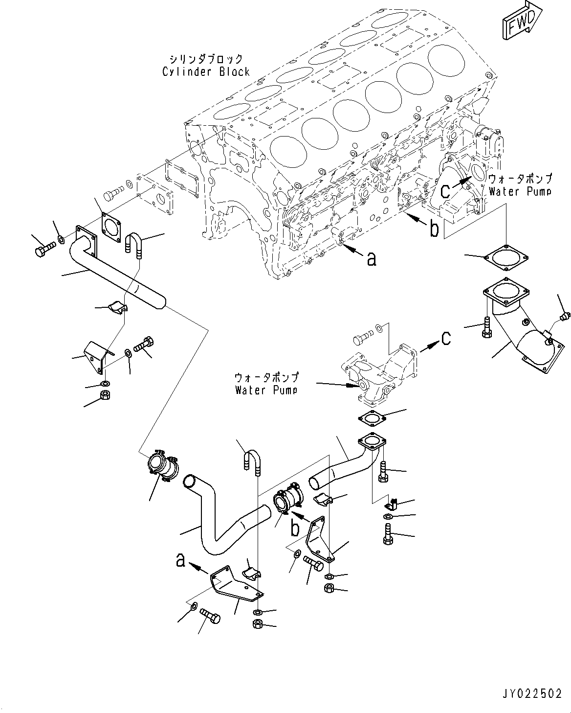
Запчасти Komatsu SAA12V140E-3B ВОДЯНАЯ ПОМПА, BYPASS ТРУБКА (№-) ВОДЯНАЯ ПОМПА

Схема запчастей Komatsu SAA12V140E-3B - ВОДЯНАЯ ПОМПА, BYPASS ТРУБКА (№-) ВОДЯНАЯ ПОМПА
26
20
28
9
10
8
7
6
26
11
25
17
16
15
14
12
21
19
18
25
24
24
19
5
23
30
31
27
29
3
4
1
2
33
32
22
13
FIT
1:1
100%

Артикул

Название

Примечание

Количество

1

6219-61-7130

Tube, Water Inlet

SN: 502254-UP

1шт.

2

07042-A0415

Plug

SN: 502254-UP

1шт.

3

6215-61-7361

Gasket

SN: 502254-UP

1шт.

4

01010-81230

Bolt

SN: 502254-UP

4шт.

5

6219-61-7120

Tube, Bypass

SN: 502254-UP

1шт.

6

6162-63-7390

Gasket

SN: 502254-UP

1шт.

7

01010-81030

Bolt

SN: 502254-UP

3шт.

8

6934-71-5860

Bracket

SN: 502254-UP

1шт.

9

01010-81040

Bolt

SN: 502254-UP

1шт.

10

01643-31032

Washer

SN: 502254-UP

1шт.

11

6219-61-7140

Bracket

SN: 502254-UP

1шт.

12

01010-81025

Bolt

SN: 502254-UP

2шт.

13

01643-31032

Washer

SN: 502254-UP

2шт.

14

6219-61-7420

Tube, Bypass

SN: 502254-UP

1шт.

15

6215-61-7490

Gasket

SN: 502254-UP

1шт.

16

01010-81250

Bolt

SN: 502254-UP

4шт.

17

01643-31232

Washer

SN: 502254-UP

4шт.

18

6219-61-7410

Tube, Bypass

SN: 502254-UP

1шт.

19

07332-02000

Coupling

SN: 502254-UP

2шт.

20

6219-61-7152

Bracket

SN: 504939-UP

1шт.

20

6219-61-7151

Bracket

SN: 502254-504938

1шт.

21

01010-81025

Bolt

SN: 502254-UP

2шт.

22

01643-31032

Washer

SN: 502254-UP

2шт.

23

07283-36163

Clip

SN: 502254-UP

2шт.

24

07283-56170

Seat, Pipe Clip

SN: 502254-UP

2шт.

25

01597-01009

Nut

SN: 502254-UP

4шт.

26

01643-31032

Washer

SN: 502254-UP

4шт.

27

6219-61-7471

Bracket

SN: 502254-UP

1шт.

28

07283-36163

Clip

SN: 502254-UP

1шт.

29

07283-56170

Seat, Pipe Clip

SN: 502254-UP

1шт.

30

01597-01009

Nut

SN: 502254-UP

2шт.

31

01643-31032

Washer

SN: 502254-UP

2шт.

32

01010-81025

Bolt

SN: 502254-UP

2шт.

33

01643-31032

Washer

SN: 502254-UP

2шт.

Выбрано товаров: 34