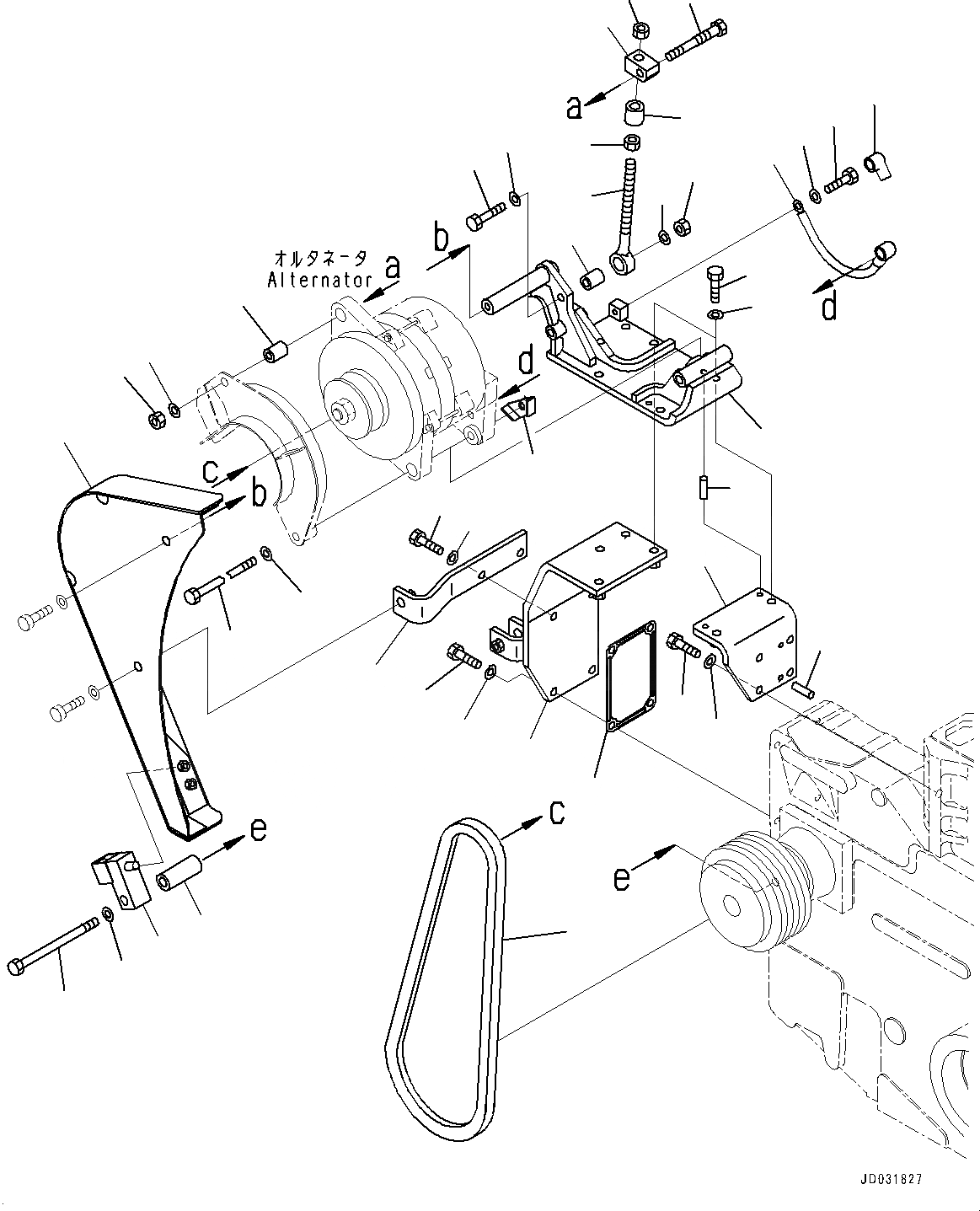
Запчасти Komatsu SAA12V140E-3B ГЕНЕРАТОР, ГЕНЕРАТОР И КРЕПЛЕНИЕ (№-) ГЕНЕРАТОР, 9AMP, ДЛЯ СТРАН ЕС БЕЗОПАСН. REGULATION

Схема запчастей Komatsu SAA12V140E-3B - ГЕНЕРАТОР, ГЕНЕРАТОР И КРЕПЛЕНИЕ (№-) ГЕНЕРАТОР, 9AMP, ДЛЯ СТРАН ЕС БЕЗОПАСН. REGULATION
17
31
37
34
36
35
39
30
28
29
26
25
24
23
21
20
16
15
14
13
12
11
10
9
8
5
4
3
1
22
30
27
9
19
18
17
32
33
38
6
2
7
FIT
1:1
100%

Артикул

Название

Примечание

Количество

1

6217-81-6840

Bolt

SN: 502254-UP

1шт.

2

01640-21323

Washer

SN: 502254-UP

1шт.

3

6215-81-6180

Bolt

SN: 502254-UP

1шт.

4

01580-01008

Nut

SN: 502254-UP

1шт.

5

01643-31032

Washer

SN: 502254-UP

1шт.

6

01010-81260

Bolt

SN: 502254-UP

1шт.

7

01643-31232

Washer

SN: 502254-UP

1шт.

8

6219-81-9240

Rod

SN: 502254-UP

1шт.

9

01580-11411

Nut

SN: 502254-UP

2шт.

10

6215-81-6141

Plate

SN: 502254-UP

1шт.

11

01580-11210

Nut

SN: 502254-UP

1шт.

12

01643-31232

Washer

SN: 502254-UP

1шт.

13

6215-81-6150

Pin

SN: 502254-UP

1шт.

14

6136-21-6650

Spacer

SN: 502254-UP

1шт.

15

6215-81-6150

Pin

SN: 502254-UP

1шт.

16

6261-81-6890

Bracket

SN: 502254-UP

1шт.

17

6219-81-8170

Wire

SN: 502254-UP

1шт.

18

01010-81020

Bolt

SN: 502254-UP

1шт.

19

01643-31032

Washer

SN: 502254-UP

1шт.

20

6219-81-6810

Bracket

SN: 502254-UP

1шт.

21

01010-81030

Bolt

SN: 502254-UP

4шт.

22

01643-31032

Washer

SN: 502254-UP

4шт.

23

6219-81-6442

Bracket

SN: 502254-UP

1шт.

24

6215-81-6190

Gasket

SN: 502254-UP

1шт.

25

6219-81-6190

Bracket

SN: 502254-UP

1шт.

26

01010-81035

Bolt

SN: 502254-UP

6шт.

27

01643-31032

Washer

SN: 502254-UP

6шт.

28

01010-81030

Bolt

SN: 502254-UP

2шт.

29

01643-31032

Washer

SN: 502254-UP

2шт.

30

04020-00820

Pin, Dowel

SN: 502254-UP

4шт.

31

6219-81-6840

Bracket

SN: 502254-UP

1шт.

32

01010-81040

Bolt

SN: 502254-UP

2шт.

33

01643-31032

Washer

SN: 502254-UP

2шт.

34

6219-81-9311

Cover

SN: 505119-UP

1шт.

34

6219-81-9310

Cover

SN: 502254-505118

1шт.

35

6219-81-9320

Bracket

SN: 502254-UP

1шт.

36

6219-81-6870

Spacer

SN: 502254-UP

1шт.

37

01011-81280

Bolt

SN: 502254-UP

1шт.

38

01643-31232

Washer

SN: 502254-UP

1шт.

39

04120-21951

V-belt

SN: 502254-UP

1шт.

Выбрано товаров: 40