Запчасти Komatsu SAA12V140E-3B ТЕРМОЗАЩИТА, (№-) ТЕРМОЗАЩИТА

Схема запчастей Komatsu SAA12V140E-3B - ТЕРМОЗАЩИТА, (№-) ТЕРМОЗАЩИТА
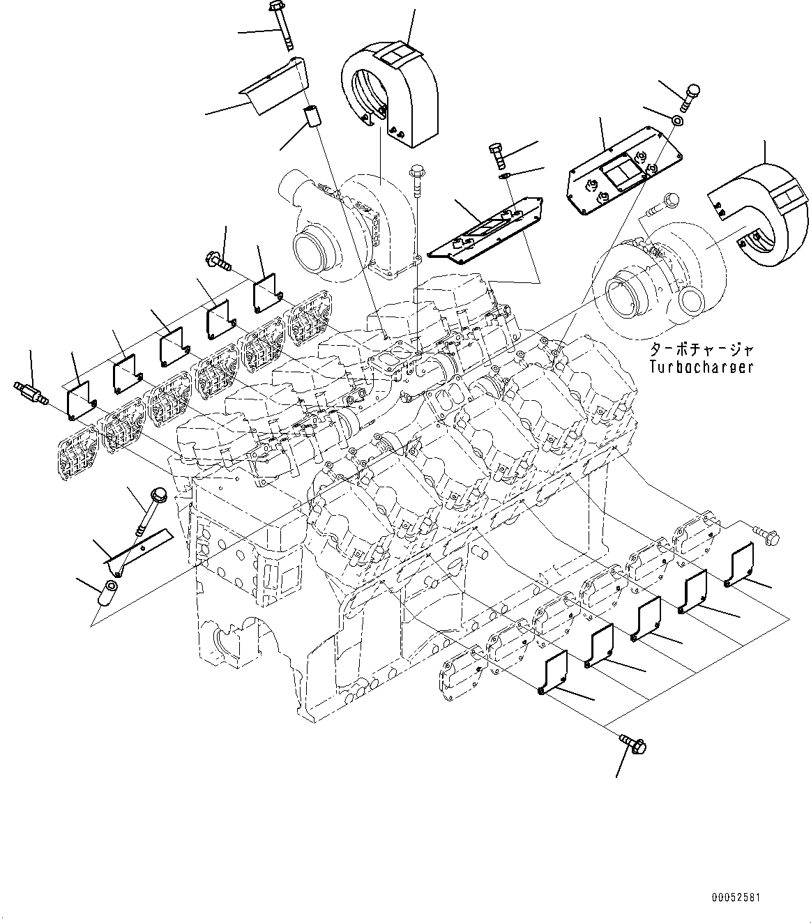
1
2
3
4
5
6
7
8
9
10
11
12
9
9
9
12
9
9
10
9
9
6
7
8
1
2
3
8
FIT
1:1
100%

Артикул

Название

Примечание

Количество

1

6219-11-5780

Cover

SN: 502254-@

2шт.

2

01010-E1040

Bolt

SN: 502254-@

8шт.

3

01643-31032

Washer

SN: 502254-@

8шт.

4

6261-11-8280

Cover, Turbine R.H.

SN: 502254-504505

1шт.

5

6219-11-8240

Cover, Turbine L.H.

SN: 502254-504505

1шт.

6

6219-11-5790

Plate

SN: 502254-@

2шт.

7

6137-71-3750

Spacer

SN: 502254-@

4шт.

8

01435-00895

Bolt

SN: 502254-@

4шт.

9

6219-21-6410

Plate

SN: 502254-@

8шт.

10

6219-21-6420

Plate

SN: 502254-@

2шт.

11

6219-21-6450

Bolt

SN: 502254-@

1шт.

12

01435-01025

Bolt

SN: 502254-@

19шт.

Выбрано товаров: 12