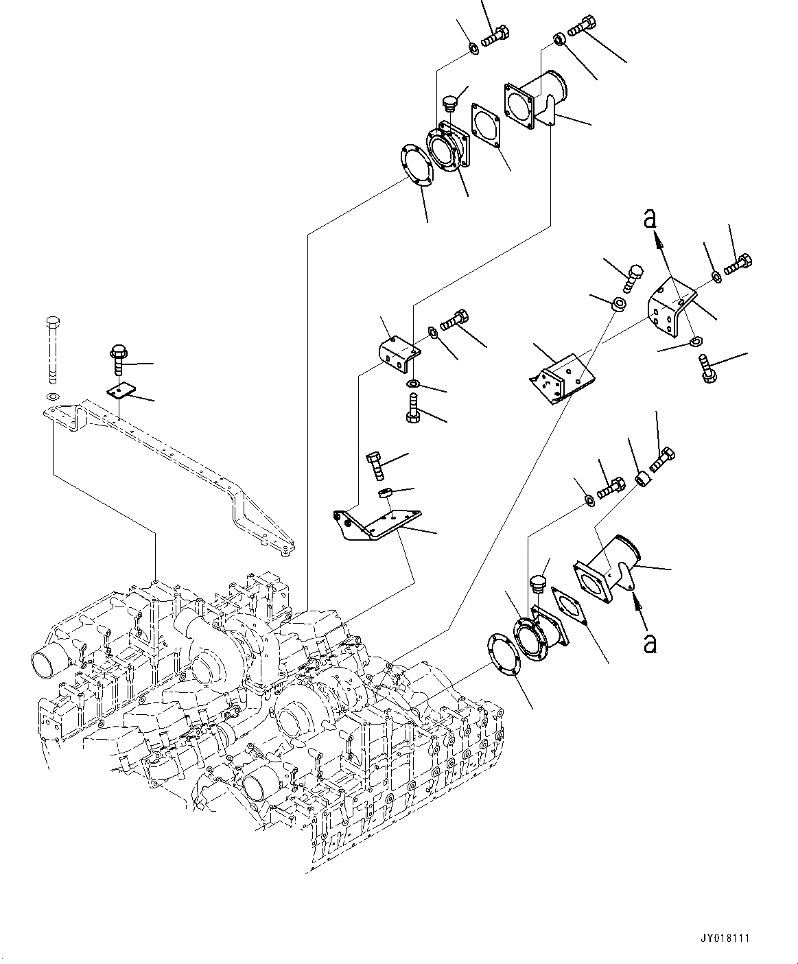
Запчасти Komatsu SAA12V140E-3B ГОРНЫЙ ТОРМОЗ, БЕЗ ГОРНЫЙ ТОРМОЗ (№-) ГОРНЫЙ ТОРМОЗ

Схема запчастей Komatsu SAA12V140E-3B - ГОРНЫЙ ТОРМОЗ, БЕЗ ГОРНЫЙ ТОРМОЗ (№-) ГОРНЫЙ ТОРМОЗ
17
16
16
17
1
2
4
3
11
6
5
8
8
8
10
10
11
11
12
18
7
11
15
14
13
18
7
11
15
14
11
9
19
19
21
20
FIT
1:1
100%

Артикул

Название

Примечание

Количество

1

6219-11-5130

Bracket

SN: 502254-UP

1шт.

2

6219-11-5160

Bracket

SN: 502254-UP

1шт.

3

6219-11-5140

Bracket

SN: 502254-UP

1шт.

4

6219-11-5150

Bracket

SN: 502254-UP

1шт.

5

01010-E1045

Bolt

SN: 502254-UP

4шт.

6

01010-E1050

Bolt

SN: 502254-UP

4шт.

7

01020-11025

Bolt, Stainless

SN: 502254-UP

12шт.

8

01010-E1035

Bolt

SN: 502254-UP

8шт.

9

01010-E1025

Bolt

SN: 502254-UP

2шт.

10

6631-11-5630

Spacer

SN: 502254-UP

8шт.

11

01643-31032

Washer

SN: 502254-UP

22шт.

12

6219-11-5111

Connector

SN: 503840-UP

1шт.

13

6219-11-5121

Connector

SN: 503840-UP

1шт.

14

6151-11-5751

Gasket

SN: 502254-UP

2шт.

15

6215-11-5920

Plug

SN: 502254-UP

2шт.

16

01010-E1265

Bolt

SN: 502254-UP

8шт.

17

6144-85-6550

Spacer

SN: 502254-UP

8шт.

18

6212-11-5940

Gasket

SN: 502254-UP

2шт.

19

6219-11-5241

Tube

SN: 502254-UP

2шт.

20

6219-11-9290

Plate

SN: 504506-UP

2шт.

21

01435-00816

Bolt

SN: 504506-UP

4шт.

Выбрано товаров: 21