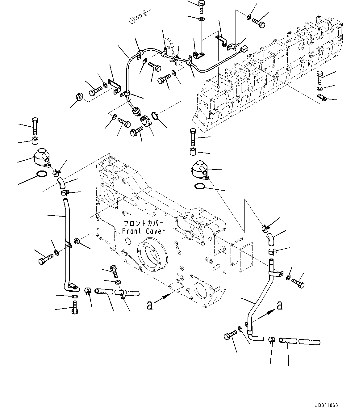
Запчасти Komatsu SAA12V140E-3B ПЕРЕДН. ЗУБЧАТ. ПЕРЕДАЧА КОРПУС, САПУН И ДАТЧИК ПРОРЫВА ГАЗОВ (№-) ПЕРЕДН. ЗУБЧАТ. ПЕРЕДАЧА КОРПУС, ДЛЯ EXTRA BAD ТОПЛИВН. И ПЛОХ. ТОПЛИВО СПЕЦ-ЯIFICATION, ВОДН.+DUST, ДОПОЛН. ФИЛЬТР.

Схема запчастей Komatsu SAA12V140E-3B - ПЕРЕДН. ЗУБЧАТ. ПЕРЕДАЧА КОРПУС, САПУН И ДАТЧИК ПРОРЫВА ГАЗОВ (№-) ПЕРЕДН. ЗУБЧАТ. ПЕРЕДАЧА КОРПУС, ДЛЯ EXTRA BAD ТОПЛИВН. И ПЛОХ. ТОПЛИВО СПЕЦ-ЯIFICATION, ВОДН.+DUST, ДОПОЛН. ФИЛЬТР.
51
17
16
15
31
28
48
49
55
47
44
43
53
54
42
52
50
49
46
45
57
58
41
40
39
38
37
36
35
24
25
9
7
8
27
26
10
11
14
21
18
33
34
32
29
30
13
12
3
2
1
5
6
19
20
23
22
4
6
23
56
FIT
1:1
100%

Артикул

Название

Примечание

Количество

1

6210-21-8711

Breather

SN: 502254-UP

1шт.

2

6631-11-5630

Spacer

SN: 502254-UP

2шт.

3

01010-81040

Bolt

SN: 502254-UP

2шт.

4

07000-72060

O-ring

SN: 502254-UP

1шт.

5

6130-61-6611

Hose

SN: 502254-UP

1шт.

6

07285-00260

Clip, Hose

SN: 502254-UP

2шт.

7

6219-21-8750

Tube,R.H.

SN: 502254-UP

1шт.

8

07285-00220

Clip

SN: 502254-UP

1шт.

9

07286-01990

Hose

SN: 502254-UP

1шт.

10

01010-81225

Bolt

SN: 502254-UP

1шт.

11

01643-31232

Washer

SN: 502254-UP

1шт.

12

01010-81255

Bolt

SN: 502254-UP

1шт.

13

01643-31232

Washer

SN: 502254-UP

1шт.

14

6127-11-5180

Washer

SN: 502254-UP

1шт.

15

04434-52310

Clip

SN: 502254-UP

1шт.

16

01010-81020

Bolt

SN: 504931-UP

1шт.

16

01010-81016

Bolt

SN: 502254-504930

1шт.

17

01643-31032

Washer

SN: 502254-UP

1шт.

18

6210-21-8711

Breather

SN: 502254-UP

1шт.

19

6631-11-5630

Spacer

SN: 502254-UP

2шт.

20

01010-81040

Bolt

SN: 502254-UP

2шт.

21

07000-72060

O-ring

SN: 502254-UP

1шт.

22

6130-61-6611

Hose

SN: 502254-UP

1шт.

23

07285-00260

Clip, Hose

SN: 502254-UP

2шт.

24

01010-81225

Bolt

SN: 502254-UP

1шт.

25

01643-31232

Washer

SN: 502254-UP

1шт.

26

07287-01910

Hose

SN: 502254-UP

1шт.

27

07285-00220

Clip

SN: 502254-UP

1шт.

28

6219-21-8780

Tube,L.H.

SN: 502254-UP

1шт.

29

01010-81030

Bolt

SN: 502254-UP

1шт.

30

01643-31032

Washer

SN: 502254-UP

1шт.

31

6218-81-4111

Sensor Assembly, Blowby

SN: 502254-UP

1шт.

32

6215-11-6320

Connector

SN: 502254-UP

1шт.

33

07000-03050

O-ring

SN: 502254-UP

1шт.

34

01435-00620

Bolt

SN: 502254-UP

2шт.

35

6164-71-6491

Plate

SN: 502254-UP

1шт.

36

01010-81255

Bolt

SN: 502254-UP

1шт.

37

01643-31232

Washer

SN: 502254-UP

1шт.

38

600-051-2100

Clip

SN: 502254-UP

1шт.

39

01010-81025

Bolt

SN: 502254-UP

1шт.

40

01643-31032

Washer

SN: 502254-UP

1шт.

41

01584-01008

Nut

SN: 502254-UP

1шт.

42

600-051-2100

Clip

SN: 502254-UP

1шт.

43

01010-81030

Bolt

SN: 502254-UP

1шт.

44

01643-31032

Washer

SN: 502254-UP

1шт.

45

600-051-2100

Clip

SN: 502254-UP

1шт.

46

6218-81-8480

Band

SN: 502254-UP

1шт.

47

01010-81020

Bolt

SN: 502254-UP

1шт.

48

01643-31032

Washer

SN: 502254-UP

1шт.

49

6204-23-5910

Bracket

SN: 502254-UP

2шт.

50

01010-81035

Bolt

SN: 502254-UP

2шт.

51

01643-31032

Washer

SN: 502254-UP

2шт.

52

08193-20010

Clip

SN: 502254-UP

1шт.

53

01010-81025

Bolt

SN: 502254-UP

1шт.

54

01643-31032

Washer

SN: 502254-UP

1шт.

55

600-051-2100

Clip

SN: 502254-UP

1шт.

56

6212-85-2440

Bracket

SN: 502254-UP

1шт.

57

01010-81025

Bolt

SN: 502254-UP

1шт.

58

01643-31032

Washer

SN: 502254-UP

1шт.

Выбрано товаров: 59