Запчасти Komatsu SAA12V140E-3B ПЕРЕДН. ЗУБЧАТ. ПЕРЕДАЧА КОРПУС, АКСЕССУАРЫ (№-) ПЕРЕДН. ЗУБЧАТ. ПЕРЕДАЧА КОРПУС

Схема запчастей Komatsu SAA12V140E-3B - ПЕРЕДН. ЗУБЧАТ. ПЕРЕДАЧА КОРПУС, АКСЕССУАРЫ (№-) ПЕРЕДН. ЗУБЧАТ. ПЕРЕДАЧА КОРПУС
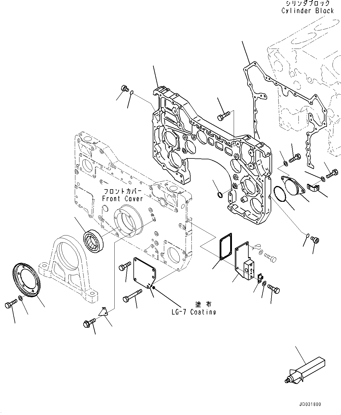
26
26
23
25
27
22
24
27
8
7
6
12
15
13
14
16
21
20
28
11
17
9
10
18
19
1
4
5
2
3
FIT
1:1
100%

Артикул

Название

Примечание

Количество

1

6219-61-8550

Bracket

SN: 502254-UP

1шт.

2

6215-81-6190

Gasket

SN: 502254-UP

1шт.

3

426-06-11570

Bracket

SN: 502254-UP

1шт.

4

01010-81030

Bolt

SN: 502254-UP

1шт.

5

01643-31032

Washer

SN: 502254-UP

1шт.

6

6215-21-3350

Pointer

SN: 502254-UP

1шт.

7

01435-00610

Bolt

SN: 502254-UP

2шт.

8

6245-21-3121

Seal,Front

SN: 502254-UP

1шт.

9

6219-21-3510

Cover

SN: 502254-UP

1шт.

10

01010-81225

Bolt

SN: 502254-UP

6шт.

11

01643-31232

Washer

SN: 502254-UP

6шт.

12

6215-21-1850

Cover

SN: 502254-UP

1шт.

13

6219-21-1810

Cover

SN: 502254-UP

1шт.

14

01010-81285

Bolt

SN: 502254-UP

4шт.

15

01010-81225

Bolt

SN: 502254-UP

1шт.

16

07000-72100

O-ring

SN: 502254-UP

1шт.

17

6215-51-5870

Bracket

SN: 502254-UP

1шт.

18

01010-81230

Bolt

SN: 502254-UP

1шт.

19

01643-31232

Washer

SN: 502254-UP

1шт.

20

01010-81235

Bolt

SN: 502254-UP

1шт.

21

01643-31232

Washer

SN: 502254-UP

1шт.

22

6219-21-3110

Case

SN: 502254-UP

1шт.

23

07046-11816

Plug, Expansion

SN: 502254-UP

10шт.

24

6215-21-3821

Gasket

SN: 502254-UP

1шт.

25

01010-81230

Bolt

SN: 502254-UP

13шт.

26

6215-81-9510

Plug

SN: 502254-UP

4шт.

27

6215-81-9710

O-ring

SN: 502254-UP

4шт.

28

09920-00150

Liquid gasket, LG-7, 150G, LG-7, 150g

SN: 502254-UP

-2шт.

Выбрано товаров: 28