Запчасти Komatsu SAA12V140E-3B ПЕРЕДН. КРЫШКА(№-) ПЕРЕДН. COVER

Схема запчастей Komatsu SAA12V140E-3B - ПЕРЕДН. КРЫШКА(№-) ПЕРЕДН. COVER
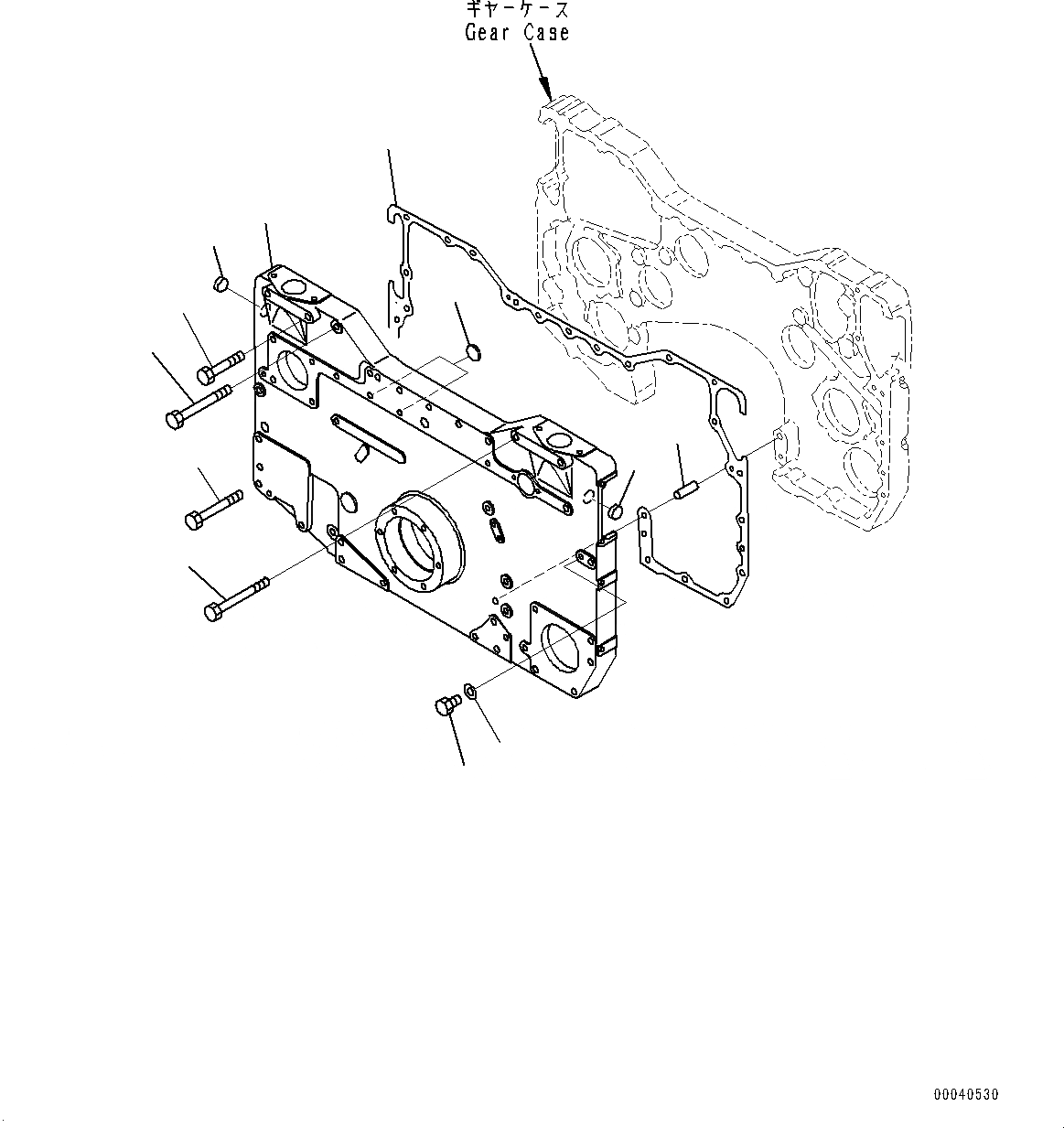
8
5
9
10
3
1
4
7
6
2
11
11
FIT
1:1
100%

Артикул

Название

Примечание

Количество

1

6215-21-3134

Cover, Gear Case

SN: 502254-UP

1шт.

2

07046-11816

Plug, Expansion

SN: 502254-UP

10шт.

3

6215-21-3811

Gasket

SN: 502254-UP

1шт.

4

01011-81245

Bolt

SN: 502254-UP

1шт.

5

01011-81230

Bolt

SN: 502254-UP

9шт.

6

01010-81290

Bolt

SN: 502254-UP

3шт.

7

01010-81275

Bolt

SN: 502254-UP

7шт.

8

04020-01434

Pin, Dowel

SN: 502254-UP

2шт.

9

07040-11007

Plug

SN: 502254-UP

1шт.

10

07005-01012

Seal, Washer

SN: 502254-UP

1шт.

11

07046-42816

Plug

SN: 502254-UP

2шт.

Выбрано товаров: 11