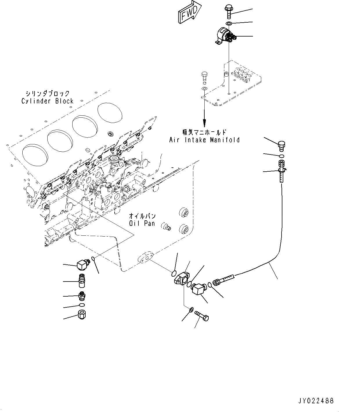
Запчасти Komatsu SAA12V140E-3B PRE СМАЗЫВАЮЩ. ЛИНИЯ (№77-) PRE СМАЗЫВАЮЩ. ЛИНИЯ, ДЛЯ ДВИГАТЕЛЬ PRE-СМАЗКА СИСТЕМА

Схема запчастей Komatsu SAA12V140E-3B - PRE СМАЗЫВАЮЩ. ЛИНИЯ (№77-) PRE СМАЗЫВАЮЩ. ЛИНИЯ, ДЛЯ ДВИГАТЕЛЬ PRE-СМАЗКА СИСТЕМА
7
2
3
8
9
11
12
14
13
8
5
6
4
10
1
19
18
17
16
15
FIT
1:1
100%

Артикул

Название

Примечание

Количество

1

6219-51-2250

Connector

SN: 505077-UP

1шт.

2

01010-81035

Bolt

SN: 505077-UP

2шт.

3

01643-31032

Washer

SN: 505077-UP

2шт.

4

07000-73028

O-ring

SN: 505077-UP

1шт.

5

569-43-84720

Elbow

SN: 505077-UP

1шт.

6

07000-E3029

O-ring

SN: 505077-UP

1шт.

7

561-95-82360

Hose

SN: 505077-UP

1шт.

8

6743-51-9950

O-ring

SN: 505077-UP

2шт.

9

21W-62-99895

Plug

SN: 505077-UP

1шт.

10

08034-20536

Band

SN: 505077-UP

1шт.

11

6215-51-5160

Elbow

SN: 505077-UP

1шт.

12

07002-22034

O-ring

SN: 505077-UP

1шт.

13

6215-51-3200

Valve

SN: 505077-UP

1шт.

14

561-95-82370

Joint

SN: 505077-UP

1шт.

15

02789-10522

Plug,For Shipping

SN: 505077-UP

1шт.

16

02896-21015

O-ring

SN: 505077-UP

1шт.

17

600-815-7510

Switch, Heater

SN: 505077-UP

1шт.

18

01010-80816

Bolt

SN: 505077-UP

2шт.

19

01643-30823

Washer

SN: 505077-UP

2шт.

Выбрано товаров: 19