Запчасти Komatsu SAA12V140E-3B ТЕРМОЗАЩИТА (№77-) ТЕРМОЗАЩИТА

Схема запчастей Komatsu SAA12V140E-3B - ТЕРМОЗАЩИТА (№77-) ТЕРМОЗАЩИТА
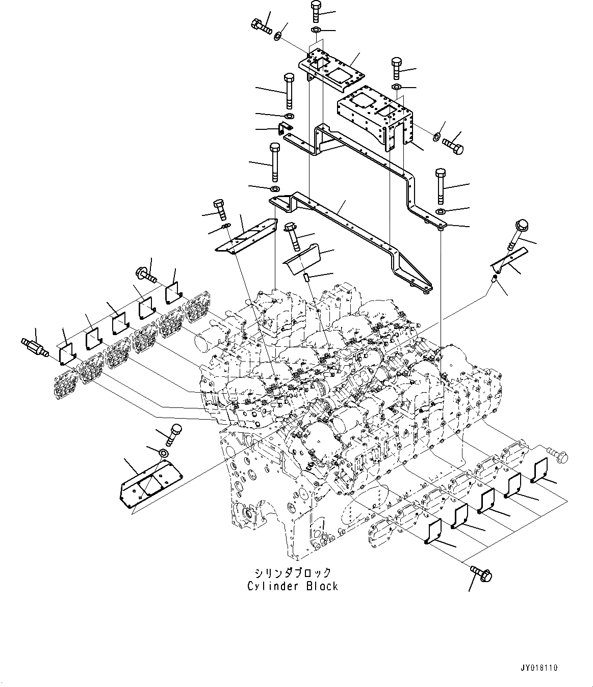
11
15
12
13
15
14
18
17
16
19
21
20
21
20
24
23
22
23
24
7
7
8
10
7
7
6
5
4
1
2
3
4
5
6
1
2
3
7
7
8
7
7
10
9
FIT
1:1
100%

Артикул

Название

Примечание

Количество

1

6219-11-5780

Cover

SN: 505077-UP

2шт.

2

01010-E1040

Bolt

SN: 505077-UP

8шт.

3

01643-31032

Washer

SN: 505077-UP

8шт.

4

6219-11-5790

Plate

SN: 505077-UP

2шт.

5

6137-71-3750

Spacer

SN: 505077-UP

4шт.

6

01435-00895

Bolt

SN: 505077-UP

4шт.

7

6219-21-6410

Plate

SN: 505077-UP

8шт.

8

6219-21-6420

Plate

SN: 505077-UP

2шт.

9

6219-21-6450

Bolt

SN: 505077-UP

1шт.

10

01435-01025

Bolt

SN: 505077-UP

19шт.

11

6219-11-9210

Bracket

SN: 505077-UP

1шт.

12

01011-81075

Bolt

SN: 505077-UP

3шт.

13

17M-911-1220

Plate

SN: 505077-UP

1шт.

14

01011-81080

Bolt

SN: 505077-UP

1шт.

15

01643-31032

Washer

SN: 505077-UP

4шт.

16

6219-11-9220

Bracket

SN: 505077-UP

1шт.

17

6162-13-6530

Bolt

SN: 505077-UP

4шт.

18

01643-31032

Washer

SN: 505077-UP

4шт.

19

6219-11-9230

Cover

SN: 505077-UP

1шт.

20

01010-81025

Bolt

SN: 505077-UP

8шт.

21

01643-31032

Washer

SN: 505077-UP

8шт.

22

6219-11-9240

Cover

SN: 505077-UP

1шт.

23

01010-81025

Bolt

SN: 505077-UP

8шт.

24

01643-31032

Washer

SN: 505077-UP

8шт.

Выбрано товаров: 24