Запчасти Komatsu SAA12V140E-3B ПЕРЕДН. ЗУБЧАТ. ПЕРЕДАЧА КОРПУС, АКСЕССУАРЫ (№77-) ПЕРЕДН. ЗУБЧАТ. ПЕРЕДАЧА КОРПУС, ДЛЯ EXTRA BAD ТОПЛИВН. И ПЛОХ. ТОПЛИВО СПЕЦ-ЯIFICATION, ВОДН.+DUST, ДОПОЛН. ФИЛЬТР., VHMS

Схема запчастей Komatsu SAA12V140E-3B - ПЕРЕДН. ЗУБЧАТ. ПЕРЕДАЧА КОРПУС, АКСЕССУАРЫ (№77-) ПЕРЕДН. ЗУБЧАТ. ПЕРЕДАЧА КОРПУС, ДЛЯ EXTRA BAD ТОПЛИВН. И ПЛОХ. ТОПЛИВО СПЕЦ-ЯIFICATION, ВОДН.+DUST, ДОПОЛН. ФИЛЬТР., VHMS
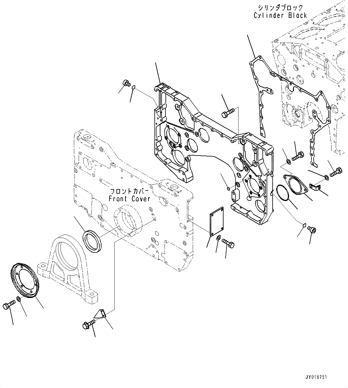
21
21
18
20
22
17
19
22
1
6
5
4
2
3
10
11
16
15
14
7
9
8
13
12
FIT
1:1
100%

Артикул

Название

Примечание

Количество

1

6215-71-3711

Cover

SN: 505077-UP

1шт.

2

01010-81025

Bolt

SN: 505077-UP

2шт.

3

01643-31032

Washer

SN: 505077-UP

2шт.

4

6215-21-3350

Pointer

SN: 505077-UP

1шт.

5

01435-00610

Bolt

SN: 505077-UP

2шт.

6

6245-21-3121

Seal

SN: 505077-UP

1шт.

7

6219-21-3510

Cover

SN: 505077-UP

1шт.

8

01010-81225

Bolt

SN: 505077-UP

6шт.

9

01643-31232

Washer

SN: 505077-UP

6шт.

10

6219-21-1860

Cover

SN: 505077-UP

1шт.

11

07000-75100

O-ring

SN: 505077-UP

1шт.

12

01010-81230

Bolt

SN: 505077-UP

1шт.

13

01643-31232

Washer

SN: 505077-UP

1шт.

14

6215-51-5870

Bracket

SN: 505077-UP

1шт.

15

01010-81235

Bolt

SN: 505077-UP

1шт.

16

01643-31232

Washer

SN: 505077-UP

1шт.

17

6219-21-3320

Case

SN: 505077-UP

1шт.

18

07046-11816

Plug, Expansion

SN: 505077-UP

10шт.

19

6215-21-3821

Gasket

SN: 505077-UP

1шт.

20

01010-81230

Bolt

SN: 505077-UP

13шт.

21

6215-81-9510

Plug

SN: 505077-UP

2шт.

22

6215-81-9710

O-ring

SN: 505077-UP

2шт.

Выбрано товаров: 22