Запчасти Komatsu SAA12V140E-3B ПЕРЕДН. ЗУБЧАТ. ПЕРЕДАЧА КОРПУС, ДАТЧИК ПРОРЫВА ГАЗОВ (№77-) ПЕРЕДН. ЗУБЧАТ. ПЕРЕДАЧА КОРПУС, ДЛЯ EXTRA BAD ТОПЛИВН. И ПЛОХ. ТОПЛИВО СПЕЦ-ЯIFICATION, ВОДН.+DUST, ДОПОЛН. ФИЛЬТР., VHMS

Схема запчастей Komatsu SAA12V140E-3B - ПЕРЕДН. ЗУБЧАТ. ПЕРЕДАЧА КОРПУС, ДАТЧИК ПРОРЫВА ГАЗОВ (№77-) ПЕРЕДН. ЗУБЧАТ. ПЕРЕДАЧА КОРПУС, ДЛЯ EXTRA BAD ТОПЛИВН. И ПЛОХ. ТОПЛИВО СПЕЦ-ЯIFICATION, ВОДН.+DUST, ДОПОЛН. ФИЛЬТР., VHMS
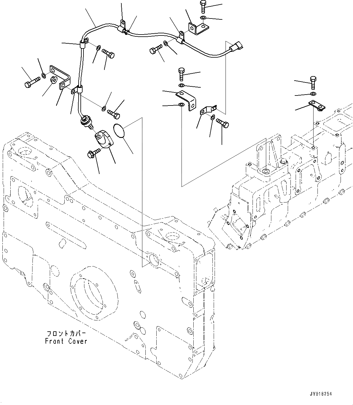
2
4
3
12
5
11
31
30
7
6
13
14
15
20
16
21
22
8
17
19
18
24
23
26
17
28
27
10
9
29
1
25
FIT
1:1
100%

Артикул

Название

Примечание

Количество

1

6218-81-4111

Sensor Assembly

SN: 505077-UP

1шт.

2

6215-11-6320

Connector

SN: 505077-UP

1шт.

3

07000-03050

O-ring

SN: 505077-UP

1шт.

4

01435-00620

Bolt

SN: 505077-UP

2шт.

5

6164-71-6491

Plate

SN: 505077-UP

1шт.

6

01010-81255

Bolt

SN: 505077-UP

1шт.

7

01643-31232

Washer

SN: 505077-UP

1шт.

8

600-051-2100

Clip

SN: 505077-UP

1шт.

9

01010-81025

Bolt

SN: 505077-UP

1шт.

10

01643-31032

Washer

SN: 505077-UP

1шт.

11

01584-01008

Nut

SN: 505077-UP

1шт.

12

600-051-2100

Clip

SN: 505077-UP

1шт.

13

01010-81030

Bolt

SN: 505077-UP

1шт.

14

01643-31032

Washer

SN: 505077-UP

1шт.

15

600-051-2100

Clip

SN: 505077-UP

1шт.

16

6218-81-8480

Band

SN: 505077-UP

1шт.

17

417-963-1620

Bracket

SN: 505077-UP

2шт.

17

01580-01008

Nut

SN: 505077-UP

1шт.

18

01010-81025

Bolt

SN: 505077-UP

1шт.

19

01643-31032

Washer

SN: 505077-UP

1шт.

20

600-051-2100

Clip

SN: 505077-UP

1шт.

21

01010-81020

Bolt

SN: 505077-UP

1шт.

22

01643-31032

Washer

SN: 505077-UP

1шт.

23

01010-81035

Bolt

SN: 505077-UP

1шт.

24

01643-31032

Washer

SN: 505077-UP

1шт.

25

01643-31032

Washer

SN: 505077-UP

1шт.

26

08193-20010

Clip

SN: 505077-UP

1шт.

27

01010-81025

Bolt

SN: 505077-UP

1шт.

28

01643-31032

Washer

SN: 505077-UP

1шт.

29

6212-85-2440

Bracket

SN: 505077-UP

1шт.

30

01010-81025

Bolt

SN: 505077-UP

1шт.

31

01643-31032

Washer

SN: 505077-UP

1шт.

Выбрано товаров: 32