Запчасти Komatsu SAA12V140E-3C-02 САПУН И ДАТЧИК ПРОРЫВА ГАЗОВ ЭЛЕКТРОПРОВОДКА(№-) ДВИГАТЕЛЬ

Схема запчастей Komatsu SAA12V140E-3C-02 - САПУН И ДАТЧИК ПРОРЫВА ГАЗОВ ЭЛЕКТРОПРОВОДКА(№-) ДВИГАТЕЛЬ
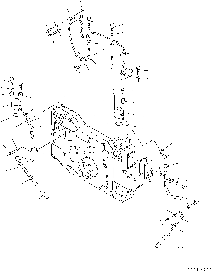
1
1
2
2
2
2
3
3
4
4
5
5
6
6
7
7
7
7
8
9
10
11
12
13
14
15
16
17
18
19
20
21
21
22
23
24
25
26
26
26
26
27
28
28
29
29
29
29
30
31
32
33
34
35
FIT
1:1
100%

Артикул

Название

Примечание

Количество

1

6210-21-8711

BREATHER

SN: 500036-UP

2шт.

2

6631-11-5630

SPACER

SN: 500036-UP

4шт.

3

01010-81040

BOLT

SN: 500036-UP

2шт.

4

01010-81045

BOLT

SN: 500036-UP

2шт.

5

07000-72060

O-RING (K2)

SN: 500036-UP

2шт.

6

6130-61-6611

HOSE

SN: 500036-UP

2шт.

7

07285-00260

CLIP

SN: 500036-UP

4шт.

8

6215-21-8610

TUBE,R.H.

SN: 500036-UP

1шт.

9

01010-81220

BOLT

SN: 500036-UP

1шт.

10

01643-31232

WASHER

SN: 500036-UP

1шт.

11

6215-21-8620

TUBE,L.H.

SN: 500036-UP

1шт.

12

01010-81035

BOLT

SN: 500036-UP

1шт.

13

01643-31032

WASHER

SN: 500036-UP

1шт.

14

6110-23-6490

SPACER

SN: 500036-UP

1шт.

15

01010-81245

BOLT

SN: 500036-UP

1шт.

16

01643-31232

WASHER

SN: 500036-UP

1шт.

17

6127-92-1250

SPACER

SN: 500036-UP

1шт.

18

04434-52112

CLIP

SN: 500036-UP

1шт.

19

07287-01914

HOSE

SN: 500036-UP

1шт.

20

07287-01916

HOSE

SN: 500036-UP

1шт.

21

07285-00220

CLIP

SN: 500036-UP

2шт.

22

6218-81-4111

SENSOR ASS'Y,BLOWBY

SN: 500036-UP

1шт.

23

6215-11-6320

CONNECTOR

SN: 500036-UP

1шт.

24

07000-03050

O-RING (K2)

SN: 500036-UP

1шт.

25

01435-00620

BOLT

SN: 500036-UP

2шт.

26

600-051-2100

CLIP

SN: 500048-UP

4шт.

26

600-051-2080

CLIP

SN: 500036-500047

4шт.

27

600-051-3100

CLIP

SN: 500036-UP

1шт.

28

01010-81020

BOLT

SN: 500036-UP

2шт.

29

01643-31032

WASHER

SN: 500036-UP

4шт.

30

6212-65-6390

PLATE

SN: 500036-UP

1шт.

31

01010-81225

BOLT

SN: 500036-UP

1шт.

32

01643-31232

WASHER

SN: 500036-UP

1шт.

33

08193-20010

CLIP

SN: 500036-UP

1шт.

34

01010-81016

BOLT

SN: 500036-UP

1шт.

35

01643-31032

WASHER

SN: 500036-UP

1шт.

Выбрано товаров: 36