Запчасти Komatsu SAA12V140E-3C-02 ТОПЛИВН. ФИЛЬТР. (ЛЕВ. ГРУПП.) (ХОЛОДН. МЕСТН. И ПЛОХ. ТОПЛИВО ARRANGEMENT СПЕЦ-Я.)(№9-) ДВИГАТЕЛЬ

Схема запчастей Komatsu SAA12V140E-3C-02 - ТОПЛИВН. ФИЛЬТР. (ЛЕВ. ГРУПП.) (ХОЛОДН. МЕСТН. И ПЛОХ. ТОПЛИВО ARRANGEMENT СПЕЦ-Я.)(№9-) ДВИГАТЕЛЬ
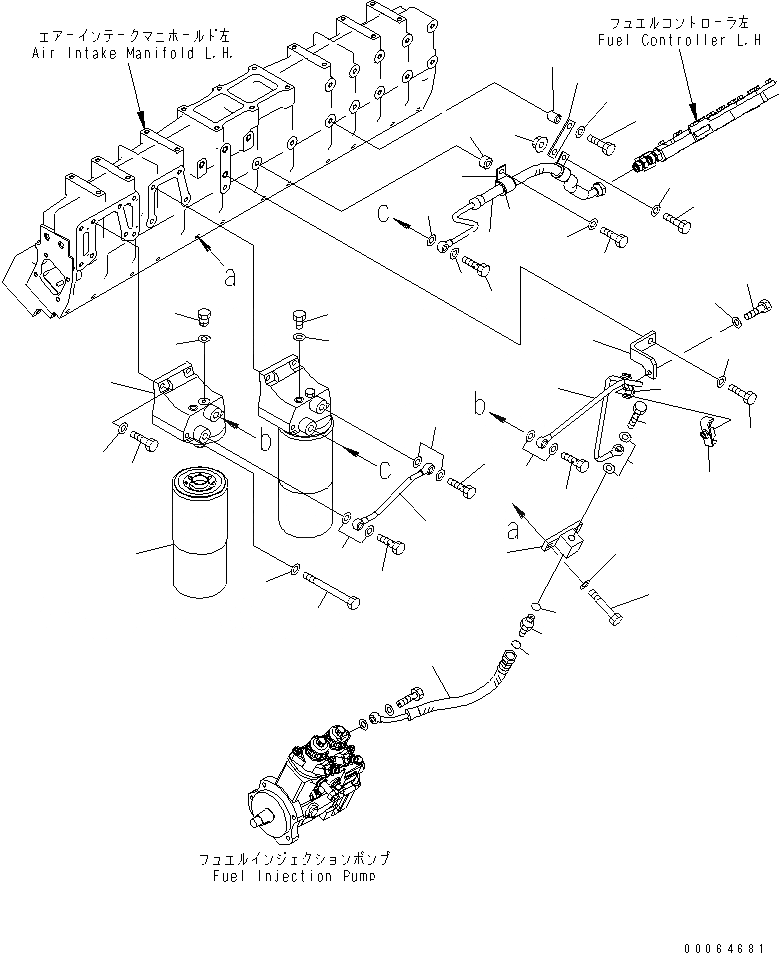
1
2
3
4
5
6
7
8
9
10
11
12
13
14
15
16
17
18
18
18
18
18
19
19
19
19
19
19
20
21
22
23
24
25
26
27
28
29
30
31
32
33
34
35
36
37
38
39
40
41
FIT
1:1
100%

Артикул

Название

Примечание

Количество

|$2

6219-71-6700

HEAD ASS'Y

SN: 500269-UP

2шт.

1

6219-71-6710

HEAD

SN: 500269-UP

1шт.

2

6110-73-6231

PLUG

SN: 500269-UP

1шт.

3

07005-00812

SEAL, WASHER

SN: 500269-UP

1шт.

4

0

CARTRIDGE (1-5/8),(SEE FIG.A4119-A7A2) (1-5/8)

SN: 500269-UP

2шт.

5

07040-11209

PLUG

SN: 500269-UP

1шт.

6

07005-01212

SEAL, WASHER

SN: 500269-UP

1шт.

7

6934-72-3980

BOLT

SN: 500269-UP

4шт.

8

6132-21-4630

SPACER

SN: 500269-UP

4шт.

9

01011-81015

BOLT

SN: 500269-UP

4шт.

10

01643-31032

WASHER

SN: 500269-UP

4шт.

11

6219-71-6330

HOSE

SN: 500269-UP

1шт.

12

6219-71-6730

TUBE

SN: 500269-UP

1шт.

13

6219-71-8250

TUBE

SN: 500269-UP

1шт.

14

6219-71-8260

HOSE

SN: 500269-UP

1шт.

15

02781-00422

UNION

SN: 500269-UP

1шт.

16

07002-12034

O-RING

SN: 500269-UP

1шт.

17

02896-11012

O-RING

SN: 500269-UP

1шт.

18

07206-31014

BOLT,JOINT

SN: 500269-UP

5шт.

19

07005-01412

SEAL, WASHER

SN: 500269-UP

10шт.

20

6219-71-8270

JOINT

SN: 500269-UP

1шт.

21

01011-81095

BOLT

SN: 500269-UP

2шт.

22

01643-31032

WASHER

SN: 500269-UP

2шт.

23

6219-71-6370

BRACKET

SN: 500269-UP

1шт.

24

01010-81230

BOLT

SN: 500269-UP

1шт.

25

01643-31232

WASHER

SN: 500269-UP

1шт.

26

6166-75-6820

CLAMP

SN: 500269-UP

1шт.

27

6261-51-9480

CLAMP

SN: 500269-UP

1шт.

28

01010-80845

BOLT

SN: 500269-UP

1шт.

29

01643-30823

WASHER

SN: 500269-UP

1шт.

30

6162-63-3910

SPACER

SN: 500269-UP

1шт.

31

01010-81045

BOLT

SN: 500269-UP

1шт.

32

01643-31032

WASHER

SN: 500269-UP

1шт.

33

01010-81020

BOLT

SN: 500269-UP

1шт.

34

01643-31032

WASHER

SN: 500269-UP

1шт.

35

01010-81035

BOLT

SN: 500269-UP

1шт.

36

01643-31032

WASHER

SN: 500269-UP

1шт.

37

01584-01008

NUT

SN: 500269-UP

1шт.

38

6162-73-4540

STAY

SN: 500269-UP

1шт.

39

6210-11-5820

SPACER

SN: 500269-UP

1шт.

40

04434-52511

CLIP

SN: 500269-UP

2шт.

41

07095-20318

CUSHION

SN: 500269-UP

2шт.

Выбрано товаров: 42