Запчасти Komatsu SAA12V140E-3C ТОПЛИВОПРОВОД., ПРАВ. ГРУПП. (№-) ТОПЛИВОПРОВОД., EXTREMELY BAD ТОПЛИВН. И ПЛОХ. ТОПЛИВО ARRANGEMENT СПЕЦ-Я. ВОДН.+DUST, МОРОЗОУСТОЙЧИВ. СПЕЦИФ-Я (-DEG C)

Схема запчастей Komatsu SAA12V140E-3C - ТОПЛИВОПРОВОД., ПРАВ. ГРУПП. (№-) ТОПЛИВОПРОВОД., EXTREMELY BAD ТОПЛИВН. И ПЛОХ. ТОПЛИВО ARRANGEMENT СПЕЦ-Я. ВОДН.+DUST, МОРОЗОУСТОЙЧИВ. СПЕЦИФ-Я (-DEG C)
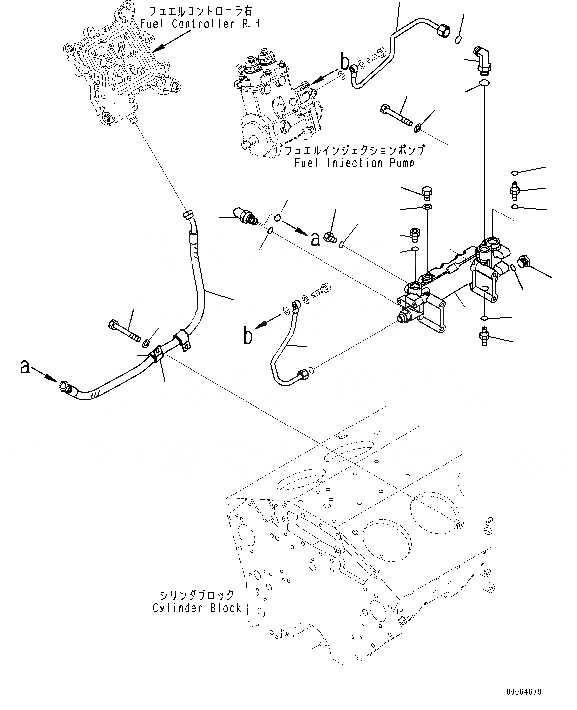
1
20
21
14
6
9
10
4
12
11
7
9
17
17
5
9
9
8
22
16
18
9
15
13
2
3
23
19
10
FIT
1:1
100%

Артикул

Название

Примечание

Количество

1

6219-71-7610

Block

SN: 502106-UP

1шт.

2

01011-81005

Bolt

SN: 502106-UP

4шт.

3

01643-31032

Washer

SN: 502106-UP

4шт.

4

02781-0042A

Joint

SN: 502106-UP

2шт.

5

02781-00522

Union

SN: 502106-UP

1шт.

6

02782-10425

Elbow

SN: 502106-UP

1шт.

7

02782-1052A

Elbow

SN: 502106-UP

1шт.

8

02782-10426

Elbow

SN: 502106-UP

1шт.

9

07002-12434

O-ring

SN: 502106-UP

6шт.

10

02896-11012

O-ring

SN: 502106-UP

3шт.

11

02896-11015

O-ring

SN: 502106-UP

1шт.

12

6219-71-6850

Tube

SN: 502106-UP

1шт.

13

6219-71-6870

Tube

SN: 502106-UP

1шт.

14

07005-01412

Seal, Washer

SN: 502106-UP

2шт.

15

07002-11423

O-ring

SN: 502106-UP

1шт.

16

07002-12434

O-ring

SN: 502106-UP

2шт.

17

07040-11409

Plug

SN: 502106-UP

3шт.

18

07040-12412

Plug

SN: 502106-UP

2шт.

19

02764-00409

Hose, Face Seal Type

SN: 502106-UP

1шт.

20

01010-81020

Bolt

SN: 502106-UP

1шт.

21

01643-31032

Washer

SN: 502106-UP

1шт.

22

04434-52511

Clip

SN: 502106-UP

2шт.

23

07095-20318

Cushion

SN: 502106-UP

2шт.

Выбрано товаров: 23