Запчасти Komatsu SAA12V140E-3C ПЕРЕДН. ЗУБЧАТ. ПЕРЕДАЧА КОРПУС, АКСЕССУАРЫ (№-) ПЕРЕДН. ЗУБЧАТ. ПЕРЕДАЧА КОРПУС, МОРОЗОУСТОЙЧИВ. СПЕЦИФ-Я (-DEG C)

Схема запчастей Komatsu SAA12V140E-3C - ПЕРЕДН. ЗУБЧАТ. ПЕРЕДАЧА КОРПУС, АКСЕССУАРЫ (№-) ПЕРЕДН. ЗУБЧАТ. ПЕРЕДАЧА КОРПУС, МОРОЗОУСТОЙЧИВ. СПЕЦИФ-Я (-DEG C)
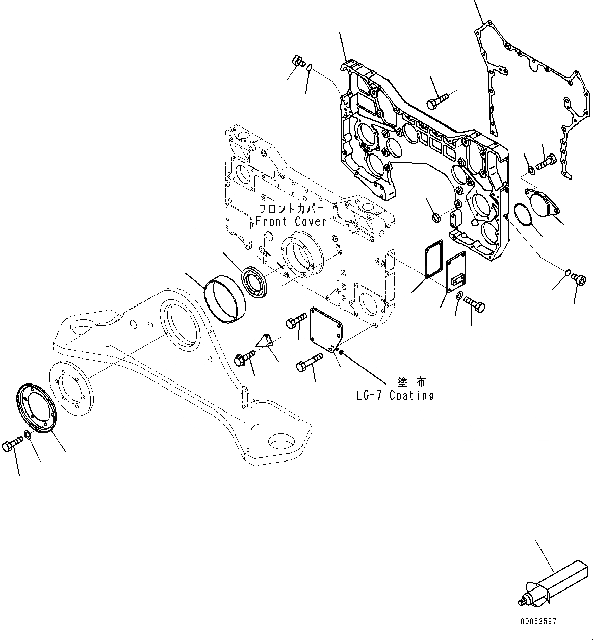
1
7
6
5
3
4
2
12
15
14
25
11
8
10
9
23
23
20
22
24
19
24
13
16
17
18
21
FIT
1:1
100%

Артикул

Название

Примечание

Количество

1

6219-21-1820

Plate

SN: 502106-UP

1шт.

2

6215-81-6190

Gasket

SN: 502106-UP

1шт.

3

01010-81025

Bolt

SN: 502106-UP

1шт.

4

01643-31032

Washer

SN: 502106-UP

1шт.

5

6215-21-3350

Pointer

SN: 502106-UP

1шт.

6

01435-00610

Bolt

SN: 502106-UP

2шт.

7

6245-21-3121

Seal

SN: 502106-UP

1шт.

8

6219-21-3510

Cover, Dust

SN: 502106-UP

1шт.

9

6215-21-3190

Sleeve

SN: 502106-UP

1шт.

10

01010-81245

Bolt

SN: 502106-UP

6шт.

11

01643-31232

Washer

SN: 502106-UP

6шт.

12

6215-21-1850

Cover, Accessory

SN: 502106-UP

1шт.

13

6219-21-1810

Cover, Accessory

SN: 502106-UP

1шт.

14

01010-81285

Bolt

SN: 502106-UP

4шт.

15

01010-81225

Bolt

SN: 502106-UP

1шт.

16

07000-72100

O-ring

SN: 502106-UP

1шт.

17

01010-81230

Bolt

SN: 502106-UP

2шт.

18

01643-31232

Washer

SN: 502106-UP

2шт.

19

6219-21-3110

Case, Gase

SN: 502106-UP

1шт.

20

07046-11816

Plug, Expansion

SN: 502106-UP

10шт.

21

6215-21-3821

Gasket

SN: 502106-UP

1шт.

22

01010-81230

Bolt

SN: 502106-UP

13шт.

23

6215-81-9510

Plug

SN: 502106-UP

4шт.

24

6215-81-9710

O-ring

SN: 502106-UP

4шт.

25

09920-00150

Liquid gasket, LG-7, 150G

SN: 502106-UP

-2шт.

Выбрано товаров: 25