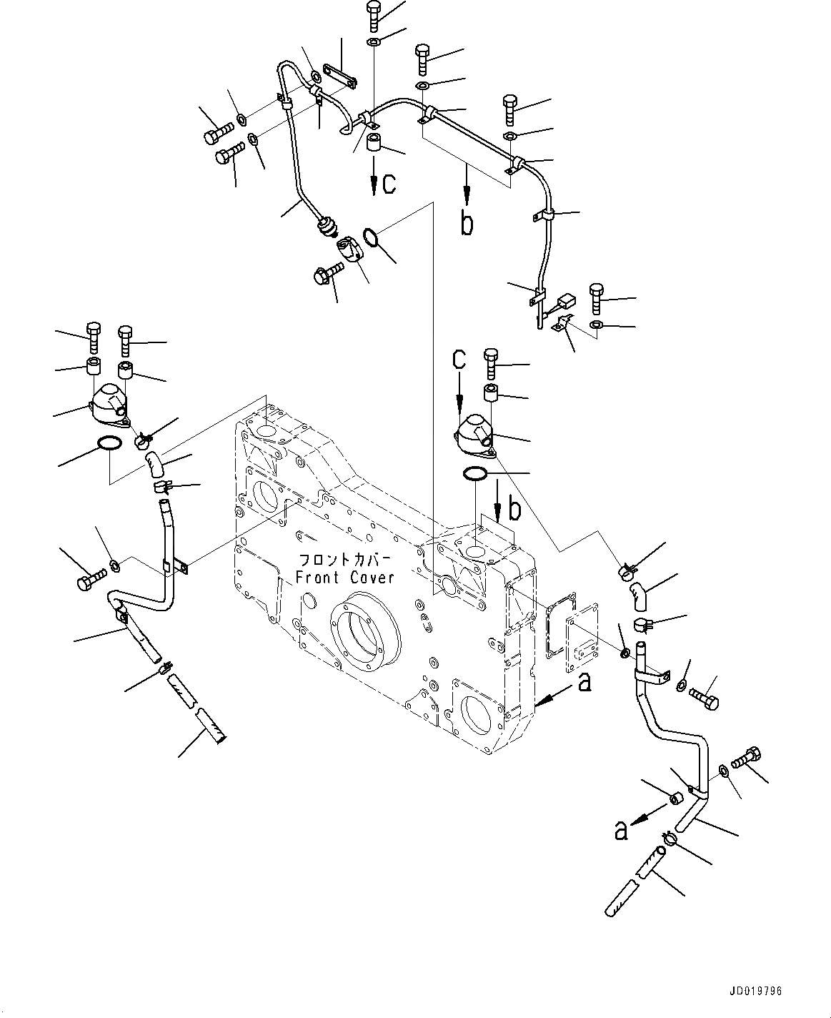
Запчасти Komatsu SAA12V140E-3C ПЕРЕДН. ЗУБЧАТ. ПЕРЕДАЧА КОРПУС, САПУН И ДАТЧИК ПРОРЫВА ГАЗОВ (№-) ПЕРЕДН. ЗУБЧАТ. ПЕРЕДАЧА КОРПУС, МОРОЗОУСТОЙЧИВ. СПЕЦИФ-Я (-DEG C)

Схема запчастей Komatsu SAA12V140E-3C - ПЕРЕДН. ЗУБЧАТ. ПЕРЕДАЧА КОРПУС, САПУН И ДАТЧИК ПРОРЫВА ГАЗОВ (№-) ПЕРЕДН. ЗУБЧАТ. ПЕРЕДАЧА КОРПУС, МОРОЗОУСТОЙЧИВ. СПЕЦИФ-Я (-DEG C)
6
1
25
26
24
4
2
1
7
8
8
7
6
8
8
2
3
3
2
9
10
11
12
13
14
15
19
17
16
18
22
20
21
22
31
32
29
30
34
27
5
4
2
28
36
35
28
36
35
33
23
27
27
38
39
37
27
FIT
1:1
100%

Артикул

Название

Примечание

Количество

1

6210-21-8711

Breather

SN: 502106-UP

2шт.

2

6631-11-5630

Spacer

SN: 502106-UP

4шт.

3

01010-81040

Bolt

SN: 502106-UP

3шт.

4

01010-81045

Bolt

SN: 502106-UP

1шт.

5

01643-31032

Washer

SN: 502106-UP

1шт.

6

07000-72060

O-ring

SN: 502106-UP

2шт.

7

6130-61-6611

Hose

SN: 502106-UP

2шт.

8

07285-00260

Clip, Hose

SN: 502106-UP

4шт.

9

6215-21-8610

Tube,R.H.

SN: 502106-UP

1шт.

10

01010-81220

Bolt

SN: 502106-UP

1шт.

11

01643-31232

Washer

SN: 502106-UP

1шт.

12

6215-21-8620

Tube,L.H.

SN: 502106-UP

1шт.

13

01010-81035

Bolt

SN: 502106-UP

1шт.

14

01643-31032

Washer

SN: 502106-UP

1шт.

15

6110-23-6490

Spacer

SN: 502106-UP

1шт.

16

01010-81245

Bolt

SN: 502106-UP

1шт.

17

01643-31232

Washer

SN: 502106-UP

1шт.

18

6127-92-1250

Spacer

SN: 502106-UP

1шт.

19

04434-52112

Clip

SN: 502106-UP

1шт.

20

07287-01914

Hose

SN: 502106-UP

1шт.

21

07287-01916

Hose

SN: 502106-UP

1шт.

22

07285-00220

Clip

SN: 502106-UP

2шт.

23

6218-81-4111

Sensor Assembly, Blowby

SN: 502106-UP

1шт.

24

6215-11-6320

Connector

SN: 502106-UP

1шт.

25

07000-03050

O-ring

SN: 502106-UP

1шт.

26

01435-00620

Bolt

SN: 502106-UP

2шт.

27

600-051-2100

Clip

SN: 502106-UP

4шт.

28

600-051-3100

Clip

SN: 502106-UP

2шт.

29

01010-81025

Bolt

SN: 502106-UP

1шт.

30

01643-31032

Washer

SN: 502106-UP

1шт.

31

01010-81020

Bolt

SN: 502106-UP

1шт.

32

01643-31032

Washer

SN: 502106-UP

1шт.

33

6212-65-6390

Plate

SN: 502106-UP

1шт.

34

01643-31032

Washer

SN: 502106-UP

1шт.

35

01010-81225

Bolt

SN: 502106-UP

2шт.

36

01643-31232

Washer

SN: 502106-UP

2шт.

37

08193-20010

Clip

SN: 502106-UP

1шт.

38

01010-81016

Bolt

SN: 502106-UP

1шт.

39

01643-31032

Washer

SN: 502106-UP

1шт.

Выбрано товаров: 39