Запчасти Komatsu SAA12V140E-3D-02 КОРПУС ШЕСТЕРЕНН. ПЕРЕДАЧИ И ЭЛЕМЕНТЫ ПЕРЕДН. КРЫШКИ (БЕЗ VHMS СПЕЦ-Я.)(№7-) ДВИГАТЕЛЬ

Схема запчастей Komatsu SAA12V140E-3D-02 - КОРПУС ШЕСТЕРЕНН. ПЕРЕДАЧИ И ЭЛЕМЕНТЫ ПЕРЕДН. КРЫШКИ (БЕЗ VHMS СПЕЦ-Я.)(№7-) ДВИГАТЕЛЬ
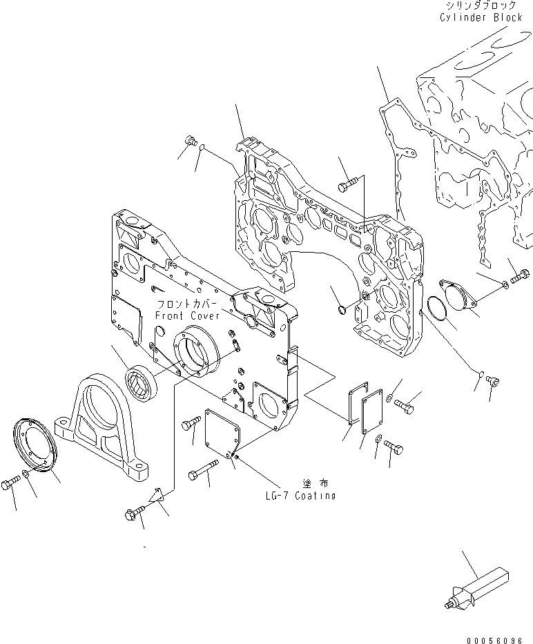
1
2
3
3
4
4
5
6
7
8
9
10
11
12
13
13
14
15
16
17
18
19
20
21
22
22
23
24
1
2
3
3
4
4
5
6
7
8
9
10
11
12
13
13
14
15
16
17
18
19
20
21
22
22
23
24
FIT
1:1
100%

Артикул

Название

Примечание

Количество

1

6215-71-3711

COVER

SN: 500076-UP

1шт.

2

6215-81-6190

GASKET (K2)

SN: 500076-UP

1шт.

3

01010-81025

BOLT

SN: 500076-UP

3шт.

4

01643-31032

WASHER

SN: 500076-UP

3шт.

5

6215-21-3350

POINTER

SN: 500076-UP

1шт.

6

01435-00610

BOLT

SN: 500076-UP

2шт.

7

6245-21-3121

SEAL, FRONT (K2)

SN: 500076-UP

1шт.

8

6219-21-3510

COVER

SN: 500076-UP

1шт.

9

01010-81220

BOLT

SN: 500076-UP

6шт.

10

01643-31232

WASHER

SN: 500076-UP

6шт.

11

6215-21-1850

COVER

SN: 500076-UP

1шт.

12

6219-21-1810

COVER

SN: 500076-UP

1шт.

13

01010-81285

BOLT

SN: 500496-UP

4шт.

13

01010-81280

BOLT

SN: 500076-500495

4шт.

14

01010-81225

BOLT

SN: 500496-UP

1шт.

14

01010-81220

BOLT

SN: 500076-500495

1шт.

15

07000-72100

O-RING (K2)

SN: 500076-UP

1шт.

16

01010-81230

BOLT

SN: 500076-UP

2шт.

17

01643-31232

WASHER

SN: 500076-UP

2шт.

18

6219-21-3110

CASE,GEAR

SN: 500076-UP

1шт.

19

07046-11816

PLUG

SN: 500076-UP

10шт.

20

6215-21-3821

GASKET

SN: 500345-UP

1шт.

20

0

GASKET (K2)

SN: 500076-500344

1шт.

21

01010-81230

BOLT

SN: 500076-UP

13шт.

22

6215-81-9510

PLUG

SN: 500076-UP

4шт.

23

6215-81-9710

O-RING (K2)

SN: 500076-UP

4шт.

24

09920-00150

LIQUID GASKET,LG-7, 150G

SN: 500076-UP

-2шт.

1

6215-71-3711

COVER

SN: 500076-UP

1шт.

2

6215-81-6190

GASKET (K2)

SN: 500076-UP

1шт.

3

01010-81025

BOLT

SN: 500076-UP

3шт.

4

01643-31032

WASHER

SN: 500076-UP

3шт.

5

6215-21-3350

POINTER

SN: 500076-UP

1шт.

6

01435-00610

BOLT

SN: 500076-UP

2шт.

7

6245-21-3121

SEAL, FRONT (K2)

SN: 500076-UP

1шт.

8

6219-21-3510

COVER

SN: 500076-UP

1шт.

9

01010-81220

BOLT

SN: 500076-UP

6шт.

10

01643-31232

WASHER

SN: 500076-UP

6шт.

11

6215-21-1850

COVER

SN: 500076-UP

1шт.

12

6219-21-1810

COVER

SN: 500076-UP

1шт.

13

01010-81285

BOLT

SN: 500496-UP

4шт.

13

01010-81280

BOLT

SN: 500076-500495

4шт.

14

01010-81225

BOLT

SN: 500496-UP

1шт.

14

01010-81220

BOLT

SN: 500076-500495

1шт.

15

07000-72100

O-RING (K2)

SN: 500076-UP

1шт.

16

01010-81230

BOLT

SN: 500076-UP

2шт.

17

01643-31232

WASHER

SN: 500076-UP

2шт.

18

6219-21-3110

CASE,GEAR

SN: 500076-UP

1шт.

19

07046-11816

PLUG

SN: 500076-UP

10шт.

20

6215-21-3821

GASKET

SN: 500345-UP

1шт.

20

0

GASKET (K2)

SN: 500076-500344

1шт.

21

01010-81230

BOLT

SN: 500076-UP

13шт.

22

6215-81-9510

PLUG

SN: 500076-UP

4шт.

23

6215-81-9710

O-RING (K2)

SN: 500076-UP

4шт.

24

09920-00150

LIQUID GASKET,LG-7, 150G

SN: 500076-UP

-2шт.

Выбрано товаров: 54