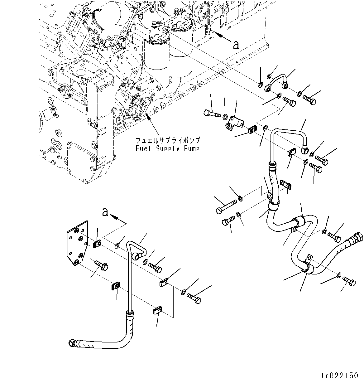
Запчасти Komatsu SAA12V140E-3D ТОПЛИВОПРОВОД., ПРАВ. ГРУПП. (№-) ТОПЛИВОПРОВОД., ДЛЯ EXTRA BAD ТОПЛИВН. И ПЛОХ. ТОПЛИВО СПЕЦ-ЯIFICATION, ВОДН.+DUST, ДОПОЛН. ФИЛЬТР.

Схема запчастей Komatsu SAA12V140E-3D - ТОПЛИВОПРОВОД., ПРАВ. ГРУПП. (№-) ТОПЛИВОПРОВОД., ДЛЯ EXTRA BAD ТОПЛИВН. И ПЛОХ. ТОПЛИВО СПЕЦ-ЯIFICATION, ВОДН.+DUST, ДОПОЛН. ФИЛЬТР.
16
21
2
4
3
11
10
7
8
22
23
21
21
21
20
19
6
9
12
13
14
5
6
7
8
5
15
18
17
18
18
18
17
17
18
18
12
18
18
17
1
7
8
5
6
16
21
2
4
3
11
10
7
8
22
23
21
21
21
20
19
6
9
12
13
14
5
6
7
8
5
15
18
17
18
18
18
17
17
18
18
12
18
18
17
1
7
8
5
6
FIT
1:1
100%

Артикул

Название

Примечание

Количество

1

6219-71-7690

Hose

SN: 502369-UP

1шт.

2

6219-71-7620

Bracket

SN: 502369-UP

1шт.

3

01010-81035

Bolt

SN: 502369-UP

1шт.

4

01643-31032

Washer

SN: 502369-UP

1шт.

5

04434-52511

Clip

SN: 502369-UP

3шт.

6

07095-20318

Cushion

SN: 502369-UP

3шт.

7

01010-81020

Bolt

SN: 502369-UP

3шт.

8

01643-31032

Washer

SN: 502369-UP

3шт.

9

6212-85-2440

Bracket

SN: 502369-UP

1шт.

10

01010-81075

Bolt

SN: 502369-UP

1шт.

11

01643-31032

Washer

SN: 502369-UP

1шт.

12

6934-52-6810

Clamp

SN: 502369-UP

2шт.

13

01010-81040

Bolt

SN: 502369-UP

1шт.

14

01643-31032

Washer

SN: 502369-UP

1шт.

15

6219-71-7680

Tube

SN: 502369-UP

1шт.

16

6219-71-8620

Hose

SN: 502369-UP

1шт.

17

07206-31014

Bolt, Joint

SN: 502369-UP

4шт.

18

07005-01412

Seal, Washer

SN: 502369-UP

8шт.

19

6219-71-4790

Bracket

SN: 502369-UP

1шт.

20

01435-01020

Bolt

SN: 505255-UP

4шт.

21

6934-52-6810

Clamp

SN: 502369-UP

4шт.

22

01010-80835

Bolt

SN: 502369-UP

2шт.

23

01643-30823

Washer

SN: 502369-UP

2шт.

1

6219-71-7690

Hose

SN: 502369-UP

1шт.

2

6219-71-7620

Bracket

SN: 502369-UP

1шт.

3

01010-81035

Bolt

SN: 502369-UP

1шт.

4

01643-31032

Washer

SN: 502369-UP

1шт.

5

04434-52511

Clip

SN: 502369-UP

3шт.

6

07095-20318

Cushion

SN: 502369-UP

3шт.

7

01010-81020

Bolt

SN: 502369-UP

3шт.

8

01643-31032

Washer

SN: 502369-UP

3шт.

9

6212-85-2440

Bracket

SN: 502369-UP

1шт.

10

01010-81075

Bolt

SN: 502369-UP

1шт.

11

01643-31032

Washer

SN: 502369-UP

1шт.

12

6934-52-6810

Clamp

SN: 502369-UP

2шт.

13

01010-81040

Bolt

SN: 502369-UP

1шт.

14

01643-31032

Washer

SN: 502369-UP

1шт.

15

6219-71-7680

Tube

SN: 502369-UP

1шт.

16

6219-71-8620

Hose

SN: 502369-UP

1шт.

17

07206-31014

Bolt, Joint

SN: 502369-UP

4шт.

18

07005-01412

Seal, Washer

SN: 502369-UP

8шт.

19

6219-71-4790

Bracket

SN: 502369-UP

1шт.

20

01435-01020

Bolt

SN: 505255-UP

4шт.

21

6934-52-6810

Clamp

SN: 502369-UP

4шт.

22

01010-80835

Bolt

SN: 502369-UP

2шт.

23

01643-30823

Washer

SN: 502369-UP

2шт.

Выбрано товаров: 46