Запчасти Komatsu SAA12V140E-3D ТОПЛИВОПРОВОД., ТОПЛИВН. ФИЛЬТР., ПРАВ. ГРУПП. (№9-) ТОПЛИВОПРОВОД., ДЛЯ EXTRA BAD ТОПЛИВН. И ПЛОХ. ТОПЛИВО СПЕЦ-ЯIFICATION, ВОДН.+DUST, ДОПОЛН. ФИЛЬТР.

Схема запчастей Komatsu SAA12V140E-3D - ТОПЛИВОПРОВОД., ТОПЛИВН. ФИЛЬТР., ПРАВ. ГРУПП. (№9-) ТОПЛИВОПРОВОД., ДЛЯ EXTRA BAD ТОПЛИВН. И ПЛОХ. ТОПЛИВО СПЕЦ-ЯIFICATION, ВОДН.+DUST, ДОПОЛН. ФИЛЬТР.
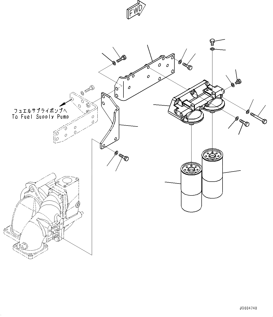
1
5
4
3
2
6
6
7
8
10
9
14
13
12
16
15
14
13
11
1
5
4
3
2
6
6
7
8
10
9
14
13
12
16
15
14
13
11
FIT
1:1
100%

Артикул

Название

Примечание

Количество

|$0

6261-71-6700

Head Assembly

SN: 502369-UP

1шт.

1

6261-71-6710

Head

SN: 502369-UP

1шт.

2

6110-73-6231

Plug

SN: 502369-UP

3шт.

3

07005-00812

Seal, Washer

SN: 502369-UP

3шт.

4

07040-11409

Plug

SN: 502369-UP

1шт.

5

07005-01412

Seal, Washer

SN: 502369-UP

1шт.

6

Cartridge (1-5/8)

SN: 502369-UP

2шт.

7

01010-81045

Bolt

SN: 502369-UP

3шт.

8

01643-31032

Washer

SN: 502369-UP

3шт.

9

01011-81010

Bolt

SN: 502369-UP

3шт.

10

01643-31032

Washer

SN: 502369-UP

3шт.

11

6219-71-8450

Bracket

SN: 502369-UP

1шт.

12

6219-71-8460

Bracket

SN: 502369-UP

1шт.

13

01010-81025

Bolt

SN: 502369-UP

6шт.

14

01643-31032

Washer

SN: 502369-UP

6шт.

15

01010-81045

Bolt

SN: 502369-UP

2шт.

16

01643-31032

Washer

SN: 502369-UP

2шт.

|$0

6261-71-6700

Head Assembly

SN: 502369-UP

1шт.

1

6261-71-6710

Head

SN: 502369-UP

1шт.

2

6110-73-6231

Plug

SN: 502369-UP

3шт.

3

07005-00812

Seal, Washer

SN: 502369-UP

3шт.

4

07040-11409

Plug

SN: 502369-UP

1шт.

5

07005-01412

Seal, Washer

SN: 502369-UP

1шт.

6

Cartridge (1-5/8)

SN: 502369-UP

2шт.

7

01010-81045

Bolt

SN: 502369-UP

3шт.

8

01643-31032

Washer

SN: 502369-UP

3шт.

9

01011-81010

Bolt

SN: 502369-UP

3шт.

10

01643-31032

Washer

SN: 502369-UP

3шт.

11

6219-71-8450

Bracket

SN: 502369-UP

1шт.

12

6219-71-8460

Bracket

SN: 502369-UP

1шт.

13

01010-81025

Bolt

SN: 502369-UP

6шт.

14

01643-31032

Washer

SN: 502369-UP

6шт.

15

01010-81045

Bolt

SN: 502369-UP

2шт.

16

01643-31032

Washer

SN: 502369-UP

2шт.

Выбрано товаров: 34