Запчасти Komatsu SAA12V140E-3D МАСЛЯНЫЙ ПОДДОН И ВСАСЫВАЮЩИЙ ПАТРУБОК, МАСЛ. ЩУП (№8-) МАСЛЯНЫЙ ПОДДОН И ВСАСЫВАЮЩИЙ ПАТРУБОК, ДЛЯ ХОЛОДН. AREA СПЕЦ-ЯIFICATION A (- DEG C)

Схема запчастей Komatsu SAA12V140E-3D - МАСЛЯНЫЙ ПОДДОН И ВСАСЫВАЮЩИЙ ПАТРУБОК, МАСЛ. ЩУП (№8-) МАСЛЯНЫЙ ПОДДОН И ВСАСЫВАЮЩИЙ ПАТРУБОК, ДЛЯ ХОЛОДН. AREA СПЕЦ-ЯIFICATION A (- DEG C)
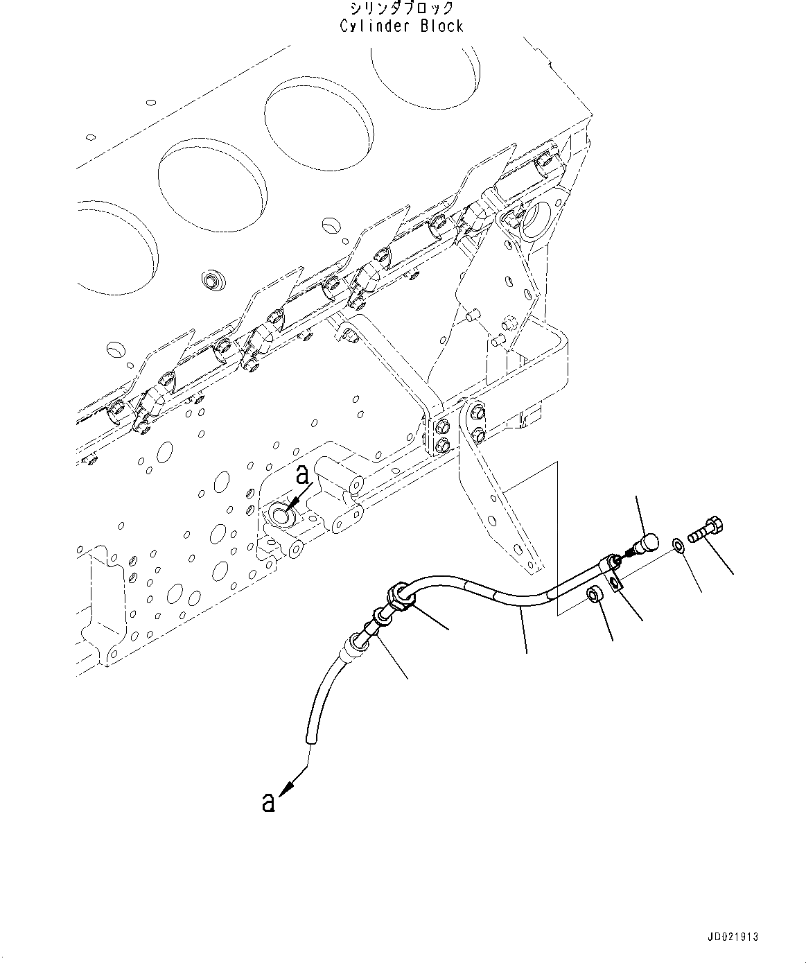
8
2
6
1
3
4
7
5
8
2
6
1
3
4
7
5
FIT
1:1
100%

Артикул

Название

Примечание

Количество

1

6219-21-5430

Gauge, Oil Level

SN: 503408-UP

1шт.

2

6219-21-5420

Guide, Oil Gauge

SN: 503408-UP

1шт.

3

01010-81030

Bolt

SN: 503408-UP

1шт.

4

01643-31032

Washer

SN: 503408-UP

1шт.

5

04434-51310

Clip

SN: 503408-UP

1шт.

6

07000-72012

O-ring

SN: 503408-UP

1шт.

7

07201-61527

Nut

SN: 503408-UP

1шт.

8

21T-72-14930

Boss

SN: 503408-UP

1шт.

1

6219-21-5430

Gauge, Oil Level

SN: 503408-UP

1шт.

2

6219-21-5420

Guide, Oil Gauge

SN: 503408-UP

1шт.

3

01010-81030

Bolt

SN: 503408-UP

1шт.

4

01643-31032

Washer

SN: 503408-UP

1шт.

5

04434-51310

Clip

SN: 503408-UP

1шт.

6

07000-72012

O-ring

SN: 503408-UP

1шт.

7

07201-61527

Nut

SN: 503408-UP

1шт.

8

21T-72-14930

Boss

SN: 503408-UP

1шт.

Выбрано товаров: 16