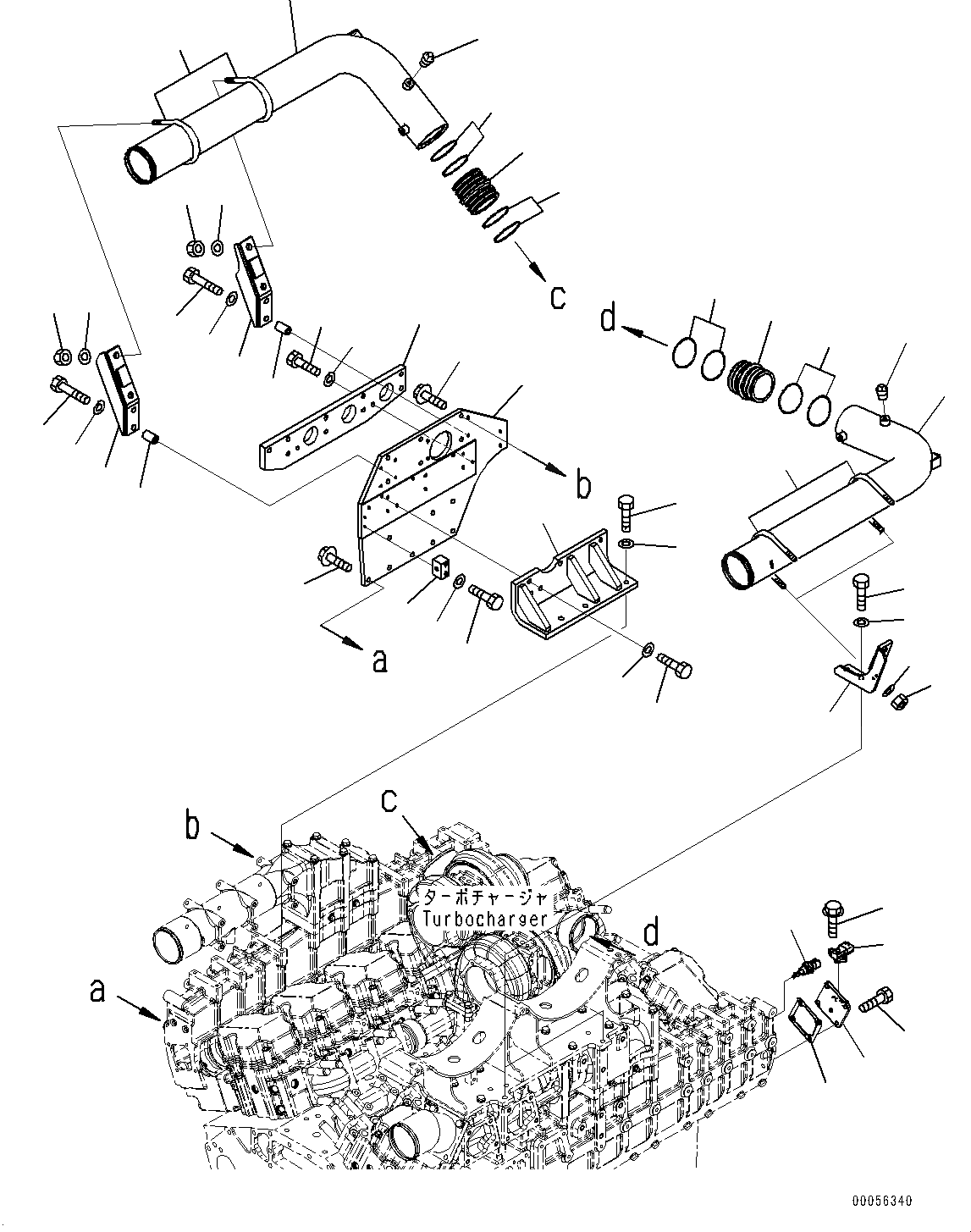
Запчасти Komatsu SAA12V140E-3D ТРУБОПРОВОД ВПУСКА ВОЗДУХА, ВПУСК ВОЗДУХА СОЕДИН-Е И ДАТЧИК (№9-) ТРУБОПРОВОД ВПУСКА ВОЗДУХА

Схема запчастей Komatsu SAA12V140E-3D - ТРУБОПРОВОД ВПУСКА ВОЗДУХА, ВПУСК ВОЗДУХА СОЕДИН-Е И ДАТЧИК (№9-) ТРУБОПРОВОД ВПУСКА ВОЗДУХА
8
15
17
20
11
10
5
4
5
3
2
9
11
10
20
17
7
15
12
21
22
24
23
25
16
14
17
19
17
17
18
13
10
11
5
4
5
3
1
9
6
19
17
29
30
28
26
31
27
8
15
17
20
11
10
5
4
5
3
2
9
11
10
20
17
7
15
12
21
22
24
23
25
16
14
17
19
17
17
18
13
10
11
5
4
5
3
1
9
6
19
17
29
30
28
26
31
27
FIT
1:1
100%

Артикул

Название

Примечание

Количество

1

6219-11-8210

Tube,L.H.

SN: 502369-UP

1шт.

2

6219-11-8220

Tube,R.H.

SN: 502369-UP

1шт.

3

07042-70108

Plug

SN: 502369-UP

2шт.

4

6211-11-4410

Connector

SN: 502369-UP

2шт.

5

02895-77075

O-ring

SN: 502369-UP

8шт.

6

6219-11-8160

Bracket

SN: 502369-UP

2шт.

7

6219-11-8250

Bracket

SN: 502369-UP

1шт.

8

6219-11-8130

Bracket

SN: 502369-UP

1шт.

9

07283-31087

Clip, Pipe

SN: 502369-UP

4шт.

10

01597-01211

Nut

SN: 502369-UP

8шт.

11

01643-31232

Washer

SN: 502369-UP

8шт.

12

6219-11-8190

Spacer

SN: 502369-UP

1шт.

13

6219-11-8170

Bracket

SN: 502369-UP

1шт.

14

6219-11-8110

Plate

SN: 502369-UP

1шт.

15

6150-81-6920

Spacer

SN: 502369-UP

4шт.

16

01010-81020

Bolt

SN: 502369-UP

2шт.

17

01643-31032

Washer

SN: 505611-UP

15шт.

17

01643-31032

Washer

SN: 502369-505610

16шт.

18

01010-81030

Bolt

SN: 502369-UP

3шт.

19

01010-81035

Bolt

SN: 505611-UP

6шт.

19

01010-81035

Bolt

SN: 502369-505610

7шт.

20

01010-81065

Bolt

SN: 502369-UP

4шт.

21

01435-01025

Bolt

SN: 502369-UP

6шт.

22

01435-01030

Bolt

SN: 502369-UP

8шт.

23

6219-81-7590

Bracket

SN: 502369-UP

1шт.

24

01010-80845

Bolt

SN: 502369-UP

2шт.

25

01643-30823

Washer

SN: 502369-UP

2шт.

26

6261-81-2700

Sensor Assembly, Boost Pressure

SN: 502369-UP

1шт.

26

6261-81-2710

Sensor

SN: 502369-UP

1шт.

26

6261-81-2720

O-ring

SN: 502369-UP

1шт.

27

01435-00616

Bolt

SN: 502369-UP

2шт.

28

6219-81-8940

Block

SN: 502369-UP

1шт.

29

6216-11-8220

Gasket

SN: 502369-UP

1шт.

30

01010-81025

Bolt

SN: 505611-UP

1шт.

30

01010-81025

Bolt

SN: 502369-505610

3шт.

31

6560-61-7300

Sensor Assembly, Boost Temperature

SN: 502369-UP

1шт.

31

6560-61-7310

Sensor

SN: 502369-UP

1шт.

31

6735-21-1930

O-ring

SN: 502369-UP

1шт.

1

6219-11-8210

Tube,L.H.

SN: 502369-UP

1шт.

2

6219-11-8220

Tube,R.H.

SN: 502369-UP

1шт.

3

07042-70108

Plug

SN: 502369-UP

2шт.

4

6211-11-4410

Connector

SN: 502369-UP

2шт.

5

02895-77075

O-ring

SN: 502369-UP

8шт.

6

6219-11-8160

Bracket

SN: 502369-UP

2шт.

7

6219-11-8250

Bracket

SN: 502369-UP

1шт.

8

6219-11-8130

Bracket

SN: 502369-UP

1шт.

9

07283-31087

Clip, Pipe

SN: 502369-UP

4шт.

10

01597-01211

Nut

SN: 502369-UP

8шт.

11

01643-31232

Washer

SN: 502369-UP

8шт.

12

6219-11-8190

Spacer

SN: 502369-UP

1шт.

13

6219-11-8170

Bracket

SN: 502369-UP

1шт.

14

6219-11-8110

Plate

SN: 502369-UP

1шт.

15

6150-81-6920

Spacer

SN: 502369-UP

4шт.

16

01010-81020

Bolt

SN: 502369-UP

2шт.

17

01643-31032

Washer

SN: 505611-UP

15шт.

17

01643-31032

Washer

SN: 502369-505610

16шт.

18

01010-81030

Bolt

SN: 502369-UP

3шт.

19

01010-81035

Bolt

SN: 505611-UP

6шт.

19

01010-81035

Bolt

SN: 502369-505610

7шт.

20

01010-81065

Bolt

SN: 502369-UP

4шт.

21

01435-01025

Bolt

SN: 502369-UP

6шт.

22

01435-01030

Bolt

SN: 502369-UP

8шт.

23

6219-81-7590

Bracket

SN: 502369-UP

1шт.

24

01010-80845

Bolt

SN: 502369-UP

2шт.

25

01643-30823

Washer

SN: 502369-UP

2шт.

26

6261-81-2700

Sensor Assembly, Boost Pressure

SN: 502369-UP

1шт.

26

6261-81-2710

Sensor

SN: 502369-UP

1шт.

26

6261-81-2720

O-ring

SN: 502369-UP

1шт.

27

01435-00616

Bolt

SN: 502369-UP

2шт.

28

6219-81-8940

Block

SN: 502369-UP

1шт.

29

6216-11-8220

Gasket

SN: 502369-UP

1шт.

30

01010-81025

Bolt

SN: 505611-UP

1шт.

30

01010-81025

Bolt

SN: 502369-505610

3шт.

31

6560-61-7300

Sensor Assembly, Boost Temperature

SN: 502369-UP

1шт.

31

6560-61-7310

Sensor

SN: 502369-UP

1шт.

31

6735-21-1930

O-ring

SN: 502369-UP

1шт.

Выбрано товаров: 76