Запчасти Komatsu SAA12V140E-3E-02 САПУН И ДАТЧИК ПРОРЫВА ГАЗОВ ЭЛЕКТРОПРОВОДКА (EXTREMELY BAD ТОПЛИВН. И ПЛОХ. ТОПЛИВО ARRANGEMENT СПЕЦ-Я.) (ВОДН.+DUST)(№8-) ДВИГАТЕЛЬ

Схема запчастей Komatsu SAA12V140E-3E-02 - САПУН И ДАТЧИК ПРОРЫВА ГАЗОВ ЭЛЕКТРОПРОВОДКА (EXTREMELY BAD ТОПЛИВН. И ПЛОХ. ТОПЛИВО ARRANGEMENT СПЕЦ-Я.) (ВОДН.+DUST)(№8-) ДВИГАТЕЛЬ
1
2
3
4
5
6
6
7
8
9
10
10
11
12
13
14
15
16
17
17
18
19
20
21
22
23
24
25
26
27
28
29
30
31
32
33
33
33
33
34
34
35
35
36
36
37
37
38
38
39
40
41
42
43
44
1
2
3
4
5
6
6
7
8
9
10
10
11
12
13
14
15
16
17
17
18
19
20
21
22
23
24
25
26
27
28
29
30
31
32
33
33
33
33
34
34
35
35
36
36
37
37
38
38
39
40
41
42
43
44
FIT
1:1
100%

Артикул

Название

Примечание

Количество

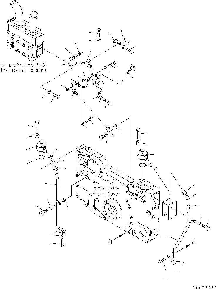
1

6210-21-8711

BREATHER

SN: 500584-UP

1шт.

2

6631-11-5630

SPACER

SN: 500584-UP

2шт.

3

01010-81040

BOLT

SN: 500584-UP

2шт.

4

07000-72060

O-RING (K2)

SN: 500584-UP

1шт.

5

6130-61-6611

HOSE

SN: 500584-UP

1шт.

6

07285-00260

CLIP

SN: 500584-UP

2шт.

7

6219-21-8790

TUBE,R.H.

SN: 500584-UP

1шт.

8

01010-81220

BOLT

SN: 500584-UP

2шт.

9

01010-81255

BOLT

SN: 500584-UP

1шт.

10

01643-31232

WASHER

SN: 500584-UP

1шт.

11

6127-11-5180

SPACER

SN: 500584-UP

1шт.

12

6210-21-8711

BREATHER

SN: 500584-UP

1шт.

13

6631-11-5630

SPACER

SN: 500584-UP

2шт.

14

01010-81040

BOLT

SN: 500584-UP

2шт.

15

07000-72060

O-RING (K2)

SN: 500584-UP

1шт.

16

6130-61-6611

HOSE

SN: 500584-UP

1шт.

17

07285-00260

CLIP

SN: 500584-UP

2шт.

18

01010-81220

BOLT

SN: 500584-UP

1шт.

19

01643-31232

WASHER

SN: 500584-UP

1шт.

20

6219-21-8780

TUBE,L.H.

SN: 500584-UP

1шт.

21

01010-81030

BOLT

SN: 500584-UP

1шт.

22

01643-31032

WASHER

SN: 500584-UP

1шт.

23

6218-81-4111

SENSOR ASS'Y,BLOWBY

SN: 500584-UP

1шт.

24

6215-11-6320

CONNECTOR

SN: 500584-UP

1шт.

25

07000-03050

O-RING (K2)

SN: 500584-UP

1шт.

26

01435-00620

BOLT

SN: 500584-UP

2шт.

27

6151-11-8920

STAY

SN: 500584-UP

1шт.

28

6150-65-7440

STAY

SN: 500584-UP

1шт.

29

01010-81030

BOLT

SN: 500584-UP

1шт.

30

01643-31032

WASHER

SN: 500584-UP

1шт.

31

01010-81020

BOLT

SN: 500584-UP

1шт.

32

01643-31032

WASHER

SN: 500584-UP

1шт.

33

600-051-2100

CLIP

SN: 500584-UP

5шт.

34

6631-11-6390

SPACER

SN: 500584-UP

2шт.

35

01010-81020

BOLT

SN: 500584-UP

2шт.

36

01643-31032

WASHER

SN: 500584-UP

2шт.

37

01010-81030

BOLT

SN: 500584-UP

2шт.

38

01643-31032

WASHER

SN: 500584-UP

2шт.

39

01010-81025

BOLT

SN: 500584-UP

1шт.

40

01643-31032

WASHER

SN: 500584-UP

1шт.

41

01584-01008

NUT

SN: 500584-UP

1шт.

42

01010-81030

BOLT

SN: 500584-UP

1шт.

43

01643-31032

WASHER

SN: 500584-UP

1шт.

44

08193-20010

CLIP

SN: 500584-UP

1шт.

1

6210-21-8711

BREATHER

SN: 500584-UP

1шт.

2

6631-11-5630

SPACER

SN: 500584-UP

2шт.

3

01010-81040

BOLT

SN: 500584-UP

2шт.

4

07000-72060

O-RING (K2)

SN: 500584-UP

1шт.

5

6130-61-6611

HOSE

SN: 500584-UP

1шт.

6

07285-00260

CLIP

SN: 500584-UP

2шт.

7

6219-21-8790

TUBE,R.H.

SN: 500584-UP

1шт.

8

01010-81220

BOLT

SN: 500584-UP

2шт.

9

01010-81255

BOLT

SN: 500584-UP

1шт.

10

01643-31232

WASHER

SN: 500584-UP

1шт.

11

6127-11-5180

SPACER

SN: 500584-UP

1шт.

12

6210-21-8711

BREATHER

SN: 500584-UP

1шт.

13

6631-11-5630

SPACER

SN: 500584-UP

2шт.

14

01010-81040

BOLT

SN: 500584-UP

2шт.

15

07000-72060

O-RING (K2)

SN: 500584-UP

1шт.

16

6130-61-6611

HOSE

SN: 500584-UP

1шт.

17

07285-00260

CLIP

SN: 500584-UP

2шт.

18

01010-81220

BOLT

SN: 500584-UP

1шт.

19

01643-31232

WASHER

SN: 500584-UP

1шт.

20

6219-21-8780

TUBE,L.H.

SN: 500584-UP

1шт.

21

01010-81030

BOLT

SN: 500584-UP

1шт.

22

01643-31032

WASHER

SN: 500584-UP

1шт.

23

6218-81-4111

SENSOR ASS'Y,BLOWBY

SN: 500584-UP

1шт.

24

6215-11-6320

CONNECTOR

SN: 500584-UP

1шт.

25

07000-03050

O-RING (K2)

SN: 500584-UP

1шт.

26

01435-00620

BOLT

SN: 500584-UP

2шт.

27

6151-11-8920

STAY

SN: 500584-UP

1шт.

28

6150-65-7440

STAY

SN: 500584-UP

1шт.

29

01010-81030

BOLT

SN: 500584-UP

1шт.

30

01643-31032

WASHER

SN: 500584-UP

1шт.

31

01010-81020

BOLT

SN: 500584-UP

1шт.

32

01643-31032

WASHER

SN: 500584-UP

1шт.

33

600-051-2100

CLIP

SN: 500584-UP

5шт.

34

6631-11-6390

SPACER

SN: 500584-UP

2шт.

35

01010-81020

BOLT

SN: 500584-UP

2шт.

36

01643-31032

WASHER

SN: 500584-UP

2шт.

37

01010-81030

BOLT

SN: 500584-UP

2шт.

38

01643-31032

WASHER

SN: 500584-UP

2шт.

39

01010-81025

BOLT

SN: 500584-UP

1шт.

40

01643-31032

WASHER

SN: 500584-UP

1шт.

41

01584-01008

NUT

SN: 500584-UP

1шт.

42

01010-81030

BOLT

SN: 500584-UP

1шт.

43

01643-31032

WASHER

SN: 500584-UP

1шт.

44

08193-20010

CLIP

SN: 500584-UP

1шт.

Выбрано товаров: 88