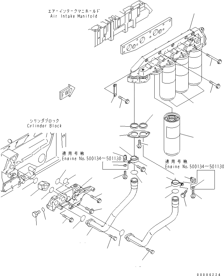
Запчасти Komatsu SAA12V140E-3E-02 МАСЛ. ФИЛЬТР И ТРУБЫ(№-) ДВИГАТЕЛЬ

Схема запчастей Komatsu SAA12V140E-3E-02 - МАСЛ. ФИЛЬТР И ТРУБЫ(№-) ДВИГАТЕЛЬ
1
2
2
3
4
5
6
7
8
9
10
10
10
11
12
13
14
15
16
16
17
17
18
18
19
20
20
21
22
22
23
23
24
24
25
25
25
25
26
26
27
28
1
2
2
3
4
5
6
7
8
9
10
10
10
11
12
13
14
15
16
16
17
17
18
18
19
20
20
21
22
22
23
23
24
24
25
25
25
25
26
26
27
28
FIT
1:1
100%

Артикул

Название

Примечание

Количество

1

6216-54-6431

HEAD ASS'Y,OIL FILTER

SN: 502416-UP

1шт.

1

6216-54-6430

HEAD ASS'Y,OIL FILTER

SN: 500134-502415

1шт.

2

600-211-1340

CARTRIDGE

SN: 500134-UP

4шт.

3

01435-01075

BOLT

SN: 500134-UP

3шт.

4

01436-01020

BOLT

SN: 500134-UP

4шт.

5

6212-65-6390

PLATE

SN: 500134-UP

2шт.

6

01435-01080

BOLT

SN: 500134-UP

2шт.

7

6219-51-5100

CONNECTOR ASS'Y

SN: 500134-UP

1шт.

8

6219-51-5150

SPACER

SN: 500134-UP

1шт.

9

07000-73045

O-RING (K2)

SN: 500134-UP

1шт.

10

07000-73040

O-RING (K2)

SN: 500134-UP

3шт.

11

01436-01050

BOLT

SN: 500134-UP

5шт.

12

01435-01035

BOLT

SN: 500134-UP

1шт.

13

01435-01095

BOLT

SN: 500134-UP

1шт.

14

6219-51-5710

TUBE,INLET

SN: 500134-UP

1шт.

15

6219-51-5720

TUBE,RETURN

SN: 500134-UP

1шт.

16

01010-81030

BOLT

SN: 500134-UP

4шт.

17

07000-73045

O-RING (K2)

SN: 500134-UP

2шт.

18

6219-51-5610

O-RING (K2)

SN: 500134-UP

2шт.

19

6215-51-5650

PLATE

SN: 500134-UP

1шт.

20

6219-51-5620

GROMMET (K2)

SN: 500134-UP

2шт.

21

01435-01025

BOLT

SN: 500134-UP

1шт.

22

6219-51-5830

PLATE

SN: 500134-UP

2шт.

23

01435-01055

BOLT

SN: 500134-UP

2шт.

24

01643-01032

WASHER

SN: 500134-501130

2шт.

25

6165-61-6791

CLAMP,HALF

SN: 500134-UP

4шт.

26

01435-00820

BOLT

SN: 500134-UP

2шт.

27

07040-12012

PLUG

SN: 500134-UP

1шт.

28

07002-22034

O-RING (K2)

SN: 500134-UP

1шт.

1

6216-54-6431

HEAD ASS'Y,OIL FILTER

SN: 502416-UP

1шт.

1

6216-54-6430

HEAD ASS'Y,OIL FILTER

SN: 500134-502415

1шт.

2

600-211-1340

CARTRIDGE

SN: 500134-UP

4шт.

3

01435-01075

BOLT

SN: 500134-UP

3шт.

4

01436-01020

BOLT

SN: 500134-UP

4шт.

5

6212-65-6390

PLATE

SN: 500134-UP

2шт.

6

01435-01080

BOLT

SN: 500134-UP

2шт.

7

6219-51-5100

CONNECTOR ASS'Y

SN: 500134-UP

1шт.

8

6219-51-5150

SPACER

SN: 500134-UP

1шт.

9

07000-73045

O-RING (K2)

SN: 500134-UP

1шт.

10

07000-73040

O-RING (K2)

SN: 500134-UP

3шт.

11

01436-01050

BOLT

SN: 500134-UP

5шт.

12

01435-01035

BOLT

SN: 500134-UP

1шт.

13

01435-01095

BOLT

SN: 500134-UP

1шт.

14

6219-51-5710

TUBE,INLET

SN: 500134-UP

1шт.

15

6219-51-5720

TUBE,RETURN

SN: 500134-UP

1шт.

16

01010-81030

BOLT

SN: 500134-UP

4шт.

17

07000-73045

O-RING (K2)

SN: 500134-UP

2шт.

18

6219-51-5610

O-RING (K2)

SN: 500134-UP

2шт.

19

6215-51-5650

PLATE

SN: 500134-UP

1шт.

20

6219-51-5620

GROMMET (K2)

SN: 500134-UP

2шт.

21

01435-01025

BOLT

SN: 500134-UP

1шт.

22

6219-51-5830

PLATE

SN: 500134-UP

2шт.

23

01435-01055

BOLT

SN: 500134-UP

2шт.

24

01643-01032

WASHER

SN: 500134-501130

2шт.

25

6165-61-6791

CLAMP,HALF

SN: 500134-UP

4шт.

26

01435-00820

BOLT

SN: 500134-UP

2шт.

27

07040-12012

PLUG

SN: 500134-UP

1шт.

28

07002-22034

O-RING (K2)

SN: 500134-UP

1шт.

Выбрано товаров: 58