Запчасти Komatsu SAA12V140E-3E-02 ТОПЛИВН. ВОЗДУШН. ВЕНТИЛЯЦИЯ (ЛЕВ. ГРУПП.) (EXTREMELY BAD ТОПЛИВН. И ПЛОХ. ТОПЛИВО ARRANGEMENT СПЕЦ-Я.) (ВОДН.+DUST)(№8-) ДВИГАТЕЛЬ

Схема запчастей Komatsu SAA12V140E-3E-02 - ТОПЛИВН. ВОЗДУШН. ВЕНТИЛЯЦИЯ (ЛЕВ. ГРУПП.) (EXTREMELY BAD ТОПЛИВН. И ПЛОХ. ТОПЛИВО ARRANGEMENT СПЕЦ-Я.) (ВОДН.+DUST)(№8-) ДВИГАТЕЛЬ
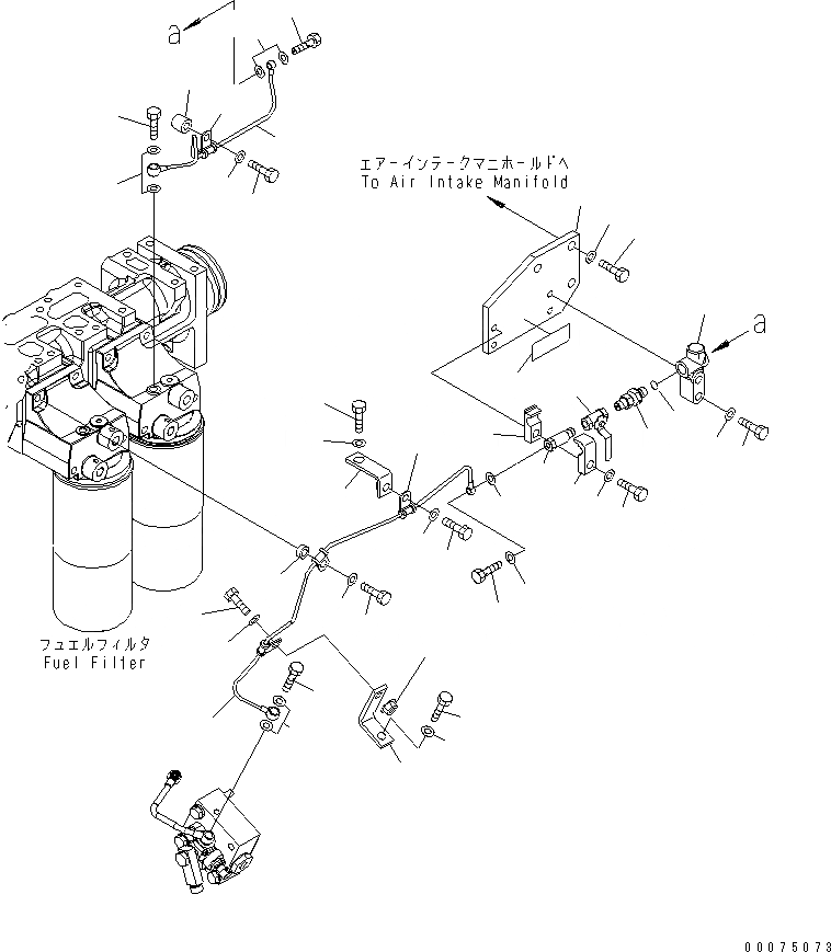
1
2
3
4
5
6
7
7
8
8
9
10
11
12
13
14
15
16
17
18
19
20
21
22
23
24
24
25
26
27
28
29
30
31
32
33
34
34
35
35
36
37
38
39
40
1
2
3
4
5
6
7
7
8
8
9
10
11
12
13
14
15
16
17
18
19
20
21
22
23
24
24
25
26
27
28
29
30
31
32
33
34
34
35
35
36
37
38
39
40
FIT
1:1
100%

Артикул

Название

Примечание

Количество

1

6219-71-8510

PLATE

SN: 500584-UP

1шт.

2

01010-81235

BOLT

SN: 500584-UP

3шт.

3

01643-31232

WASHER

SN: 500584-UP

3шт.

4

6261-71-7180

BLOCK

SN: 500584-UP

1шт.

5

6240-71-6530

CLAMP

SN: 500584-UP

1шт.

6

6240-71-6540

CLAMP

SN: 500584-UP

1шт.

7

01010-81045

BOLT

SN: 500584-UP

3шт.

8

01643-31032

WASHER

SN: 500584-UP

3шт.

9

205-62-74690

NIPPLE

SN: 500584-UP

1шт.

10

07002-11423

O-RING

SN: 500584-UP

1шт.

11

6128-81-4810

VALVE

SN: 500584-UP

1шт.

12

6245-71-6180

BOLT

SN: 500584-UP

1шт.

13

6219-71-8520

TUBE

SN: 500584-UP

1шт.

14

07206-30812

BOLT

SN: 500584-UP

1шт.

15

07005-01212

SEAL, WASHER

SN: 500584-UP

2шт.

16

6245-71-5960

BOLT

SN: 500584-UP

1шт.

17

07005-00812

SEAL, WASHER

SN: 500584-UP

2шт.

18

6245-71-5950

CLIP

SN: 500584-UP

1шт.

19

6152-11-4970

SPACER

SN: 500584-UP

1шт.

20

01010-81040

BOLT

SN: 500584-UP

1шт.

21

01643-31032

WASHER

SN: 500584-UP

1шт.

22

6219-71-8530

TUBE

SN: 500584-UP

1шт.

23

07206-30508

BOLT

SN: 500584-UP

1шт.

24

07005-00812

SEAL, WASHER

SN: 500584-UP

2шт.

25

6354-71-5560

BOLT

SN: 500584-UP

1шт.

26

07005-01212

SEAL, WASHER

SN: 500584-UP

2шт.

27

6305-11-8370

BRACKET

SN: 500584-UP

1шт.

28

01010-81055

BOLT

SN: 500584-UP

1шт.

29

01643-31032

WASHER

SN: 500584-UP

1шт.

30

6261-21-5920

BRACKET

SN: 500584-UP

1шт.

31

01010-81030

BOLT

SN: 500584-UP

1шт.

32

01643-31032

WASHER

SN: 500584-UP

1шт.

33

6245-71-5950

CLIP

SN: 500584-UP

3шт.

34

01010-81025

BOLT

SN: 500584-UP

2шт.

35

01643-31032

WASHER

SN: 500584-UP

2шт.

36

01010-81045

BOLT

SN: 500584-UP

1шт.

37

01643-31032

WASHER

SN: 500584-UP

1шт.

38

417-823-1460

SPACER

SN: 500584-UP

1шт.

39

01584-01008

NUT

SN: 500584-UP

1шт.

40

6245-81-9420

PLATE

SN: 500584-UP

1шт.

1

6219-71-8510

PLATE

SN: 500584-UP

1шт.

2

01010-81235

BOLT

SN: 500584-UP

3шт.

3

01643-31232

WASHER

SN: 500584-UP

3шт.

4

6261-71-7180

BLOCK

SN: 500584-UP

1шт.

5

6240-71-6530

CLAMP

SN: 500584-UP

1шт.

6

6240-71-6540

CLAMP

SN: 500584-UP

1шт.

7

01010-81045

BOLT

SN: 500584-UP

3шт.

8

01643-31032

WASHER

SN: 500584-UP

3шт.

9

205-62-74690

NIPPLE

SN: 500584-UP

1шт.

10

07002-11423

O-RING

SN: 500584-UP

1шт.

11

6128-81-4810

VALVE

SN: 500584-UP

1шт.

12

6245-71-6180

BOLT

SN: 500584-UP

1шт.

13

6219-71-8520

TUBE

SN: 500584-UP

1шт.

14

07206-30812

BOLT

SN: 500584-UP

1шт.

15

07005-01212

SEAL, WASHER

SN: 500584-UP

2шт.

16

6245-71-5960

BOLT

SN: 500584-UP

1шт.

17

07005-00812

SEAL, WASHER

SN: 500584-UP

2шт.

18

6245-71-5950

CLIP

SN: 500584-UP

1шт.

19

6152-11-4970

SPACER

SN: 500584-UP

1шт.

20

01010-81040

BOLT

SN: 500584-UP

1шт.

21

01643-31032

WASHER

SN: 500584-UP

1шт.

22

6219-71-8530

TUBE

SN: 500584-UP

1шт.

23

07206-30508

BOLT

SN: 500584-UP

1шт.

24

07005-00812

SEAL, WASHER

SN: 500584-UP

2шт.

25

6354-71-5560

BOLT

SN: 500584-UP

1шт.

26

07005-01212

SEAL, WASHER

SN: 500584-UP

2шт.

27

6305-11-8370

BRACKET

SN: 500584-UP

1шт.

28

01010-81055

BOLT

SN: 500584-UP

1шт.

29

01643-31032

WASHER

SN: 500584-UP

1шт.

30

6261-21-5920

BRACKET

SN: 500584-UP

1шт.

31

01010-81030

BOLT

SN: 500584-UP

1шт.

32

01643-31032

WASHER

SN: 500584-UP

1шт.

33

6245-71-5950

CLIP

SN: 500584-UP

3шт.

34

01010-81025

BOLT

SN: 500584-UP

2шт.

35

01643-31032

WASHER

SN: 500584-UP

2шт.

36

01010-81045

BOLT

SN: 500584-UP

1шт.

37

01643-31032

WASHER

SN: 500584-UP

1шт.

38

417-823-1460

SPACER

SN: 500584-UP

1шт.

39

01584-01008

NUT

SN: 500584-UP

1шт.

40

6245-81-9420

PLATE

SN: 500584-UP

1шт.

Выбрано товаров: 80