Запчасти Komatsu SAA12V140E-3E-02 PRE ФИЛЬТР. И ТРУБЫ(№7-) ДВИГАТЕЛЬ

Схема запчастей Komatsu SAA12V140E-3E-02 - PRE ФИЛЬТР. И ТРУБЫ(№7-) ДВИГАТЕЛЬ
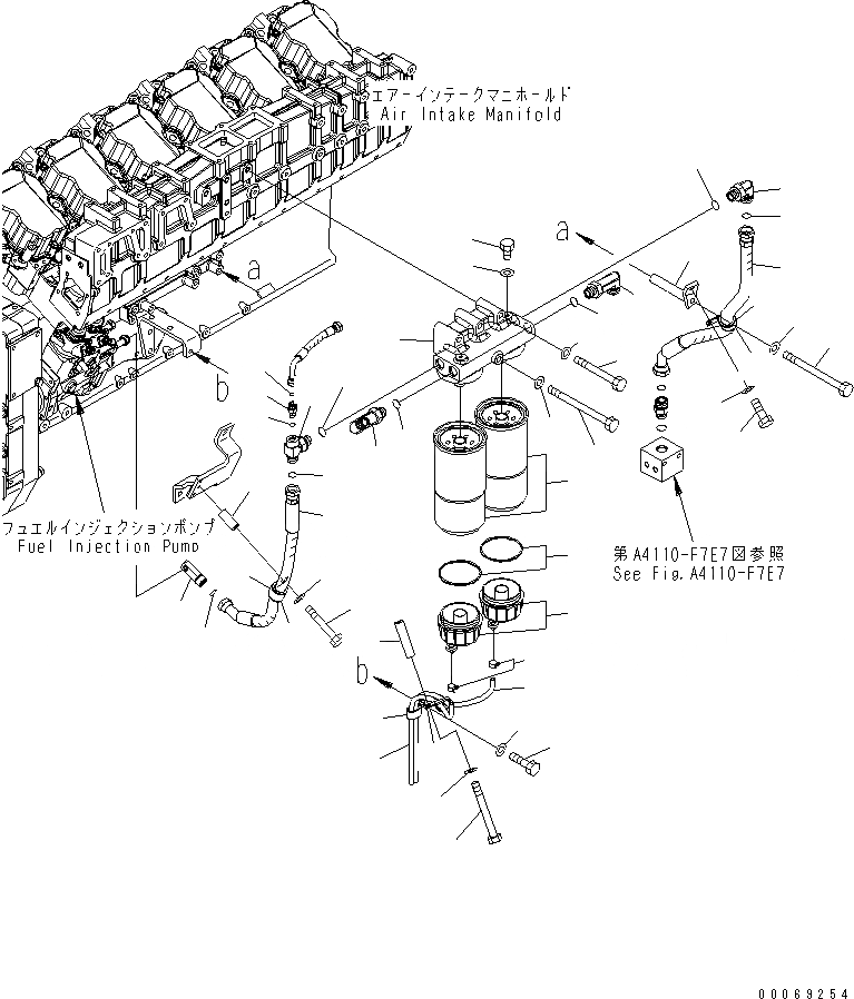
1
2
3
4
5
6
7
7A
8
9
10
11
11
12
13
13
13
13
14
15
16
17
18
18
19
20
21
22
23
24
25
25A
26
27
28
29
30
30
30A
30A
31
31
32
33
33
34
35
36
36
1
2
3
4
5
6
7
7A
8
9
10
11
11
12
13
13
13
13
14
15
16
17
18
18
19
20
21
22
23
24
25
25A
26
27
28
29
30
30
30A
30A
31
31
32
33
33
34
35
36
36
FIT
1:1
100%

Артикул

Название

Примечание

Количество

1

6245-71-6111

HEAD,FILTER

SN: 500076-UP

1шт.

|$2

600-311-4500

FILTER ASS'Y

SN: 500374-UP

2шт.

|$3

0

FILTER ASS'Y

SN: 500076-500373

2шт.

2

0

CARTRIDGE (1-1/4),(SEE FIG.A4159-A7A1)

SN: 500374-UP

1шт.

2

0

CARTRIDGE (1-1/4),(SEE FIG.A4159-A7A1)

SN: 500076-500373

1шт.

3

600-311-3220

CAP

SN: 500076-UP

1шт.

4

600-311-3230

SEAL

SN: 500076-UP

1шт.

5

07040-11209

PLUG

SN: 500076-UP

1шт.

6

07005-01212

SEAL, WASHER (K2)

SN: 500076-UP

1шт.

7

01010-81295

BOLT

SN: 500076-UP

3шт.

7A

01643-31232

WASHER

SN: 500076-UP

3шт.

8

01011-81260

BOLT

SN: 500076-UP

1шт.

9

01643-31232

WASHER

SN: 500076-UP

1шт.

10

02782-10628

ELBOW

SN: 500076-UP

1шт.

11

02782-10630

ELBOW

SN: 500076-UP

2шт.

12

6219-71-2190

TEE

SN: 500076-UP

1шт.

13

07002-12434

O-RING (K2)

SN: 500076-UP

4шт.

14

567-04-72140

JOINT

SN: 500076-UP

1шт.

15

02781-0031D

UNION

SN: 500076-UP

1шт.

16

07002-11423

O-RING (K2)

SN: 500076-UP

1шт.

17

02764-00506

HOSE

SN: 500076-UP

1шт.

18

02896-11015

O-RING (K2)

SN: 500076-UP

2шт.

19

02764-00608

HOSE

SN: 500076-UP

1шт.

20

02896-11018

O-RING (K2)

SN: 500076-UP

1шт.

21

02896-11009

O-RING (K2)

SN: 500076-UP

1шт.

22

04434-53211

CLIP

SN: 500076-UP

1шт.

23

07095-20523

CUSHION

SN: 500076-UP

1шт.

24

6152-51-5520

SPACER

SN: 500076-UP

1шт.

25

01010-81070

BOLT

SN: 500076-UP

1шт.

25A

01643-31032

WASHER

SN: 500076-UP

1шт.

26

04434-53411

CLIP

SN: 500076-UP

1шт.

27

07095-20625

CUSHION

SN: 500076-UP

1шт.

28

6219-71-4980

BRACKET

SN: 500076-UP

1шт.

29

01011-81055

BOLT

SN: 500076-UP

1шт.

30

01010-81020

BOLT

SN: 500076-UP

2шт.

30A

01643-31032

WASHER

SN: 500076-UP

2шт.

31

07270-20880

TUBE

SN: 500374-UP

2шт.

31

07270-20865

TUBE

SN: 500076-500373

2шт.

32

07285-00125

CLIP

SN: 500076-UP

2шт.

33

04435-51710

CLIP

SN: 500076-UP

2шт.

34

6215-71-6190

SPACER

SN: 500076-UP

1шт.

35

01011-81010

BOLT

SN: 500076-UP

1шт.

36

01643-31032

WASHER

SN: 500076-UP

2шт.

1

6245-71-6111

HEAD,FILTER

SN: 500076-UP

1шт.

|$2

600-311-4500

FILTER ASS'Y

SN: 500374-UP

2шт.

|$3

0

FILTER ASS'Y

SN: 500076-500373

2шт.

2

0

CARTRIDGE (1-1/4),(SEE FIG.A4159-A7A1)

SN: 500374-UP

1шт.

2

0

CARTRIDGE (1-1/4),(SEE FIG.A4159-A7A1)

SN: 500076-500373

1шт.

3

600-311-3220

CAP

SN: 500076-UP

1шт.

4

600-311-3230

SEAL

SN: 500076-UP

1шт.

5

07040-11209

PLUG

SN: 500076-UP

1шт.

6

07005-01212

SEAL, WASHER (K2)

SN: 500076-UP

1шт.

7

01010-81295

BOLT

SN: 500076-UP

3шт.

7A

01643-31232

WASHER

SN: 500076-UP

3шт.

8

01011-81260

BOLT

SN: 500076-UP

1шт.

9

01643-31232

WASHER

SN: 500076-UP

1шт.

10

02782-10628

ELBOW

SN: 500076-UP

1шт.

11

02782-10630

ELBOW

SN: 500076-UP

2шт.

12

6219-71-2190

TEE

SN: 500076-UP

1шт.

13

07002-12434

O-RING (K2)

SN: 500076-UP

4шт.

14

567-04-72140

JOINT

SN: 500076-UP

1шт.

15

02781-0031D

UNION

SN: 500076-UP

1шт.

16

07002-11423

O-RING (K2)

SN: 500076-UP

1шт.

17

02764-00506

HOSE

SN: 500076-UP

1шт.

18

02896-11015

O-RING (K2)

SN: 500076-UP

2шт.

19

02764-00608

HOSE

SN: 500076-UP

1шт.

20

02896-11018

O-RING (K2)

SN: 500076-UP

1шт.

21

02896-11009

O-RING (K2)

SN: 500076-UP

1шт.

22

04434-53211

CLIP

SN: 500076-UP

1шт.

23

07095-20523

CUSHION

SN: 500076-UP

1шт.

24

6152-51-5520

SPACER

SN: 500076-UP

1шт.

25

01010-81070

BOLT

SN: 500076-UP

1шт.

25A

01643-31032

WASHER

SN: 500076-UP

1шт.

26

04434-53411

CLIP

SN: 500076-UP

1шт.

27

07095-20625

CUSHION

SN: 500076-UP

1шт.

28

6219-71-4980

BRACKET

SN: 500076-UP

1шт.

29

01011-81055

BOLT

SN: 500076-UP

1шт.

30

01010-81020

BOLT

SN: 500076-UP

2шт.

30A

01643-31032

WASHER

SN: 500076-UP

2шт.

31

07270-20880

TUBE

SN: 500374-UP

2шт.

31

07270-20865

TUBE

SN: 500076-500373

2шт.

32

07285-00125

CLIP

SN: 500076-UP

2шт.

33

04435-51710

CLIP

SN: 500076-UP

2шт.

34

6215-71-6190

SPACER

SN: 500076-UP

1шт.

35

01011-81010

BOLT

SN: 500076-UP

1шт.

36

01643-31032

WASHER

SN: 500076-UP

2шт.

Выбрано товаров: 86