Запчасти Komatsu SAA12V140E-3E ЭЛЕМЕНТЫ ПЕРЕДН. КРЫШКИ, САПУН КРЕПЛЕНИЕ (№8-) ЭЛЕМЕНТЫ ПЕРЕДН. КРЫШКИ, ДЛЯ EXTRA BAD ТОПЛИВН. И ПЛОХ. ТОПЛИВО СПЕЦ-ЯIFICATION, ВОДН.+DUST, ДОПОЛН. ФИЛЬТР., HARD ВОДН. AREA ARRANGEMEN

Схема запчастей Komatsu SAA12V140E-3E - ЭЛЕМЕНТЫ ПЕРЕДН. КРЫШКИ, САПУН КРЕПЛЕНИЕ (№8-) ЭЛЕМЕНТЫ ПЕРЕДН. КРЫШКИ, ДЛЯ EXTRA BAD ТОПЛИВН. И ПЛОХ. ТОПЛИВО СПЕЦ-ЯIFICATION, ВОДН.+DUST, ДОПОЛН. ФИЛЬТР., HARD ВОДН. AREA ARRANGEMEN
17
6
4
16
17
14
13
6
5
1
2
3
10
22
21
24
26
25
12
15
11
9
8
7
19
18
20
23
27
30
28
31
43
32
35
34
29
33
35
42
36
33
37
38
36
41
39
33
40
33
34
37
38
44
17
6
4
16
17
14
13
6
5
1
2
3
10
22
21
24
26
25
12
15
11
9
8
7
19
18
20
23
27
30
28
31
43
32
35
34
29
33
35
42
36
33
37
38
36
41
39
33
40
33
34
37
38
44
FIT
1:1
100%

Артикул

Название

Примечание

Количество

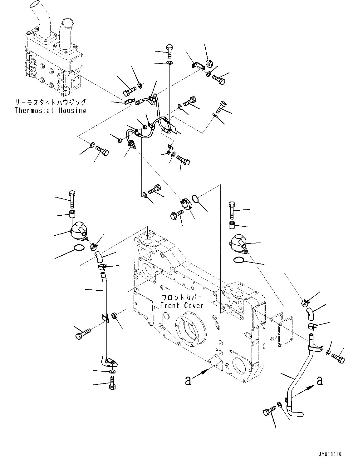
1

6210-21-8711

Breather

SN: 502033-UP

1шт.

2

6631-11-5630

Spacer

SN: 502033-UP

2шт.

3

01010-81040

Bolt

SN: 502033-UP

2шт.

4

07000-72060

O-ring

SN: 502033-UP

1шт.

5

6130-61-6611

Hose

SN: 502033-UP

1шт.

6

07285-00260

Clip, Hose

SN: 502033-UP

2шт.

7

6219-21-8790

Tube,R.H.

SN: 502033-UP

1шт.

8

01010-81220

Bolt

SN: 504853-UP

1шт.

9

01643-31232

Washer

SN: 504853-UP

1шт.

10

01010-81255

Bolt

SN: 502033-UP

1шт.

11

6127-11-5180

Washer

SN: 502033-UP

1шт.

12

6210-21-8711

Breather

SN: 502033-UP

1шт.

13

6631-11-5630

Spacer

SN: 502033-UP

2шт.

14

01010-81040

Bolt

SN: 502033-UP

2шт.

15

07000-72060

O-ring

SN: 502033-UP

1шт.

16

6130-61-6611

Hose

SN: 502033-UP

1шт.

17

07285-00260

Clip, Hose

SN: 502033-UP

2шт.

18

01010-81220

Bolt

SN: 502033-UP

1шт.

19

01643-31232

Washer

SN: 502033-UP

1шт.

20

6219-21-8780

Tube,L.H.

SN: 502033-UP

1шт.

21

01010-81030

Bolt

SN: 502033-UP

1шт.

22

01643-31032

Washer

SN: 502033-UP

1шт.

23

6218-81-4111

Sensor Assembly, Blowby

SN: 502033-UP

1шт.

24

6215-11-6320

Connector

SN: 502033-UP

1шт.

25

07000-03050

O-ring

SN: 502033-UP

1шт.

26

01435-00620

Bolt

SN: 502033-UP

2шт.

27

6151-11-8920

Stay

SN: 502033-UP

1шт.

28

6150-65-7440

Stay

SN: 502033-UP

1шт.

29

01010-81030

Bolt

SN: 502033-UP

1шт.

30

01643-31032

Washer

SN: 502033-UP

1шт.

31

01010-81020

Bolt

SN: 502033-UP

1шт.

32

01643-31032

Washer

SN: 502033-UP

1шт.

33

600-051-2100

Clip

SN: 502033-UP

5шт.

34

6631-11-6390

Spacer

SN: 502033-UP

2шт.

35

01010-81020

Bolt

SN: 502033-UP

2шт.

36

01643-31032

Washer

SN: 502033-UP

2шт.

37

01010-81030

Bolt

SN: 502033-UP

2шт.

38

01643-31032

Washer

SN: 502033-UP

2шт.

39

01010-81025

Bolt

SN: 502033-UP

1шт.

40

01643-31032

Washer

SN: 502033-UP

1шт.

41

01584-01008

Nut

SN: 502033-UP

1шт.

42

01010-81030

Bolt

SN: 502033-UP

1шт.

43

01643-31032

Washer

SN: 502033-UP

1шт.

44

08193-20010

Clip

SN: 502033-UP

1шт.

1

6210-21-8711

Breather

SN: 502033-UP

1шт.

2

6631-11-5630

Spacer

SN: 502033-UP

2шт.

3

01010-81040

Bolt

SN: 502033-UP

2шт.

4

07000-72060

O-ring

SN: 502033-UP

1шт.

5

6130-61-6611

Hose

SN: 502033-UP

1шт.

6

07285-00260

Clip, Hose

SN: 502033-UP

2шт.

7

6219-21-8790

Tube,R.H.

SN: 502033-UP

1шт.

8

01010-81220

Bolt

SN: 504853-UP

1шт.

9

01643-31232

Washer

SN: 504853-UP

1шт.

10

01010-81255

Bolt

SN: 502033-UP

1шт.

11

6127-11-5180

Washer

SN: 502033-UP

1шт.

12

6210-21-8711

Breather

SN: 502033-UP

1шт.

13

6631-11-5630

Spacer

SN: 502033-UP

2шт.

14

01010-81040

Bolt

SN: 502033-UP

2шт.

15

07000-72060

O-ring

SN: 502033-UP

1шт.

16

6130-61-6611

Hose

SN: 502033-UP

1шт.

17

07285-00260

Clip, Hose

SN: 502033-UP

2шт.

18

01010-81220

Bolt

SN: 502033-UP

1шт.

19

01643-31232

Washer

SN: 502033-UP

1шт.

20

6219-21-8780

Tube,L.H.

SN: 502033-UP

1шт.

21

01010-81030

Bolt

SN: 502033-UP

1шт.

22

01643-31032

Washer

SN: 502033-UP

1шт.

23

6218-81-4111

Sensor Assembly, Blowby

SN: 502033-UP

1шт.

24

6215-11-6320

Connector

SN: 502033-UP

1шт.

25

07000-03050

O-ring

SN: 502033-UP

1шт.

26

01435-00620

Bolt

SN: 502033-UP

2шт.

27

6151-11-8920

Stay

SN: 502033-UP

1шт.

28

6150-65-7440

Stay

SN: 502033-UP

1шт.

29

01010-81030

Bolt

SN: 502033-UP

1шт.

30

01643-31032

Washer

SN: 502033-UP

1шт.

31

01010-81020

Bolt

SN: 502033-UP

1шт.

32

01643-31032

Washer

SN: 502033-UP

1шт.

33

600-051-2100

Clip

SN: 502033-UP

5шт.

34

6631-11-6390

Spacer

SN: 502033-UP

2шт.

35

01010-81020

Bolt

SN: 502033-UP

2шт.

36

01643-31032

Washer

SN: 502033-UP

2шт.

37

01010-81030

Bolt

SN: 502033-UP

2шт.

38

01643-31032

Washer

SN: 502033-UP

2шт.

39

01010-81025

Bolt

SN: 502033-UP

1шт.

40

01643-31032

Washer

SN: 502033-UP

1шт.

41

01584-01008

Nut

SN: 502033-UP

1шт.

42

01010-81030

Bolt

SN: 502033-UP

1шт.

43

01643-31032

Washer

SN: 502033-UP

1шт.

44

08193-20010

Clip

SN: 502033-UP

1шт.

Выбрано товаров: 88