Запчасти Komatsu SAA12V140E-3E ЭЛЕМЕНТЫ ПЕРЕДН. КРЫШКИ, COVER, КОРПУС ШЕСТЕРЕНН. ПЕРЕДАЧИ (№-) ЭЛЕМЕНТЫ ПЕРЕДН. КРЫШКИ, ДЛЯ HARD ВОДН. AREA ARRANGEMENT, EXTRA BAD ТОПЛИВН. И ПЛОХ. ТОПЛИВО СПЕЦ-ЯIFICATION, ВОДН.+DUST, ДОПОЛН. FILTE

Схема запчастей Komatsu SAA12V140E-3E - ЭЛЕМЕНТЫ ПЕРЕДН. КРЫШКИ, COVER, КОРПУС ШЕСТЕРЕНН. ПЕРЕДАЧИ (№-) ЭЛЕМЕНТЫ ПЕРЕДН. КРЫШКИ, ДЛЯ HARD ВОДН. AREA ARRANGEMENT, EXTRA BAD ТОПЛИВН. И ПЛОХ. ТОПЛИВО СПЕЦ-ЯIFICATION, ВОДН.+DUST, ДОПОЛН. FILTE
4
25
3
25
22
24
26
21
23
16
1
10
9
8
3
4
2
14
17
15
16
18
20
19
27
13
11
12
6
7
5
4
25
3
25
22
24
26
21
23
16
1
10
9
8
3
4
2
14
17
15
16
18
20
19
27
13
11
12
6
7
5
FIT
1:1
100%

Артикул

Название

Примечание

Количество

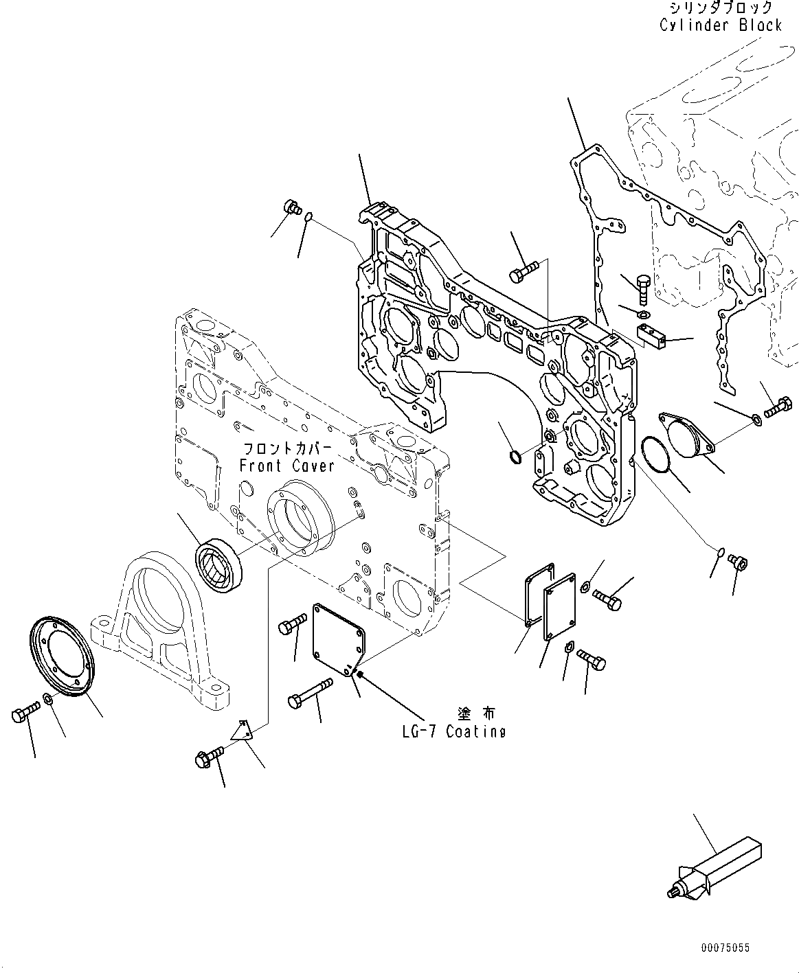
1

6219-21-1840

Plate

SN: 502033-UP

1шт.

2

6215-81-6190

Gasket

SN: 502033-UP

1шт.

3

01010-81025

Bolt

SN: 502033-UP

2шт.

4

01643-31032

Washer

SN: 502033-UP

2шт.

5

6219-21-1850

Plate

SN: 502033-UP

1шт.

6

01010-81255

Bolt

SN: 502033-UP

1шт.

7

01643-31232

Washer

SN: 502033-UP

1шт.

8

6215-21-3350

Pointer

SN: 502033-UP

1шт.

9

01435-00610

Bolt

SN: 502033-UP

2шт.

10

6245-21-3121

Seal

SN: 502033-UP

1шт.

11

6219-21-3510

Cover

SN: 502033-UP

1шт.

12

01010-81225

Bolt

SN: 502033-UP

6шт.

13

01643-31232

Washer

SN: 502033-UP

6шт.

14

6215-21-1850

Cover

SN: 502033-UP

1шт.

15

6219-21-1810

Cover

SN: 502033-UP

1шт.

16

01010-81285

Bolt

SN: 502033-UP

4шт.

17

01010-81225

Bolt

SN: 502033-UP

1шт.

18

07000-72100

O-ring

SN: 502033-UP

1шт.

19

01010-81230

Bolt

SN: 502033-UP

2шт.

20

01643-31232

Washer

SN: 502033-UP

2шт.

21

6219-21-3110

Case, Gear

SN: 502033-UP

1шт.

22

07046-11816

Plug, Expansion

SN: 502033-UP

10шт.

23

6215-21-3821

Gasket

SN: 502033-UP

1шт.

24

01010-81230

Bolt

SN: 502033-UP

13шт.

25

6215-81-9510

Plug

SN: 502033-UP

4шт.

26

6215-81-9710

O-ring

SN: 502033-UP

4шт.

27

09920-00150

Liquid gasket, LG-7, 150G

SN: 502033-UP

-2шт.

1

6219-21-1840

Plate

SN: 502033-UP

1шт.

2

6215-81-6190

Gasket

SN: 502033-UP

1шт.

3

01010-81025

Bolt

SN: 502033-UP

2шт.

4

01643-31032

Washer

SN: 502033-UP

2шт.

5

6219-21-1850

Plate

SN: 502033-UP

1шт.

6

01010-81255

Bolt

SN: 502033-UP

1шт.

7

01643-31232

Washer

SN: 502033-UP

1шт.

8

6215-21-3350

Pointer

SN: 502033-UP

1шт.

9

01435-00610

Bolt

SN: 502033-UP

2шт.

10

6245-21-3121

Seal

SN: 502033-UP

1шт.

11

6219-21-3510

Cover

SN: 502033-UP

1шт.

12

01010-81225

Bolt

SN: 502033-UP

6шт.

13

01643-31232

Washer

SN: 502033-UP

6шт.

14

6215-21-1850

Cover

SN: 502033-UP

1шт.

15

6219-21-1810

Cover

SN: 502033-UP

1шт.

16

01010-81285

Bolt

SN: 502033-UP

4шт.

17

01010-81225

Bolt

SN: 502033-UP

1шт.

18

07000-72100

O-ring

SN: 502033-UP

1шт.

19

01010-81230

Bolt

SN: 502033-UP

2шт.

20

01643-31232

Washer

SN: 502033-UP

2шт.

21

6219-21-3110

Case, Gear

SN: 502033-UP

1шт.

22

07046-11816

Plug, Expansion

SN: 502033-UP

10шт.

23

6215-21-3821

Gasket

SN: 502033-UP

1шт.

24

01010-81230

Bolt

SN: 502033-UP

13шт.

25

6215-81-9510

Plug

SN: 502033-UP

4шт.

26

6215-81-9710

O-ring

SN: 502033-UP

4шт.

27

09920-00150

Liquid gasket, LG-7, 150G

SN: 502033-UP

-2шт.

Выбрано товаров: 54