Запчасти Komatsu SAA12V140E-3E ЭЛЕМЕНТЫ ПЕРЕДН. КРЫШКИ, САПУН КРЕПЛЕНИЕ (№-8) ЭЛЕМЕНТЫ ПЕРЕДН. КРЫШКИ, ДЛЯ HARD ВОДН. AREA ARRANGEMENT, EXTRA BAD ТОПЛИВН. И ПЛОХ. ТОПЛИВО СПЕЦ-ЯIFICATION, ВОДН.+DUST, ДОПОЛН. FILTE

Схема запчастей Komatsu SAA12V140E-3E - ЭЛЕМЕНТЫ ПЕРЕДН. КРЫШКИ, САПУН КРЕПЛЕНИЕ (№-8) ЭЛЕМЕНТЫ ПЕРЕДН. КРЫШКИ, ДЛЯ HARD ВОДН. AREA ARRANGEMENT, EXTRA BAD ТОПЛИВН. И ПЛОХ. ТОПЛИВО СПЕЦ-ЯIFICATION, ВОДН.+DUST, ДОПОЛН. FILTE
17
6
4
16
17
14
13
6
5
1
2
3
9
22
21
23
25
24
12
15
11
10
8
7
19
18
20
17
6
4
16
17
14
13
6
5
1
2
3
9
22
21
23
25
24
12
15
11
10
8
7
19
18
20
FIT
1:1
100%

Артикул

Название

Примечание

Количество

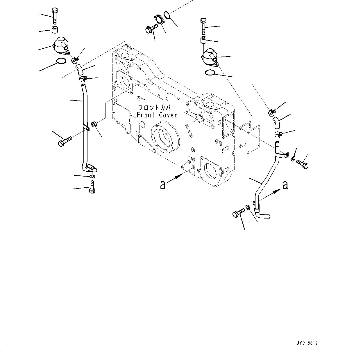
1

6210-21-8711

Breather

SN: 502033-@

1шт.

2

6631-11-5630

Spacer

SN: 502033-@

2шт.

3

01010-81040

Bolt

SN: 502033-@

2шт.

4

07000-72060

O-ring,R.H.

SN: 502033-@

1шт.

5

6130-61-6611

Hose

SN: 502033-@

1шт.

6

07285-00260

Clip, Hose

SN: 502033-@

2шт.

7

6219-21-8790

Tube,R.H.

SN: 502033-@

1шт.

8

01010-81220

Bolt

SN: 502033-504852

2шт.

9

01010-81255

Bolt

SN: 502033-@

1шт.

10

01643-31232

Washer

SN: 502033-504852

1шт.

11

6127-11-5180

Washer

SN: 502033-@

1шт.

12

6210-21-8711

Breather

SN: 502033-@

1шт.

13

6631-11-5630

Spacer

SN: 502033-@

2шт.

14

01010-81040

Bolt

SN: 502033-@

2шт.

15

07000-72060

O-ring,L.H.

SN: 502033-@

1шт.

16

6130-61-6611

Hose

SN: 502033-@

1шт.

17

07285-00260

Clip, Hose

SN: 502033-@

2шт.

18

01010-81220

Bolt

SN: 502033-@

1шт.

19

01643-31232

Washer

SN: 502033-@

1шт.

20

6219-21-8780

Tube,L.H.

SN: 502033-@

1шт.

21

01010-81030

Bolt

SN: 502033-@

1шт.

22

01643-31032

Washer

SN: 502033-@

1шт.

23

6144-81-5151

Cover

SN: 502033-@

1шт.

24

07000-03050

O-ring

SN: 502033-@

1шт.

25

01435-00614

Bolt

SN: 504286-@

2шт.

25

01435-00612

Bolt

SN: 502033-504285

2шт.

1

6210-21-8711

Breather

SN: 502033-@

1шт.

2

6631-11-5630

Spacer

SN: 502033-@

2шт.

3

01010-81040

Bolt

SN: 502033-@

2шт.

4

07000-72060

O-ring,R.H.

SN: 502033-@

1шт.

5

6130-61-6611

Hose

SN: 502033-@

1шт.

6

07285-00260

Clip, Hose

SN: 502033-@

2шт.

7

6219-21-8790

Tube,R.H.

SN: 502033-@

1шт.

8

01010-81220

Bolt

SN: 502033-504852

2шт.

9

01010-81255

Bolt

SN: 502033-@

1шт.

10

01643-31232

Washer

SN: 502033-504852

1шт.

11

6127-11-5180

Washer

SN: 502033-@

1шт.

12

6210-21-8711

Breather

SN: 502033-@

1шт.

13

6631-11-5630

Spacer

SN: 502033-@

2шт.

14

01010-81040

Bolt

SN: 502033-@

2шт.

15

07000-72060

O-ring,L.H.

SN: 502033-@

1шт.

16

6130-61-6611

Hose

SN: 502033-@

1шт.

17

07285-00260

Clip, Hose

SN: 502033-@

2шт.

18

01010-81220

Bolt

SN: 502033-@

1шт.

19

01643-31232

Washer

SN: 502033-@

1шт.

20

6219-21-8780

Tube,L.H.

SN: 502033-@

1шт.

21

01010-81030

Bolt

SN: 502033-@

1шт.

22

01643-31032

Washer

SN: 502033-@

1шт.

23

6144-81-5151

Cover

SN: 502033-@

1шт.

24

07000-03050

O-ring

SN: 502033-@

1шт.

25

01435-00614

Bolt

SN: 504286-@

2шт.

25

01435-00612

Bolt

SN: 502033-504285

2шт.

Выбрано товаров: 52