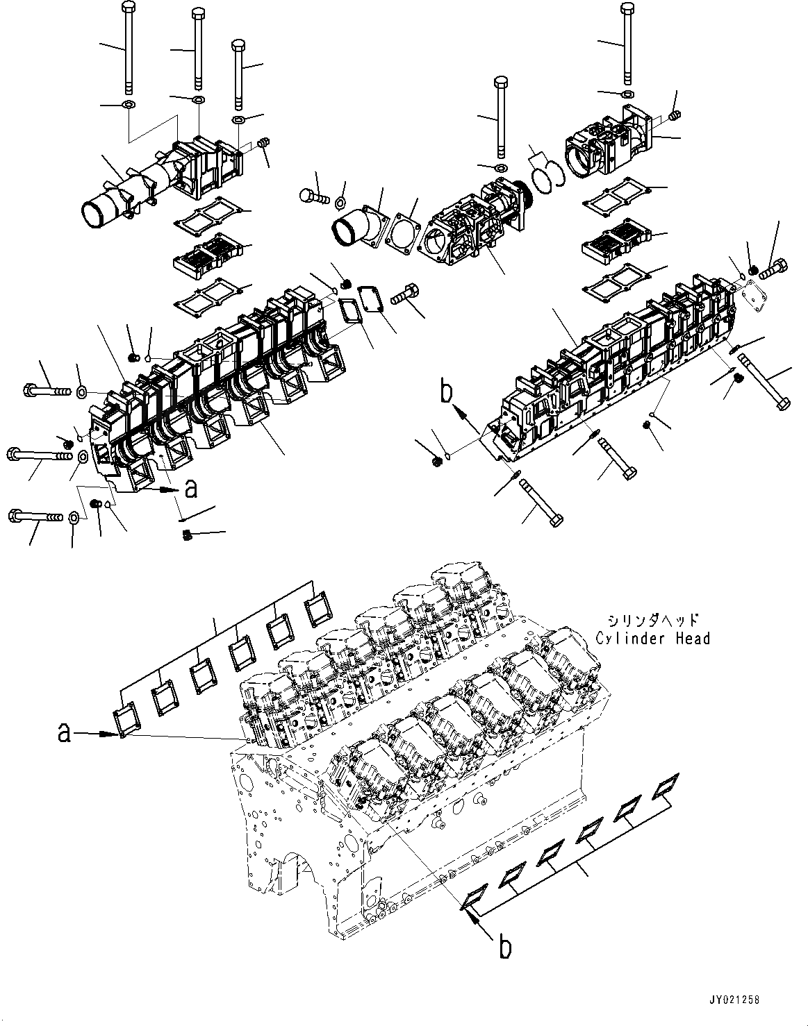
Запчасти Komatsu SAA12V140E-3E ТРУБОПРОВОД ВПУСКА ВОЗДУХА, ТРУБОПРОВОД ВПУСКА ВОЗДУХА И ВОЗДУХООЧИСТИТЕЛЬ (№-) ТРУБОПРОВОД ВПУСКА ВОЗДУХА

Схема запчастей Komatsu SAA12V140E-3E - ТРУБОПРОВОД ВПУСКА ВОЗДУХА, ТРУБОПРОВОД ВПУСКА ВОЗДУХА И ВОЗДУХООЧИСТИТЕЛЬ (№-) ТРУБОПРОВОД ВПУСКА ВОЗДУХА
32
29
30
28
33
32
31
32
16
7
8
12
13
9
15
16
12
13
1
1
13
4
6
12
3
6
5
6
12
13
11
10
2
2
16
25
26
27
24
20
22
23
21
14
17
18
19
12
13
5
6
1
6
4
15
16
11
10
12
13
3
6
9
12
13
32
29
30
28
33
32
31
32
16
7
8
12
13
9
15
16
12
13
1
1
13
4
6
12
3
6
5
6
12
13
11
10
2
2
16
25
26
27
24
20
22
23
21
14
17
18
19
12
13
5
6
1
6
4
15
16
11
10
12
13
3
6
9
12
13
FIT
1:1
100%

Артикул

Название

Примечание

Количество

1

6219-11-4111

Manifold, Air Intake

SN: 502033-UP

2шт.

2

6210-11-4811

Gasket

SN: 502033-UP

12шт.

3

01011-81085

Bolt

SN: 502033-UP

24шт.

4

01011-81000

Bolt

SN: 502033-UP

16шт.

5

01011-81020

Bolt

SN: 502033-UP

8шт.

6

01643-31032

Washer

SN: 502033-UP

48шт.

7

6216-11-8210

Plate

SN: 502033-UP

1шт.

8

6216-11-8220

Gasket

SN: 502033-UP

1шт.

9

01010-81025

Bolt

SN: 505739-UP

3шт.

9

01010-81025

Bolt

SN: 502033-505738

4шт.

10

6215-81-9510

Plug

SN: 502033-UP

2шт.

11

6215-81-9710

O-ring

SN: 502033-UP

2шт.

12

6215-81-9520

Plug

SN: 502033-UP

11шт.

13

6215-81-9720

O-ring

SN: 502033-UP

11шт.

14

6219-11-4710

Connector, Air, L.H. Bank

SN: 502033-UP

1шт.

15

600-815-4280

Heater

SN: 502033-UP

2шт.

16

6211-11-4821

Gasket

SN: 502033-UP

4шт.

17

01011-81090

Bolt

SN: 502033-UP

6шт.

18

01643-31032

Washer

SN: 502033-UP

6шт.

19

07042-70108

Plug

SN: 502033-UP

2шт.

20

6219-11-4720

Connector, Air, L.H. Bank

SN: 502033-UP

1шт.

21

02895-67094

O-ring

SN: 502033-UP

2шт.

22

01011-81090

Bolt

SN: 502033-UP

6шт.

23

01643-31032

Washer

SN: 502033-UP

6шт.

24

6215-61-7340

Gasket

SN: 502033-UP

1шт.

25

01010-81035

Bolt

SN: 502033-UP

3шт.

26

01643-31032

Washer

SN: 502033-UP

3шт.

27

6219-11-4780

Connector, Air Intake

SN: 502033-UP

1шт.

28

6219-11-6310

Connector, Air, R.H. Bank

SN: 502033-UP

1шт.

29

6162-13-6530

Bolt

SN: 502033-UP

2шт.

30

6165-71-6180

Bolt

SN: 502033-UP

2шт.

31

01011-81045

Bolt

SN: 502033-UP

2шт.

32

01643-31032

Washer

SN: 505739-UP

6шт.

33

07042-70108

Plug

SN: 502033-UP

2шт.

1

6219-11-4111

Manifold, Air Intake

SN: 502033-UP

2шт.

2

6210-11-4811

Gasket

SN: 502033-UP

12шт.

3

01011-81085

Bolt

SN: 502033-UP

24шт.

4

01011-81000

Bolt

SN: 502033-UP

16шт.

5

01011-81020

Bolt

SN: 502033-UP

8шт.

6

01643-31032

Washer

SN: 502033-UP

48шт.

7

6216-11-8210

Plate

SN: 502033-UP

1шт.

8

6216-11-8220

Gasket

SN: 502033-UP

1шт.

9

01010-81025

Bolt

SN: 505739-UP

3шт.

9

01010-81025

Bolt

SN: 502033-505738

4шт.

10

6215-81-9510

Plug

SN: 502033-UP

2шт.

11

6215-81-9710

O-ring

SN: 502033-UP

2шт.

12

6215-81-9520

Plug

SN: 502033-UP

11шт.

13

6215-81-9720

O-ring

SN: 502033-UP

11шт.

14

6219-11-4710

Connector, Air, L.H. Bank

SN: 502033-UP

1шт.

15

600-815-4280

Heater

SN: 502033-UP

2шт.

16

6211-11-4821

Gasket

SN: 502033-UP

4шт.

17

01011-81090

Bolt

SN: 502033-UP

6шт.

18

01643-31032

Washer

SN: 502033-UP

6шт.

19

07042-70108

Plug

SN: 502033-UP

2шт.

20

6219-11-4720

Connector, Air, L.H. Bank

SN: 502033-UP

1шт.

21

02895-67094

O-ring

SN: 502033-UP

2шт.

22

01011-81090

Bolt

SN: 502033-UP

6шт.

23

01643-31032

Washer

SN: 502033-UP

6шт.

24

6215-61-7340

Gasket

SN: 502033-UP

1шт.

25

01010-81035

Bolt

SN: 502033-UP

3шт.

26

01643-31032

Washer

SN: 502033-UP

3шт.

27

6219-11-4780

Connector, Air Intake

SN: 502033-UP

1шт.

28

6219-11-6310

Connector, Air, R.H. Bank

SN: 502033-UP

1шт.

29

6162-13-6530

Bolt

SN: 502033-UP

2шт.

30

6165-71-6180

Bolt

SN: 502033-UP

2шт.

31

01011-81045

Bolt

SN: 502033-UP

2шт.

32

01643-31032

Washer

SN: 505739-UP

6шт.

33

07042-70108

Plug

SN: 502033-UP

2шт.

Выбрано товаров: 68