Запчасти Komatsu SAA4D102E-2E-4 ТЕРМОЗАЩИТА (ДЛЯ КРОМЕ ЯПОН.)(№8-) ДВИГАТЕЛЬ

Схема запчастей Komatsu SAA4D102E-2E-4 - ТЕРМОЗАЩИТА (ДЛЯ КРОМЕ ЯПОН.)(№8-) ДВИГАТЕЛЬ
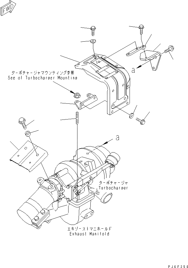
1
2
3
4
5
5
6
7
7
8
8
9
10
11
FIT
1:1
100%

Артикул

Название

Примечание

Количество

1

6732-81-8480

BRACKET

SN: 26304081-UP

1шт.

2

01124-60830

STUD

SN: 26304081-UP

2шт.

3

6737-81-8410

BRACKET

SN: 26304081-UP

1шт.

4

6732-81-8430

BRACKET

SN: 26304081-UP

1шт.

5

01435-00816

BOLT

SN: 26304081-UP

3шт.

6

6737-81-8510

COVER

SN: 26304081-UP

1шт.

7

01435-00816

BOLT

SN: 26304081-UP

4шт.

8

154-61-16570

WASHER

SN: 26324324-UP

4шт.

8

0

SPACER

SN: 26304081-26324323

4шт.

9

6732-81-8451

COVER

SN: 26410762-UP

1шт.

9

6732-81-8450

COVER

SN: 26304081-26410761

1шт.

10

01435-00820

BOLT

SN: 26304081-UP

2шт.

11

6131-12-4570

SPACER

SN: 26304081-UP

2шт.

Выбрано товаров: 13