Запчасти Komatsu SAA4D102E-2E КРЫШКА ТОЛКАТЕЛЕЙ КЛАПАНА ДВИГАТЕЛЬ

Схема запчастей Komatsu SAA4D102E-2E - КРЫШКА ТОЛКАТЕЛЕЙ КЛАПАНА ДВИГАТЕЛЬ
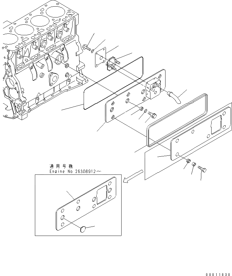
1
2
3
4
5
6
7
8
9
10
10
11
12
13
14
15
16
FIT
1:1
100%

Артикул

Название

Примечание

Количество

1

6732-11-8210

GASKET,SEAL (K2)

SN: 30204043-UP

4шт.

2

6732-11-8150

WASHER

SN: 30204043-UP

4шт.

3

6738-21-6280

BOLT

SN: 30204043-UP

4шт.

|4

6737-21-6100

COVER ASS'Y

SN: 30204043-UP

1шт.

4

0

COVER

SN: 30204043-UP

1шт.

5

6738-21-7710

BREATHER

SN: 30204043-UP

1шт.

6

6738-21-7780

COVER

SN: 30204043-UP

1шт.

7

01435-00616

BOLT

SN: 30204043-UP

4шт.

8

01640-20610

WASHER

SN: 30204043-UP

4шт.

9

6738-21-7810

TUBE

SN: 30204043-UP

1шт.

10

6737-21-6620

PANEL

SN: 30204043-UP

1шт.

11

6737-21-6650

GROMMET (K2)

SN: 30204043-UP

1шт.

12

6738-21-6660

GASKET (K2)

SN: 30204043-UP

6шт.

13

6738-21-6670

SPACER

SN: 30204043-UP

6шт.

14

6732-71-3220

BOLT

SN: 30204043-UP

6шт.

15

6737-21-6180

O-RING (K2)

SN: 30204043-UP

1шт.

16

6738-21-6680

GROMMET

SN: 30204043-UP

4шт.

Выбрано товаров: 17