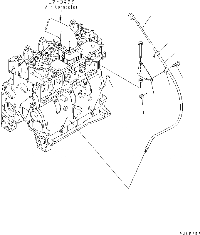
Запчасти Komatsu SAA4D102E-2E МАСЛ. ЩУП ДВИГАТЕЛЬ

Схема запчастей Komatsu SAA4D102E-2E - МАСЛ. ЩУП ДВИГАТЕЛЬ
1
2
3
4
4
5
6
7
FIT
1:1
100%

Артикул

Название

Примечание

Количество

1

6732-21-5530

PLUG

SN: 30204043-UP

1шт.

2

6732-21-5591

GAUGE

SN: 30204043-UP

1шт.

3

6732-21-5491

GUIDE

SN: 30212678-UP

1шт.

|3

0

GUIDE

SN: 30204043-30212677

1шт.

4

04434-51208

CLIP

SN: 30204043-UP

2шт.

5

6732-21-3120

BOLT

SN: 30204043-UP

2шт.

6

6732-71-3210

NUT

SN: 30204043-UP

2шт.

7

6737-21-5710

BRACKET

SN: 30204043-UP

1шт.

Выбрано товаров: 8