Запчасти Komatsu SAA4D102E-2F-4 КРЕПЛЕНИЕ ТОПЛ. НАСОСА(№9-) ДВИГАТЕЛЬ

Схема запчастей Komatsu SAA4D102E-2F-4 - КРЕПЛЕНИЕ ТОПЛ. НАСОСА(№9-) ДВИГАТЕЛЬ
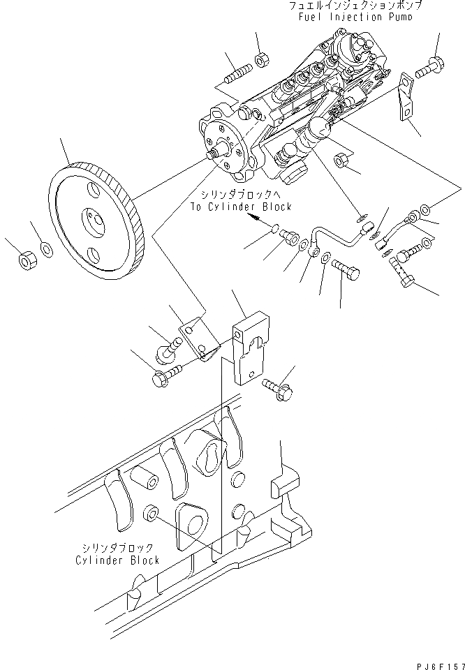
1
2
3
4
5
6
7
7
8
9
10
11
12
13
14
15
16
16
16
17
18
19
FIT
1:1
100%

Артикул

Название

Примечание

Количество

1

6732-71-3681

BRACKET

SN: 26300902-UP

1шт.

2

6732-21-5160

BOLT

SN: 26300902-UP

2шт.

3

6732-71-3611

BRACKET

SN: 26300902-UP

1шт.

4

6735-61-3810

BOLT

SN: 26300902-UP

1шт.

5

01435-01014

BOLT

SN: 26300902-UP

2шт.

6

6738-71-3180

STUD

SN: 26300902-UP

4шт.

7

6736-81-6170

NUT

SN: 26300902-UP

5шт.

8

6738-71-3112

GEAR

SN: 26300902-UP

1шт.

9

6130-32-1361

WASHER

SN: 26300902-UP

1шт.

10

01582-01411

NUT

SN: 26300902-UP

1шт.

11

6732-71-3630

BRACKET

SN: 26300902-UP

1шт.

12

6732-61-3140

BOLT

SN: 26300902-UP

1шт.

13

6732-71-5450

NIPPLE

SN: 26300902-UP

1шт.

14

6215-81-9710

O-RING

SN: 26300902-UP

1шт.

15

07206-30710

BOLT

SN: 26300902-UP

1шт.

16

07005-01012

GASKET (K2)

SN: 26300902-UP

3шт.

17

6735-71-5411

TUBE

SN: 26300902-UP

1шт.

18

6732-71-5551

TUBE

SN: 26300902-UP

1шт.

19

6735-71-5420

BOLT

SN: 26300902-UP

1шт.

Выбрано товаров: 0