Запчасти Komatsu SAA4D102E-2F-4 КРЫШКА ТОЛКАТЕЛЕЙ КЛАПАНА(№9-) ДВИГАТЕЛЬ

Схема запчастей Komatsu SAA4D102E-2F-4 - КРЫШКА ТОЛКАТЕЛЕЙ КЛАПАНА(№9-) ДВИГАТЕЛЬ
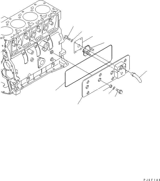
1
2
3
4
5
6
7
8
9
10
FIT
1:1
100%

Артикул

Название

Примечание

Количество

1

6732-11-8210

GASKET,SEAL (K2)

SN: 26300902-UP

4шт.

2

6732-11-8150

WASHER

SN: 26300902-UP

4шт.

3

6738-21-6280

BOLT

SN: 26300902-UP

4шт.

|$4

6737-21-6100

COVER ASS'Y

SN: 26300902-UP

1шт.

4

0

COVER

SN: 26300902-UP

1шт.

5

6738-21-7710

BREATHER

SN: 26300902-UP

1шт.

6

6738-21-7780

COVER

SN: 26300902-UP

1шт.

7

01435-00616

BOLT

SN: 26300902-UP

4шт.

8

01640-20610

WASHER

SN: 26300902-UP

4шт.

9

6738-21-7810

TUBE

SN: 26300902-UP

1шт.

10

6737-21-6180

O-RING (K2)

SN: 26300902-UP

1шт.

Выбрано товаров: 0