Запчасти Komatsu SAA4D102E-2F-4 ТРУБЫ ТОПЛ. ФИЛЬТРА(№8-) ДВИГАТЕЛЬ

Схема запчастей Komatsu SAA4D102E-2F-4 - ТРУБЫ ТОПЛ. ФИЛЬТРА(№8-) ДВИГАТЕЛЬ
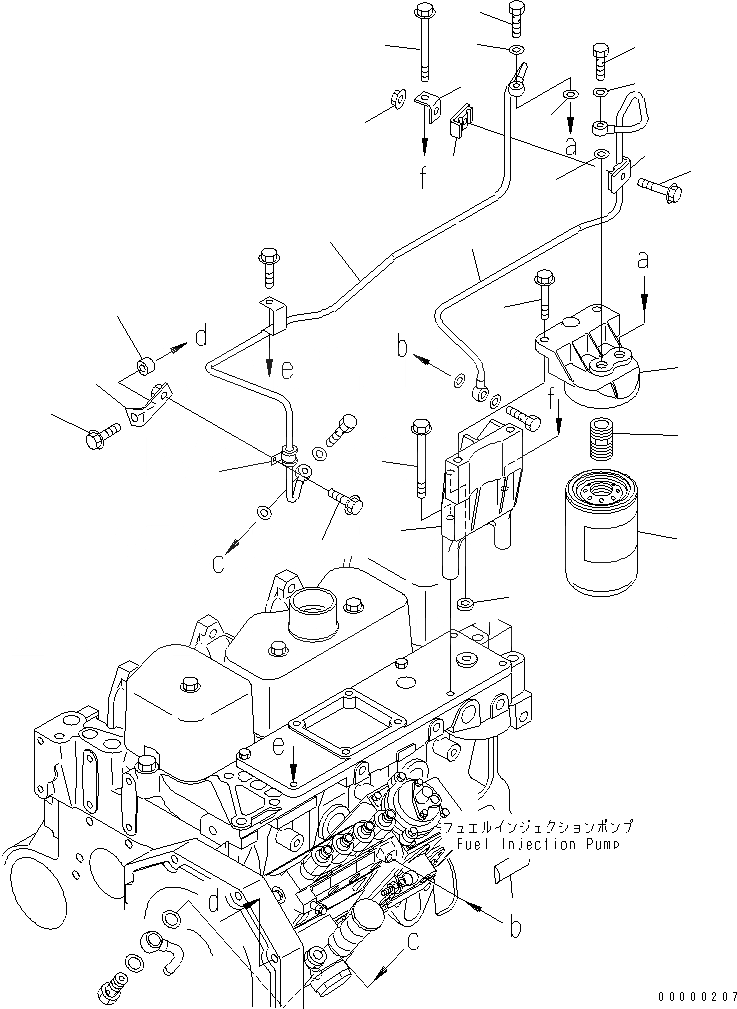
1
2
3
4
5
6
6
7
8
9
10
10
11
11
12
13
14
15
16
17
17
18
19
20
21
22
FIT
1:1
100%

Артикул

Название

Примечание

Количество

1

6732-71-6112

CARTRIDGE,FUEL

SN: 26307066-UP

1шт.

1

0

CARTRIDGE,FUEL

SN: 26304813-26307065

1шт.

2

6732-71-6340

ADAPTER

SN: 26304813-UP

1шт.

2

0

ADAPTER

SN: (26304813-26319049)

1шт.

3

6732-71-6220

HEAD

SN: 26304813-UP

1шт.

4

6732-21-5160

BOLT

SN: 26304813-UP

2шт.

5

6738-71-6710

BRACKET

SN: 26304813-UP

1шт.

6

6742-01-4460

BOLT

SN: 26304813-UP

3шт.

7

6144-21-5880

SPACER

SN: 26304813-UP

1шт.

8

6737-71-5640

TUBE

SN: 26304813-UP

1шт.

9

6732-71-6510

BOLT,JOINT

SN: 26304813-UP

1шт.

10

07005-01212

SEAL, WASHER (K1)

SN: 26304813-UP

2шт.

11

6162-75-5820

CLAMP

SN: 26304813-UP

2шт.

12

6742-01-2630

BOLT

SN: 26304813-UP

1шт.

13

6742-01-2660

NUT

SN: 26304813-UP

1шт.

14

6211-21-5490

BRACKET

SN: 26304813-UP

1шт.

15

6737-71-5630

TUBE

SN: 26304813-UP

1шт.

16

6732-71-6510

BOLT,JOINT

SN: 26304813-UP

1шт.

17

07005-01212

SEAL, WASHER (K1)

SN: 26304813-UP

2шт.

18

6738-71-5590

BRACKET

SN: 26311403-UP

1шт.

18

6736-71-5530

BRACKET

SN: 26304813-26311402

1шт.

19

6354-81-6310

SPACER

SN: 26304813-UP

1шт.

20

6732-21-6630

BOLT

SN: 26304813-UP

1шт.

21

6736-71-5540

CLAMP

SN: 26304813-UP

1шт.

22

6731-71-6270

SCREW

SN: 26304813-UP

1шт.

Выбрано товаров: 25